电脑桌面
添加小米粒文库到电脑桌面
安装后可以在桌面快捷访问

弱电管检验批记录

弱电管检验批记录_第1页
1/10
弱电管检验批记录_第2页
2/10
弱电管检验批记录_第3页
3/10
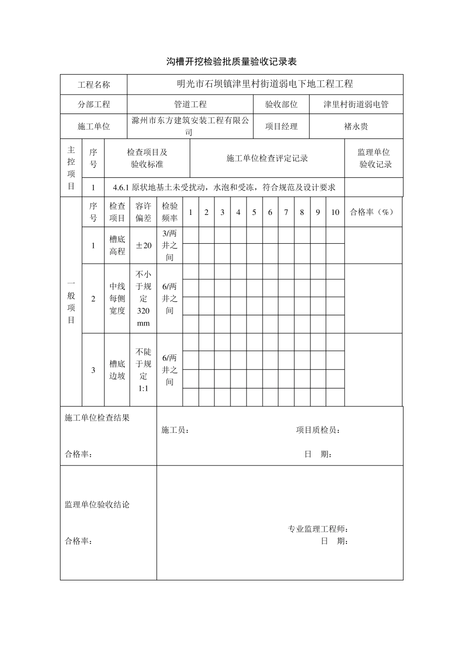
沟槽开挖 报验申请表 工程名称:明光市石坝镇津里村街道弱电下地工程工程 致: 安徽嘉明建设工程项目管理有限公司 (监理单位) 我单位已完成了 津里村街道弱电管沟槽开挖 工作,现报上该工程报验申请表,请予以审查和验收。 附件:检验批质量验收记录表 隐蔽工程检查验收记录 承包单位(章) 项目经理 日 期 审查意见: 项目监理机构 总/专业监理工程师 日 期 隐蔽工程检查验收记录 工程名称 明光市石坝镇津里村街道弱电下地工程工程 施工单位 滁州市东方建筑安装工程有限公司 隐检项目 沟槽开挖 隐检范围 津里村街道弱电管 隐检 检查 内 容情 及况 隐检内容:槽底高程、槽底中线每侧宽度、槽底边坡是否符合标准。 检查情况: 合格 验 收 意 见 处 理 情 况 复查人: 年 月 日 建设单位 监理单位 施工项目 技术负责人 质检员 沟槽开挖检验批质量验收记录表 工程名称 明光市石坝镇津里村街道弱电下地工程工程 分部工程 管道工程 验收部位 津里村街道弱电管 施工单位 滁州市东方建筑安装工程有限公司 项目经理 褚永贵 主控项目 序号 检查项目及 验收标准 施工单位检查评定记录 监理单位 验收记录 1 4.6.1 原状地基土未受扰动,水泡和受冻,符合规范及设计要求 一般项目 序号 检查项目 容许偏差 检验频率 1 2 3 4 5 6 7 8 9 10 合格率(%) 1 槽底高程 ±20 3/两井之间 2 中线每侧宽度 不小于规定320m m 6/两井之间 3 槽底边坡 不陡于规定1:1 6/两井之间 施工单位检查结果 合格率: 施工员: 项目质检员: 日 期: 监理单位验收结论 合格率: 专业监理工程师: 日 期: 安 管 报验申请表 工程名称:明光市石坝镇津里村街道弱电下地工程工程 致: 安徽嘉明建设工程项目管理有限公司(监理单位) 我单位已完成了 津里村街道弱电管安管 工作,现报上该工程报验申请表,请予以审查和验收。 附件:检验批质量验收记录表 隐蔽工程检查验收记录 承包单位(章) 项目经理 日期 审查意见: 项目监理机构 总/专业监理工程师 日 期 隐蔽工程检查验收记录 工程名称 明光市石坝镇津里村街道弱电下地工程工程 施工单位 滁州市东方建筑安装工程有限公司 隐检项目 安管 隐检范围 津里村街道弱电管 隐检 内容 及 检查 情况 隐检内容: 高程、中线 检查情况:合格 验 收 意 见 处 理 情 况 复查人:...

1、当您付费下载文档后,您只拥有了使用权限,并不意味着购买了版权,文档只能用于自身使用,不得用于其他商业用途(如 [转卖]进行直接盈利或[编辑后售卖]进行间接盈利)。
2、本站所有内容均由合作方或网友上传,本站不对文档的完整性、权威性及其观点立场正确性做任何保证或承诺!文档内容仅供研究参考,付费前请自行鉴别。
3、如文档内容存在违规,或者侵犯商业秘密、侵犯著作权等,请点击“违规举报”。

碎片内容

弱电管检验批记录

您可能关注的文档

确认删除?
VIP
微信客服
  • 扫码咨询
会员Q群
  • 会员专属群点击这里加入QQ群
客服邮箱
回到顶部