电脑桌面
添加小米粒文库到电脑桌面
安装后可以在桌面快捷访问

施工危险源辨识VIP专享

施工危险源辨识_第1页
1/9
施工危险源辨识_第2页
2/9
施工危险源辨识_第3页
3/9
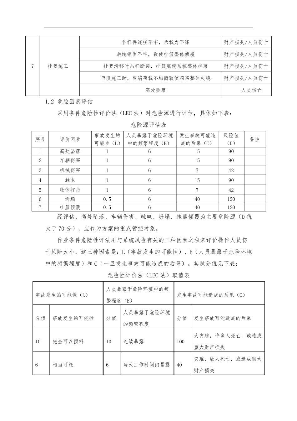
1、 危 险 源 辨 识 1.1 危 险 源 辨 识 结 合 XXX 工 程 安 全 生 产 目 标 、 XX 工 程 施 工 的 特 点 及 所 采 用 的 技 术 方 案 、 工艺 过 程 , 对 施 工 过 程 存 在 的 危 险 因 素 从 人 、 机 、 料 、 法 、 环 等 方 面 进 行 了 详 细 评价 和 论 证 , 确 定 出 ( 如 果 不 采 取 措 施 ) 可 能 会 造 成 严 重 事 故 的 危 险 源 , 然 后 根 据评 价 结 果 确 定 控 制 方 案 。 危 险 源 分 析 如 下 表 所 示 : XX 工 程 施 工 主 要 危 险 源 有 : 高 处 坠 落 、 车 辆 伤 害 、 物 体 打 击 、 机 械 伤 害 、触 电 、 坍 塌 。 危 险 源 分 析 表 序号 危 险 源 类 别 产 生 原 因 可 能 造 成 的 后 果 1 高 处 坠 落 塔 吊 及 吊 车 起 重 、 提 升 材 料 时 重 物 坠 落 财 产 损 失 /人 员 伤 亡 承 台 施 工 基 坑 防 护不 到位 人 员 伤 亡 墩身、 垫石及 连续梁施 工 平台 防 护不 到位 人 员 伤 亡 2 车 辆 伤 害 施 工 车 辆 违规行 驶 财 产 损 失 /人 员 伤 亡 社会 车 辆 闯入封道区域 财 产 损 失 /人 员 伤 亡 车 辆 发生 侧翻、 倾覆等 事 故 财 产 损 失 /人 员 伤 亡 3 机 械 伤 害 电 焊机 等 小型设备违规操作 人 员 伤 亡 设备漏电 、 刹车 失 灵、 机 电 设备故 障烧毁 财 产 损 失 /人 员 伤 亡 履带吊 安 装梁板时 指挥操作不 当, 触 碰作业人 员 财 产 损 失 /人 员 伤 亡 4 触 电 不 符合 三级配电 三级保护, 开关箱( 末级) 无漏电 保护或保护器失 灵 人 员 伤 亡 违反“一机 、 一闸、 一箱、 一漏”规定 人 员 伤 亡 闸刀、 电 缆线等 破损 不 满足安 全 要 求 人 员 伤 亡 潮湿作业未使用 36V 以下 安 全 电 压 人 员 伤 亡 未设短路保护和 过 负荷保护 人 员 伤 亡 无专项用 电 施 工 方 案 人 员 伤 亡 5 物 体 打 击 材 料 储存 运输过 程 中侧翻 财 产 损 失 /人 员 伤 亡 上下 楼梯碰撞, 高 处 掉落 工 具或杂物 ...

1、当您付费下载文档后,您只拥有了使用权限,并不意味着购买了版权,文档只能用于自身使用,不得用于其他商业用途(如 [转卖]进行直接盈利或[编辑后售卖]进行间接盈利)。
2、本站所有内容均由合作方或网友上传,本站不对文档的完整性、权威性及其观点立场正确性做任何保证或承诺!文档内容仅供研究参考,付费前请自行鉴别。
3、如文档内容存在违规,或者侵犯商业秘密、侵犯著作权等,请点击“违规举报”。

碎片内容

施工危险源辨识

确认删除?
VIP
微信客服
  • 扫码咨询
会员Q群
  • 会员专属群点击这里加入QQ群
客服邮箱
回到顶部