电脑桌面
添加小米粒文库到电脑桌面
安装后可以在桌面快捷访问

施工安全生产危险源辨识与风险分级管控

施工安全生产危险源辨识与风险分级管控_第1页
1/7
施工安全生产危险源辨识与风险分级管控_第2页
2/7
施工安全生产危险源辨识与风险分级管控_第3页
3/7
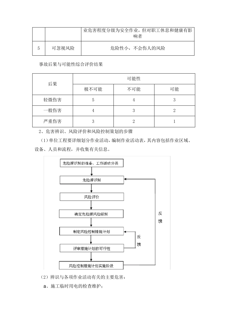
施工安全生产危险源辨识与风险分级管控 工作实施方案 一、总体要求、目标与原则 根据上级主管部门的指示要求,结合自身实际,经公司领导同意,着手开展安全风险分级管控体系建设。 1、总体要求:按照“全员参与,集思广益,领导负责,不靠中介,职责明确,落实到位”的原则进行安全风险分级管控建设。成立安全管理领导小组,结合实际情况,严格落实,实现“全员、全过程、全方位、全天候”的安全管理模式。 2、工作目标:通过建立风险分级管控体系做到有效遏制生产事故发生,保障员工生命财产安全并结合隐患排查治理等各项制度,强化安全生产风险源头管控,规范安全风险管控工作的基本流程,提高安全风险管控工作的效率和质量,实现安全风险管控闭环管理,构建安全生产风险分级管控和隐患排查治理双重预防体系,有效防范和遏制较大以上生产安全事故发生。 3、基本原则:坚持“统一指导、标杆示范、标准先行、分级推进,全面实施、持续改进“的基本原则,充分发挥 专 业 技 术 人 员的主导作用 ,全面落实企 业主体责任 。 二 、工程概 况 工程名 称 : 建设地 点 : 建设单 位: 设计 单 位: 监 理单 位: 施工单 位: 建设规模: 施工内 容 主要包 括 :主厂 房 、扩 建汽 机 间 、烟 囱 、清 水 泵 房 、冷 却 塔 、渗 滤液 处 理站 、扩 建倒 班 楼 、扩 建主变 间 等建( 构) 筑 物 单 体及 其 上述 建( 构) 筑 物单 体的水 、电 、通风空 调 、消 防、供 暖 系统。 本工程总工期 为350 天,计 划 开工日 期 为2019 年 3 月 15 日 至 2020 年 3 月1 日 , 最 终 以 开 工 报 告 为 准 。 三 、 安 全 管 理 体 系 1、 成 立 安 全 风 险 分 级 管 控 体 系 建 设 领 导 小 组 : 组 长 : 副 组 长 : 组 员 : 组 长 职 责 : 负 责 安 排 安 全 风 险 分 级 管 控 体 系 建 设 的 具 体 工 作 , 安 排 领 导 小 组成 员 做 好 组 织 、 协 调 、 计 划 、 实 施 、 总 结 、 归 纳 、 汇 总 、 上 报 、 专 家 审 核 等 过 程的 工 作 , 负 责 考 核 各 责 任 人 责 任 落 实 情 况 。 副 组 长 职 责 : 负 责 体 系 建 设 工 作 组 织 协 调 、 过 程 培...

1、当您付费下载文档后,您只拥有了使用权限,并不意味着购买了版权,文档只能用于自身使用,不得用于其他商业用途(如 [转卖]进行直接盈利或[编辑后售卖]进行间接盈利)。
2、本站所有内容均由合作方或网友上传,本站不对文档的完整性、权威性及其观点立场正确性做任何保证或承诺!文档内容仅供研究参考,付费前请自行鉴别。
3、如文档内容存在违规,或者侵犯商业秘密、侵犯著作权等,请点击“违规举报”。

碎片内容

施工安全生产危险源辨识与风险分级管控

您可能关注的文档

确认删除?
VIP
微信客服
  • 扫码咨询
会员Q群
  • 会员专属群点击这里加入QQ群
客服邮箱
回到顶部