电脑桌面
添加小米粒文库到电脑桌面
安装后可以在桌面快捷访问

旋膜式除氧器(高效新型)

旋膜式除氧器(高效新型)_第1页
1/6
旋膜式除氧器(高效新型)_第2页
2/6
旋膜式除氧器(高效新型)_第3页
3/6
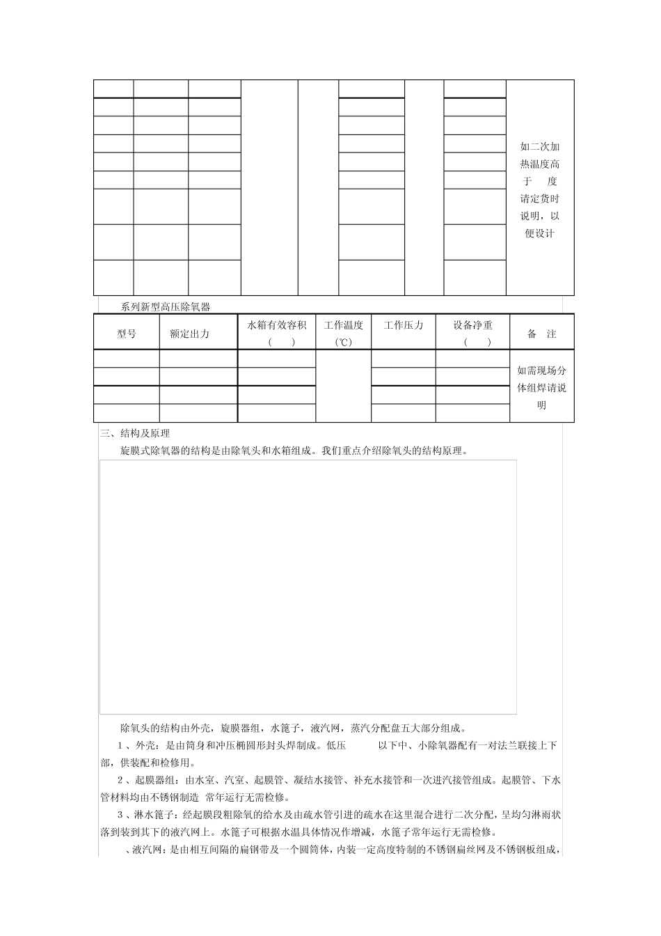
旋 膜 式 除 氧 器(高效新型) 旋膜式除氧器是一种最新型热力式除氧器,曾获电力部新科技新产品科技攻关成果创新奖,被列为电力部重点推广产品 一:产品用途及优点 除氧器是锅炉及供热系统关键设备之一,每年因氧腐蚀而对锅炉给水管道、省煤器和其它附属设备的腐蚀造成的严重损失,已引起国家电力部越来越多的注意,电力部因此颁步了GB1576-2001《工业锅炉水质标准》和《电站除氧器安全技术监察规程》,对除氧器含氧量提出了部颁标准,即低压除氧器给水含氧量应小于15ц ɡ/L,高压除氧器给水含氧量应小于7ц ɡ/L。 旋膜式除氧器(也 称 水膜式除氧器)为我 公 司 与 西 安电力热工院 共 同开发产品,曾获电力部新科技新产品科技攻关成果创新奖,被列为电力部重点推广产品。 并已在数百家电厂运行使用,证明具有以下优点: 1:除氧效率高,给水含氧量合格率100%。(即高压除氧器给水含氧量≤5ц ɡ/L,低压除氧器给水含氧量≤10ц ɡ/L。 完全达到电力部部颁标准) 2:运行稳定,无震动。 可适用于负压启动、滑压运行,减免了启动和运行中的人工繁杂调节操作。 3:适应性能好,对水质、水温要求不苛刻等优点外,而且可超出力50%左右运行,从而可取消前置加热器,节约设备投资规模。 4:排汽量小于入口水量的0.1%,不需另加排气冷却器,优化了设备,降低了热耗值,比同出力其它类型热力除氧器少耗能 1/3。 附:旋膜式除氧器使用了新型的喷淋装置,即旋膜喷管,它的特殊设计也使工艺制造成为难点。通过多次工艺试验,我们研究出膜式喷管的加工方法,采用成型模具,又特制定购数控钻攻铣床,对旋膜喷管采取数字自动控制加工工艺方案,从而保证了喷管孔螺旋布置合理,产品在运行中出水水膜厚度均匀、角度一致、方向内旋,保证了成膜形体和长度,从而达到高效除氧,保证了除氧器的设计要求及使用性能。我公司具有该旋膜喷管的加工工艺设计制造结构的知识产权。 二、技术特性和配套参数 规格 型号 额定出力 T/H 水箱有效 容积m3 工作温度 (℃) 工作压 力 Mpa 进水温度 (℃) 设计温度 (℃) 设备净重 (Kg) 备注 CY-10 10 5 104 0.02 20-40 250 4600 如二次加 热温度高 于350度 请定货时 说明,以 便设计 CY-20 20 10 0-40 5370 CY-40 40 20 20-40 6320 CY-50 50 25 20-50 8130 CY-75 75 35 20-50 9370 CY-85 85 35 20-50 10200 CY-130 130 40 20-50...

1、当您付费下载文档后,您只拥有了使用权限,并不意味着购买了版权,文档只能用于自身使用,不得用于其他商业用途(如 [转卖]进行直接盈利或[编辑后售卖]进行间接盈利)。
2、本站所有内容均由合作方或网友上传,本站不对文档的完整性、权威性及其观点立场正确性做任何保证或承诺!文档内容仅供研究参考,付费前请自行鉴别。
3、如文档内容存在违规,或者侵犯商业秘密、侵犯著作权等,请点击“违规举报”。

碎片内容

旋膜式除氧器(高效新型)

您可能关注的文档

确认删除?
VIP
微信客服
  • 扫码咨询
会员Q群
  • 会员专属群点击这里加入QQ群
客服邮箱
回到顶部