电脑桌面
添加小米粒文库到电脑桌面
安装后可以在桌面快捷访问

无石棉控制程序及细则

无石棉控制程序及细则_第1页
1/6
无石棉控制程序及细则_第2页
2/6
无石棉控制程序及细则_第3页
3/6
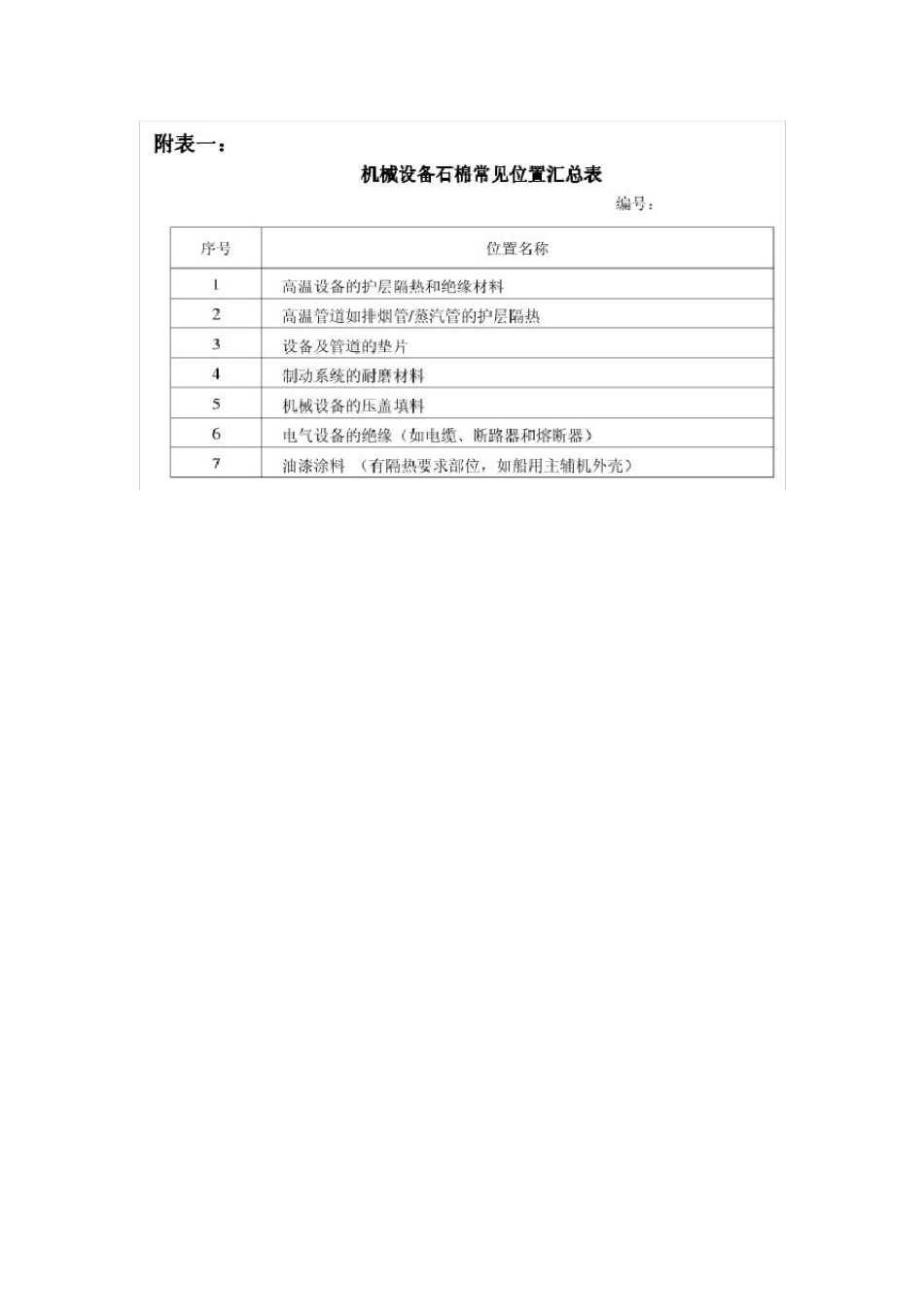
海南洛源船舶修造有限公司无石棉控制程序及细则1.目的本程序旨在履行 SOLAS公约关于所有船舶禁止新装含有石棉的材料相关规定,使船上人员免受其潜在健康危害。2.适用范围本程序适用于新造船舶和船舶维修和重大改造产品采购中的石棉控制。3.定义3.1含石棉材料(ACM)是指含石棉重量超过 1%的任何材料。石棉矿物类型包括青石棉、铁石棉、温石棉、直闪石、透闪石和阳起石。石棉是天然形成的矿物材料,由长而细的纤维组成。如果这些纤维以尘埃形态吸入,会带来危险,目前已知可造成肺癌的风险增加。3.2 本程序中所述的备件、物料和船用产品,是指含有密封、隔热、耐磨材料的产品。4.职责4.1船厂质检部经理负责本部门的备件物料和修理过程中的无石棉控制。4.2采购部负责备件物料采购过程中的无石棉控制。4.3船厂质检部负责船舶监造、维修、改造过程中无石棉控制。5.我厂对新造船舶无石棉控制5.1在签订新船建造合同时会明确新造船舶无石棉产品的相关要求,我厂建造的船舶“无石棉声明”作为合同生效的必要条件;5.2在船舶建造过程中对船东提供或自行采购的船用产品应严格把关,要求生产厂家提供“无石棉声明”或相应的检测报告;5.3船舶建造完成后,“无石棉声明”或检测报告应交船上妥善保存。6.我厂对船舶维修和重大改造无石棉控制6.1船舶修理和重大改建时的无石棉产品控制6.1.1在签订船舶修理和重大改建合同时应明确船舶无石棉制品的相关要求,且我厂的“无石棉声明”作为合同生效的必要条件;6.1.2在船舶修理和重大改建过程中自行采购的船用产品应严格把关,要求生产厂家提供“无石棉声明”或相应的检测报告;6.1.3在船舶修理和重大改建结束后,会将相关无石棉证书存档保存并提供给验船师一份。6.2我厂船舶备件物料均采购无石棉控制6.2.1在签订设备和物料采购合同时,必须选择由船级社认可的能够提供“无石棉声明”的供应商;6.2.2在采购的设备或物料必须由我厂质检部进行验收,对供应商提供的相交资料进行审核:●如设备或物料需提供 CCS产品证书或认可证书,那么证书上应注明该设备不含石棉;●如设备或物料不需提供 CCS证书或认可证书,那么我厂必须提供“无石棉声明”和/或检测报告。●若未提供无石棉声明或船级社验船师对是否含有石棉有怀疑时,应进行取样检测(检测人员或机构应具备相应的资质)并提高检验报告。6.2.3我厂将妥善保存备件物料的无石棉证书或检测报告。6.3我厂对无石棉设备和物料的控制6.3.1在收到供船的备件和物料时...

1、当您付费下载文档后,您只拥有了使用权限,并不意味着购买了版权,文档只能用于自身使用,不得用于其他商业用途(如 [转卖]进行直接盈利或[编辑后售卖]进行间接盈利)。
2、本站所有内容均由合作方或网友上传,本站不对文档的完整性、权威性及其观点立场正确性做任何保证或承诺!文档内容仅供研究参考,付费前请自行鉴别。
3、如文档内容存在违规,或者侵犯商业秘密、侵犯著作权等,请点击“违规举报”。

碎片内容

无石棉控制程序及细则

您可能关注的文档

确认删除?
VIP
微信客服
  • 扫码咨询
会员Q群
  • 会员专属群点击这里加入QQ群
客服邮箱
回到顶部