电脑桌面
添加小米粒文库到电脑桌面
安装后可以在桌面快捷访问

景观照明施工工艺

景观照明施工工艺_第1页
1/22
景观照明施工工艺_第2页
2/22
景观照明施工工艺_第3页
3/22
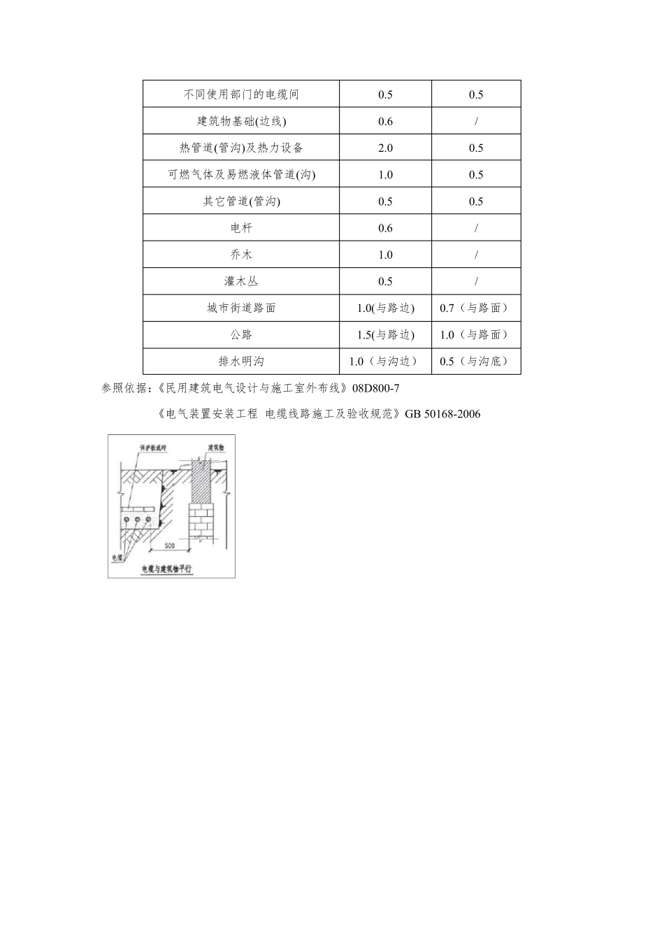
景 观 照 明 工 程 一 、 测 量 放 线 1.作 业 条 件 : 1.1 园 路 路 基 已 完 成 , 已 无 大 型 施 工 机 械 进 入 沟 槽 动 土 区 域 ; 1.2 确 定 好 园 路 两 侧 绿 化 带 及 排 水 沟 位 置 尺 寸 ; 1.3 已 确 定 核 实 原 有 地 下 管 网 走 向 位 置 及 将 要 施 工 各 管 网 位 置 情 况 ; 2.施 工 准 备 2.1 测 量 放 线 应 由 测 量 技 术 人 员 主 持 ;测 量 仪 器 必 须 经 法 定 计 量 部 门 校 验 合 格 且在 有 效 期 内 使 用 。 2.2 放 线 区 段 完 整 的 施 工 走 向 图 ; 2.3 符 合 要 求 的 完 好 的 测 量 仪 器 、 木 桩 、 标 笔 、 白 灰 及 定 桩 工 具 。 2.4 测 量 放 线 的 基 准 点 是 设 计 控 制 桩 。 依 据 线 路 平 面 进 行 测 量 放 线 。 2.5 放 线 宜 采 用 RTK、 全 站 仪 测 量 。 3.工 艺 流程 : 清理除杂→线 路 测 量 放 线 →灯具 基 础及 手孔井位 置 测 量 放 线 →沟 槽 开挖 4.施 工 工 艺 4.1 清理除杂 4.1.1 清除施 工 区 域 内 所有 杂物, 保证施 工 作 业 面 清洁干净; 4.1.2 根据 业 主 单位 提供的 地 下 管 网 情 况 , 在 施 工 区 域 内 进 行 位 置 辨识确 定 各 管网 位 置 并做好 标 记。 4.2 线 路 测 量 放 线 4.2.1 所测 线 路 应 在 原 有 地 形上或已 成 型 地 形上, 沿 地 形进 行 测 量 定 位 ; 4.2.2 测 量 线 路 参 照 电 缆 之 间 , 电 缆 与 其 他 管 道 、 道 路 、 建 筑 物等 之 间 平 行 和 交叉 时 的 最 小 净距 , 测 量 设 置 控 制 桩 。 表3.1 电缆之间,电缆与管道、道路、建筑物之间平行和交叉时的最小净距(m ) 项目 平行(m ) 交叉(m ) 电力电缆间及其与控制电缆间 10kV 及以下 0.1 0.5 10kV 及以上 0.25 0.5 控制电缆间 / 0.5 不同使用部门的电缆间 0.5 0.5 建筑物基础(边线) 0.6 / 热管道(管沟)及热力设备 2.0 0.5 可燃气体及易燃液体管道(沟) 1.0 0.5 其它管道(管沟) 0.5 0.5 电杆 0.6 / 乔木 1.0 / 灌...

1、当您付费下载文档后,您只拥有了使用权限,并不意味着购买了版权,文档只能用于自身使用,不得用于其他商业用途(如 [转卖]进行直接盈利或[编辑后售卖]进行间接盈利)。
2、本站所有内容均由合作方或网友上传,本站不对文档的完整性、权威性及其观点立场正确性做任何保证或承诺!文档内容仅供研究参考,付费前请自行鉴别。
3、如文档内容存在违规,或者侵犯商业秘密、侵犯著作权等,请点击“违规举报”。

碎片内容

景观照明施工工艺

您可能关注的文档

确认删除?
VIP
微信客服
  • 扫码咨询
会员Q群
  • 会员专属群点击这里加入QQ群
客服邮箱
回到顶部