电脑桌面
添加小米粒文库到电脑桌面
安装后可以在桌面快捷访问

景观设计常见尺寸

景观设计常见尺寸_第1页
1/9
景观设计常见尺寸_第2页
2/9
景观设计常见尺寸_第3页
3/9
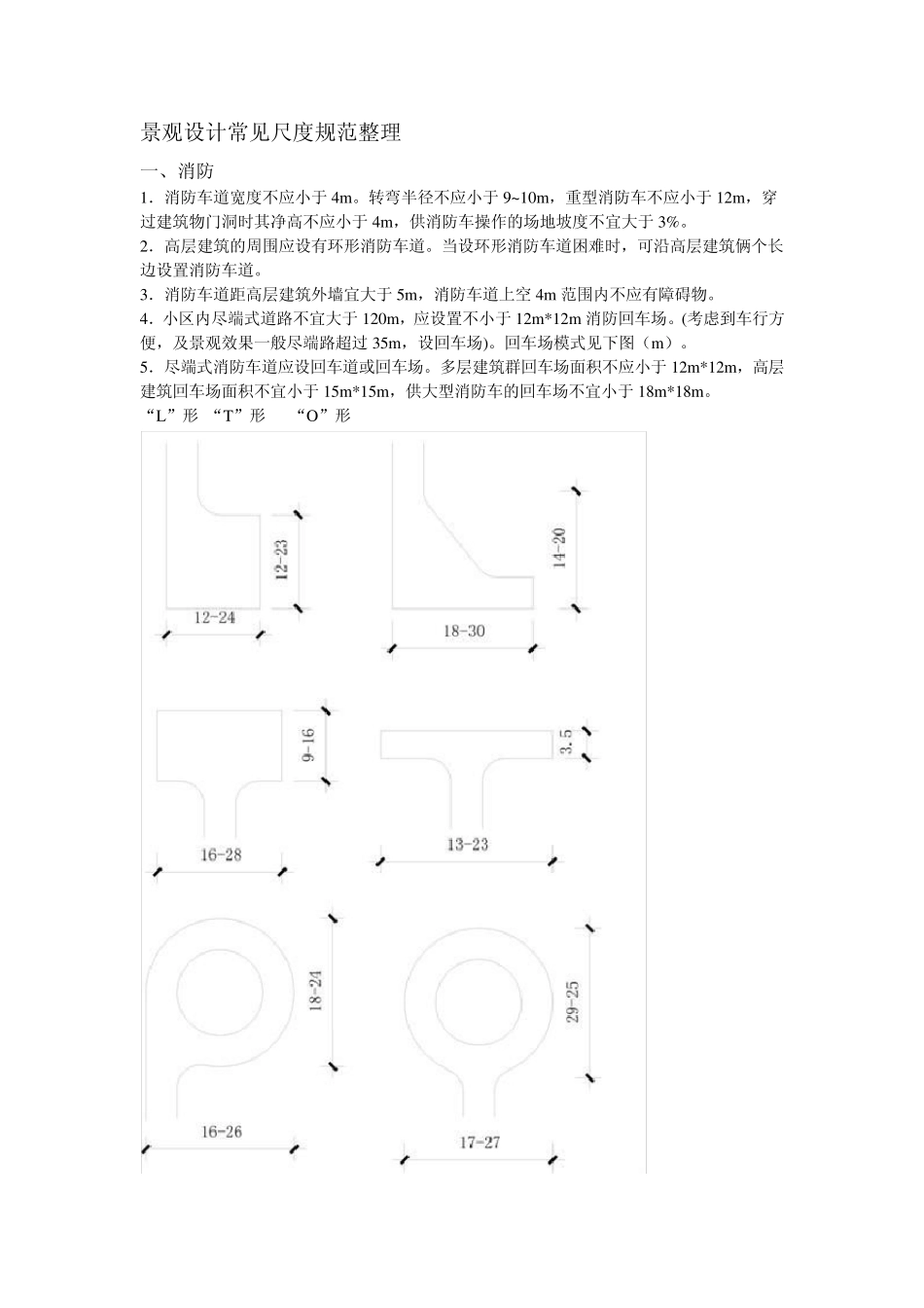
景观设计常见尺度规范整理 一、消防 1.消防车道宽度不应小于4m。转弯半径不应小于9~10m,重型消防车不应小于12m,穿过建筑物门洞时其净高不应小于4m,供消防车操作的场地坡度不宜大于3%。 2.高层建筑的周围应设有环形消防车道。当设环形消防车道困难时,可沿高层建筑俩个长边设置消防车道。 3.消防车道距高层建筑外墙宜大于5m,消防车道上空4m 范围内不应有障碍物。 4.小区内尽端式道路不宜大于120m,应设置不小于12m*12m 消防回车场。(考虑到车行方便,及景观效果一般尽端路超过35m,设回车场)。回车场模式见下图(m)。 5.尽端式消防车道应设回车道或回车场。多层建筑群回车场面积不应小于12m*12m,高层建筑回车场面积不宜小于15m*15m,供大型消防车的回车场不宜小于18m*18m。 “L”形 “T”形 “O”形 注:图中下限值适用于小汽车(车长5m,最小转弯半径6m);上限值适用于大汽车(车长8~9m,最小转弯半径10m) 二、车道 1.道路纵坡 1.1 居住区道路纵坡控制坡度(%) 道路类型 最小纵坡 最大纵坡 多雪严寒地区最大纵坡 机动车道 ≥0.2 ≤8.0 L≤200m ≤5.0 L≤600m 非机动车道 ≥0.2 ≤3.0 L≤50m ≤2.0 L≤100m 步行道 ≥0.2 ≤8.0 ≤4.0 注:1.摘自《城市居住区规范设计规范》(GB 50180—93)(2002 年版) 2.L 为坡长。 1.2 在地形坡度较大的个别困难地段,道路纵坡极限值不宜大于11%,其坡长不大于80m,路面应由防滑措施。 2.道路纵坡 机动车、非机动车道路横向坡为 1.5%~2.5%。 人行道横坡为 1.0%~2.0% 3.道路宽度 3.1 居住区级道路:红线宽度不宜小于20m。 3.2 小区级道路:路面宽 6.0~9.0m;建筑控制线之间的宽度,需敷设供热管线的不宜小于14m;无供热管线的不宜小于10m; 3.3 组团路:路面宽 3m-5m;建筑控制线之间的宽度,需敷设供热管线的不宜小于10m;无供热管线的不宜小于8m; 3.4 宅间小路:路面宽不宜小于2.5m; 3.5 双车道:W=6.0~9.0m(场地主干道双车道宽度,小型车双车道最小宽 6 米,大型车双车道最小宽 7 米) 单车道: W=3.5~4m;(车道兼具回车通道作用,应按照停车场标准设计车道宽度) 4.转弯半径 机动车最小转弯半径:(道路内路牙最小半径) 6.0m:车长不超过 5 米的三轮车、小型车。 9.0m:车长6-9 米的一般二轴载重汽车、中型车。 12.0m:车长10 米以上的的铰接车、大型货车、大型客车等大型车。 基地出入口转弯半径应适...

1、当您付费下载文档后,您只拥有了使用权限,并不意味着购买了版权,文档只能用于自身使用,不得用于其他商业用途(如 [转卖]进行直接盈利或[编辑后售卖]进行间接盈利)。
2、本站所有内容均由合作方或网友上传,本站不对文档的完整性、权威性及其观点立场正确性做任何保证或承诺!文档内容仅供研究参考,付费前请自行鉴别。
3、如文档内容存在违规,或者侵犯商业秘密、侵犯著作权等,请点击“违规举报”。

碎片内容

景观设计常见尺寸

您可能关注的文档

小辰2+ 关注
实名认证
内容提供者

出售各种资料和文档

确认删除?
VIP
微信客服
  • 扫码咨询
会员Q群
  • 会员专属群点击这里加入QQ群
客服邮箱
回到顶部