电脑桌面
添加小米粒文库到电脑桌面
安装后可以在桌面快捷访问

晶体管图示仪的使用

晶体管图示仪的使用_第1页
1/8
晶体管图示仪的使用_第2页
2/8
晶体管图示仪的使用_第3页
3/8
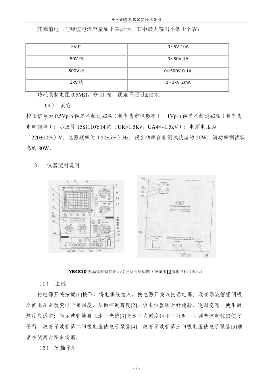
电子测量及仪器实验指导书 - 1 - 实验一 晶体管图示仪的使用 一、实验目的 熟练掌握晶体管特性图示仪的使用方法,学会用晶体管特性图示仪测量半导体器件的静态参数。在不损坏器件的情况下,测量半导体器件的极限参数。 二、晶体管特性图示仪测量半导体器件的工作原理 1.概述 YB4810 型晶体管特性图示仪是一种用阴极射线示波管显示半导体器件的各种特性曲线,并可测量其静态参数的测试仪器,尤其能在不损坏器件的情况下,测量其极限参数,如击穿电压、饱和压降等。 2.主要技术指标 (1) Y 轴偏转系数 集电极电流范围为 10μA/div~0.5A/div,分 15 档,误差不超过±5%;二极管反向漏电流 0.2μA/div~5μA/div,分 5 档,2μA/div、5μA/div 误差不超过±5%,1μA/div 误差不超过±7%,0.5μA/div 误差不超过±10%,0.2μA/div 误差不超过±20%;外接输入为0.1V/div 误差不超过±5%。 (2) X 轴偏转系数 集电极电压范围为 0.1V/div~50V/div,分 9 档,误差不超过±5%;基极电压范围为 0.1V/div~5V/div,分 6 档,误差不超过±5%;外接输入为 0.05V/div 误差不超过±7%。 (3) 阶梯信号 阶梯电流范围为 0.1μA/级~50mA/级,分 18 档;1μA/级~50mA/级,误差不超过±5%,0.1μA/级误差不超过±7%;阶梯电压范围为 0.05V/级~1V/级,分 5 档,误差不超过±5%;串联电阻 10Ω 、10KΩ 、0.1MΩ ,分 3 档,误差不超过±10%;每簇级数4~10 级连续可调。2.4 集电极扫描电源、高压二极管测试电源 电子测量及仪器实验指导书 - 2 - 其峰值电压与峰值电流容量如下表所示,其中最大输出不低于下表: 5V 档 0~5V 10A 50V 档 0~50V 1A 500V 档 0~500V 0.1A 3kV 档 0~3kV 2mA 功耗限制电阻0.5MΩ,分11 档,误差不超过±10%。 (4) 其它 校正信号为 0.5Vp-p 误差不超过±2%(频率为市电频率),1Vp-p 误差不超过±2%(频率为市电频率);示波管 15SJ110Y14 内(UK=1.5Kv,UA4=+1.5kV);电源电压为(220±10%)V;电源频率为(50±5%)Hz;视在功率在非测试状态约 50W;满功率测试状态约 80W。 3. 仪器使用说明 YB4810 型晶体管特性图示仪正反面结构图(按钮用[]加相应标号表示) (1) 主机 将电源开关按键[1]按下,将电源线接入,按电源开关以接通电源;改变示波管栅阴极之间电压来改变电子束强度,从而控制辉度[2],该电位器顺时针旋转,逐渐变亮,使用...

1、当您付费下载文档后,您只拥有了使用权限,并不意味着购买了版权,文档只能用于自身使用,不得用于其他商业用途(如 [转卖]进行直接盈利或[编辑后售卖]进行间接盈利)。
2、本站所有内容均由合作方或网友上传,本站不对文档的完整性、权威性及其观点立场正确性做任何保证或承诺!文档内容仅供研究参考,付费前请自行鉴别。
3、如文档内容存在违规,或者侵犯商业秘密、侵犯著作权等,请点击“违规举报”。

碎片内容

晶体管图示仪的使用

您可能关注的文档

确认删除?
VIP
微信客服
  • 扫码咨询
会员Q群
  • 会员专属群点击这里加入QQ群
客服邮箱
回到顶部