电脑桌面
添加小米粒文库到电脑桌面
安装后可以在桌面快捷访问

暖通工程专项施工技术方案

暖通工程专项施工技术方案_第1页
1/15
暖通工程专项施工技术方案_第2页
2/15
暖通工程专项施工技术方案_第3页
3/15
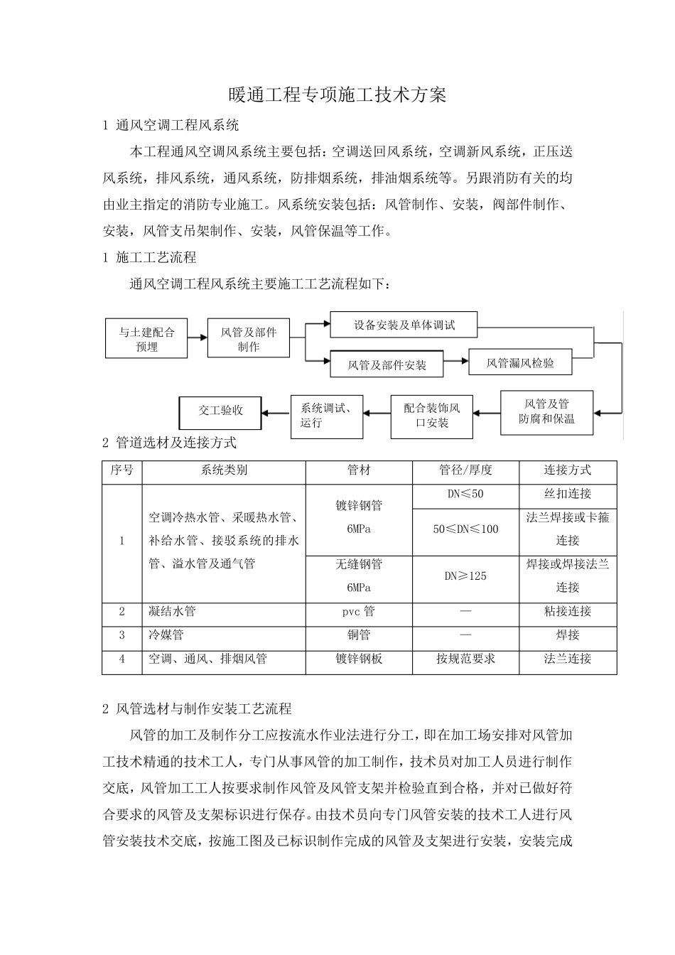
暖通工程专项施工技术方案 1 通风空调工程风系统 本工程通风空调风系统主要包括:空调送回风系统,空调新风系统,正压送风系统,排风系统,通风系统,防排烟系统,排油烟系统等。另跟消防有关的均由业主指定的消防专业施工。风系统安装包括:风管制作、安装,阀部件制作、安装,风管支吊架制作、安装,风管保温等工作。 1 施工工艺流程 通风空调工程风系统主要施工工艺流程如下: 2 管道选材及连接方式 序号 系统类别 管材 管径/厚度 连接方式 1 空调冷热水管、采暖热水管、补给水管、接驳系统的排水管、溢水管及通气管 镀锌钢管 6MPa DN≤50 丝扣连接 50≤DN≤100 法兰焊接或卡箍连接 无缝钢管 6MPa DN≥125 焊接或焊接法兰连接 2 凝结水管 pvc 管 — 粘接连接 3 冷媒管 铜管 — 焊接 4 空调、通风、排烟风管 镀锌钢板 按规范要求 法兰连接 2 风管选材与制作安装工艺流程 风管的加工及制作分工应按流水作业法进行分工,即在加工场安排对风管加工技术精通的技术工人,专门从事风管的加工制作,技术员对加工人员进行制作交底,风管加工工人按要求制作风管及风管支架并检验直到合格,并对已做好符合要求的风管及支架标识进行保存。由技术员向专门风管安装的技术工人进行风管安装技术交底,按施工图及已标识制作完成的风管及支架进行安装,安装完成风管及部件制作 风管及部件安装 设备安装及单体调试 风管漏风检验 与土建配合预埋 风管及管 防腐和 保温 配合装饰 风口 安装 系统调试、运 行 交工验收 当日进行检查,当一部分安装完成后,由技术管理人员会同业主代表、监理单位进行验收,并用相应表格记录。 1、风管的用料规格 根据施工规范及图纸要求要求,本工程风管用料规格见下表: 序号 系统类别 截面/风管长边尺寸(mm) 板材 备注 1 新风管 截面尺寸≤5m A6 酚醛彩钢保温复合风管 截面尺寸>5m 厚 2mm 镀锌板 630<L≤1250 厚 2mm 镀锌板 1250<L≤4000 厚 5mm 镀锌板 2、风管制作安装工艺流程如下: 4 通风空调工程主要施工内容及要领 风管制作安装 施工准备 检查 放线 风管制作 支吊架制作 风管制组装 部件 吊装 阀件 风管 柔性管 风管与设备接口 风管调整 风管保温 序号 工程内容 工程量 安装部位 施工要领 1 风管制作安装 3 .4 万平米 空调系统 风管接缝应严密、平整,纵向接缝应相互错开消防排烟及加压送风管的密封垫采...

1、当您付费下载文档后,您只拥有了使用权限,并不意味着购买了版权,文档只能用于自身使用,不得用于其他商业用途(如 [转卖]进行直接盈利或[编辑后售卖]进行间接盈利)。
2、本站所有内容均由合作方或网友上传,本站不对文档的完整性、权威性及其观点立场正确性做任何保证或承诺!文档内容仅供研究参考,付费前请自行鉴别。
3、如文档内容存在违规,或者侵犯商业秘密、侵犯著作权等,请点击“违规举报”。

碎片内容

暖通工程专项施工技术方案

您可能关注的文档

确认删除?
VIP
微信客服
  • 扫码咨询
会员Q群
  • 会员专属群点击这里加入QQ群
客服邮箱
回到顶部