电脑桌面
添加小米粒文库到电脑桌面
安装后可以在桌面快捷访问

装配式建筑预制构件进场验收PC构件

装配式建筑预制构件进场验收PC构件_第1页
1/6
装配式建筑预制构件进场验收PC构件_第2页
2/6
装配式建筑预制构件进场验收PC构件_第3页
3/6
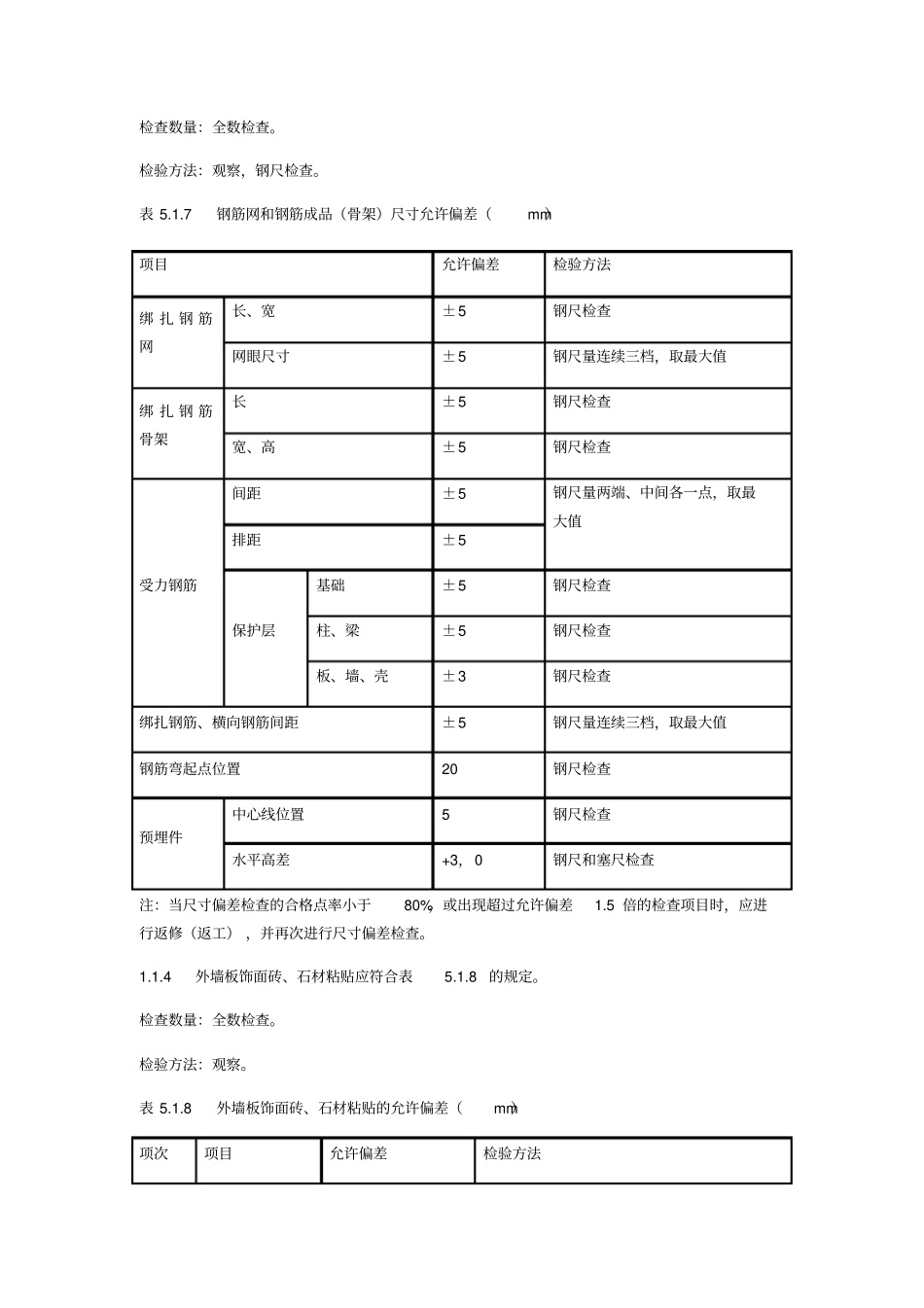
装配式建筑预制构件制作质量验收现场检查应落实厂家自检、施工单位交接检查、监理单位验收检查、工程师现场完善全过程监督。检查主控项目1、预制构件应全数检查,要求检查人员带图、带测量工具、留影视资料:预制构件应在明显部位标明生产单位、构件型号、生产日期和质量验收标志。构件上的预埋件、插筋和预留孔洞的规格、 位置和数量应符合标准图或设计的要求。具体要求为: 预制构件的外观质量不应有严重缺陷。对已经出现的严重缺陷,应按技术处理方案进行处理和经原设计单位认可,并重新检查验收。 预制构件不应有影响结构性能和安装、使用功能的尺寸偏差。对超过尺寸允许偏差且影响结构性能和安装、使用功能的部位, 应按技术处理方案进行处理,并重新检查验收。预制构件的混凝土强度应按现行国家标准《混凝土强度检验评定标准》GBJ 107 的规定分批检验评定。2、凡是因修补、缺陷等需技术处理的,均应编制技术方案,技术方案需厂家、施工、现场监理、建设单位共同确认。检查一般项目1.1.1预制构件制作模具尺寸应符合表5.1.5规定。检查数量:全数检查。检验方法:钢尺检查。表 5.1.5模具尺寸允许偏差(mm)测定部位允许偏差检验方法边长±2 钢尺四边测量板厚+1, 0 钢尺测量,取两边平均值扭曲2 四角用两根细线交叉固定,钢尺测中心点高度翘曲3 四角固定细线,钢尺测细线到钢模边距离,取最大值表面凹凸2 靠尺和塞尺检查弯曲2 四角用两根细线交叉固定,钢尺测细线到钢模边距离对角线误差2 细线测两根对角线尺寸,取差值预 埋 件 位 置(中心线)±2 钢尺检查侧向扭度H≤300 1.0 两角用细线固定,钢尺测中心点高度H>300 2.0 两角用细线固定,钢尺测中心点高度注: H为模具高度。1.1.2固定在模板上的预埋件、预留孔和预留洞的安装位置的偏差应符合表5.1.6的规定。检查数量:全数检查。检验方法:钢尺检查。表 5.1.6 预埋件和预留孔洞的允许偏差(mm)1.1.3钢筋安装时,钢筋网和钢筋成品(骨架)安装位置的偏差应符合表5.1.7的规定。项目允许偏差检验方法预埋钢板中心线位置3 钢尺检查安装平整度5 靠尺和塞尺检查预埋管、预留孔中心线位置3 钢尺检查插筋中心线位置5 钢尺检查外露长度+8, 0 钢尺检查预埋吊环中心线位置5 钢尺检查外露长度+8, 0 钢尺检查预留洞中心线位置5 钢尺检查尺 寸+8, 0 钢尺检查预埋接驳器中心线位置5 钢尺检查检查数量:全数检查。检验方法:观察,钢尺检查。表 5.1.7 钢筋...

1、当您付费下载文档后,您只拥有了使用权限,并不意味着购买了版权,文档只能用于自身使用,不得用于其他商业用途(如 [转卖]进行直接盈利或[编辑后售卖]进行间接盈利)。
2、本站所有内容均由合作方或网友上传,本站不对文档的完整性、权威性及其观点立场正确性做任何保证或承诺!文档内容仅供研究参考,付费前请自行鉴别。
3、如文档内容存在违规,或者侵犯商业秘密、侵犯著作权等,请点击“违规举报”。

碎片内容

装配式建筑预制构件进场验收PC构件

确认删除?
VIP
微信客服
  • 扫码咨询
会员Q群
  • 会员专属群点击这里加入QQ群
客服邮箱
回到顶部