电脑桌面
添加小米粒文库到电脑桌面
安装后可以在桌面快捷访问

装配式钢筋混凝土简支T形梁桥课程设计

装配式钢筋混凝土简支T形梁桥课程设计_第1页
1/17
装配式钢筋混凝土简支T形梁桥课程设计_第2页
2/17
装配式钢筋混凝土简支T形梁桥课程设计_第3页
3/17
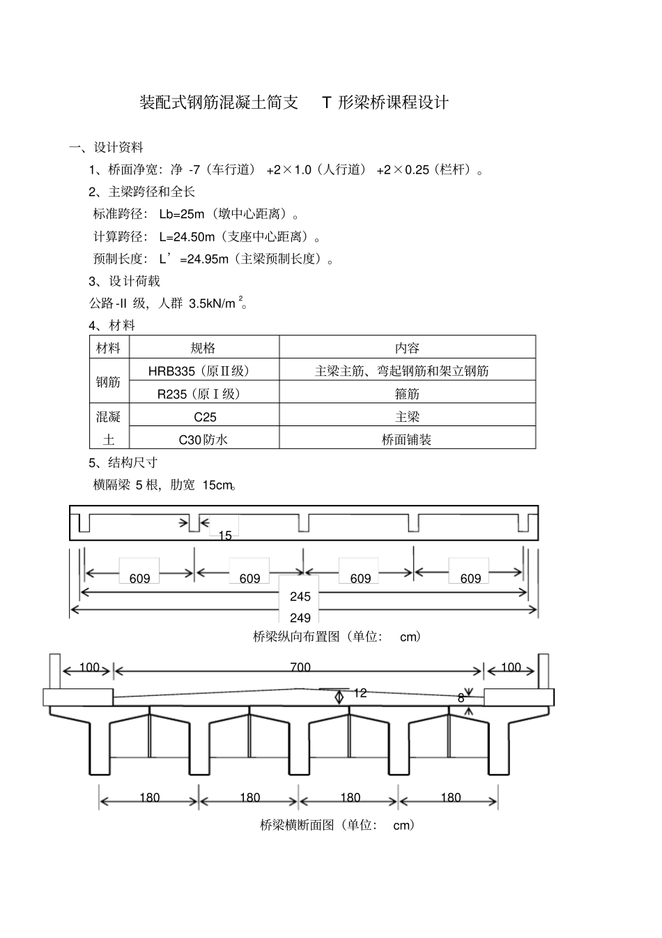
装配式钢筋混凝土简支T 形梁桥课程设计一、设计资料1、桥面净宽:净 -7(车行道) +2×1.0(人行道) +2×0.25(栏杆)。2、主梁跨径和全长标准跨径: Lb=25m(墩中心距离)。计算跨径: L=24.50m(支座中心距离)。预制长度: L’=24.95m(主梁预制长度)。3、设计荷载公路 -II 级,人群 3.5kN/m2。4、材料材料规格内容钢筋HRB335(原Ⅱ级)主梁主筋、弯起钢筋和架立钢筋R235(原Ⅰ级)箍筋混凝土C25 主梁C30防水桥面铺装5、结构尺寸横隔梁 5 根,肋宽 15cm。桥梁纵向布置图(单位:cm)桥梁横断面图(单位: cm)15 249245609 609 609 609 180 180 180 180 100 100 700 12 8 T 型梁尺寸图(单位: cm)6、计算方法极限状态法7、设计依据(1) 《公路桥涵设计通用规范》(JTG – D60-2004)。(2) 《公路桥涵钢筋混凝土和预应力混凝土桥涵设计规范》(JTG – D60-2004)。二、行车道板的计算(一)计算模式行车道板按照两端固定中间铰接的板来计算(二)荷载及其效应1.每延米板上的恒载个g 桥面铺装:mkNg/4.2240.11.01T 梁翼缘板自重:mkNg/75.2250.111.02每延米跨宽板恒载合计:mkNggg/15.575.24.2212.永久荷载产生的效应弯矩:kNmglM sg65.1)22.08.1(15.52121220剪力:kNglQ sg12.4)22.08.1(15.503.可变荷载产生的效应以重车后轮作用于绞缝轴线上为最不利布置,此时两边的悬臂板各承受一半的车轮荷载根据《公路桥涵设计通用规范》4.3.1条后轮着地宽度2b 及长度2a 为:180 140 120 8 14 20 顺行车方向轮压分布宽度:mHaa4.01.022.0221垂直行车方向轮压分布宽度:mHbb8.01.026.0221荷载作用于悬臂根部的有效分布宽度:mlaa4.38.024.14.024.101单轮时:mlaa0.28.024.02'01根据《公路桥涵设计通用规范》4.3.2条,局部加载冲击系数:3.11作用于每米宽板条上的弯矩为:单个车轮时:取最大值:mkNM sp/06.16作用于每米宽板条上的剪力为:kNaPQsp76.264.342803.14)1(4.基本组合根据《公路桥涵设计通用规范》4.1.6条恒+汽:故行车道板的设计作用效应为:(三)截面设计、配筋与强度验算1.界面设计与配筋悬臂板根部高度14hcm ,净保护层2acm。若选用12钢筋,则有效高度0h 为:根据《公路桥涵钢筋混凝土和预应力混凝土桥涵设计规范》5.2.2条:化简:20.2260.004250xx解得:0.0205xm验算:00.560.1130.06330.0205bhmxm根据《公路桥涵钢筋混凝土和预应力混凝土桥涵设计规范》5.2.2条:需要的间距为:100/(8....

1、当您付费下载文档后,您只拥有了使用权限,并不意味着购买了版权,文档只能用于自身使用,不得用于其他商业用途(如 [转卖]进行直接盈利或[编辑后售卖]进行间接盈利)。
2、本站所有内容均由合作方或网友上传,本站不对文档的完整性、权威性及其观点立场正确性做任何保证或承诺!文档内容仅供研究参考,付费前请自行鉴别。
3、如文档内容存在违规,或者侵犯商业秘密、侵犯著作权等,请点击“违规举报”。

碎片内容

装配式钢筋混凝土简支T形梁桥课程设计

确认删除?
VIP
微信客服
  • 扫码咨询
会员Q群
  • 会员专属群点击这里加入QQ群
客服邮箱
回到顶部