电脑桌面
添加小米粒文库到电脑桌面
安装后可以在桌面快捷访问

计算机维修工初级工试题和答案

计算机维修工初级工试题和答案_第1页
1/4
计算机维修工初级工试题和答案_第2页
2/4
计算机维修工初级工试题和答案_第3页
3/4
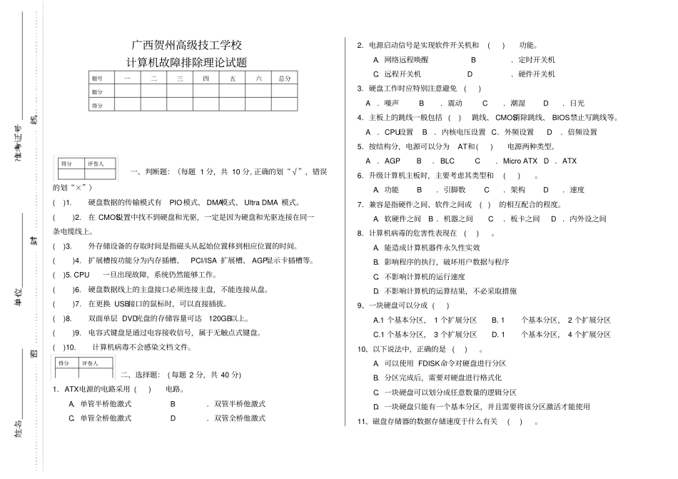
广西贺州高级技工学校计算机故障排除理论试题题号一二三四五六总分题分得分一、判断题:(每题 1 分,共 10 分, 正确的划“√”,错误的划“×”)( )1. 硬盘数据的传输模式有PIO模式、 DMA模式、 Ultra DMA 模式。( )2. 在 CMOS设置中找不到硬盘和光驱,一定是因为硬盘和光驱连接在同一条电缆线上。( )3. 外存储设备的存取时间是指磁头从起始位置移到相应位置的时间。( )4. 扩展槽按功能分为内存插槽、PCI/ISA 扩展槽、 AGP显示卡插槽等。( )5. CPU一旦出现故障,系统仍然能够工作。( )6. 硬盘数据线上的主盘接口必须连接主盘,不能连接从盘。( )7. 在更换 USB接口的鼠标时,可以直接插拔。( )8. 双面单层 DVD光盘的存储容量可达120GB以上。( )9. 电容式键盘是通过电容接收信号,属于无触点式键盘。( )10. 计算机病毒不会感染文档文件。二、选择题: ( 每题 2 分,共 40 分) 1.ATX电源的电路采用 ( )电路。A.单管半桥他激式 B.双管半桥他激式C.单管全桥他激式 D.双管全桥他激式2.电源启动信号是实现软件开关机和( )功能。A.网络远程唤醒 B.定时开关机C.远程开关机 D.硬件开关机3.硬盘工作时应特别注意避免( ) A.噪声 B.震动 C.潮湿 D.日光4.主板上的跳线一般包括 ( )跳线、 CMOS清除跳线、 BIOS禁止写跳线等。 A.CPU设置 B.内核电压设置 C.外频设置 D.倍频设置5.按结构分,电源可以分为AT和( )电源两种类型。 A.AGP B.BLC C.Micro ATX D .ATX 6.升级计算机主板时,主要考虑其类型和( )。A.功能 B.引脚数 C.架构 D.速度7.兼容是指硬件之间、软件之间或( )的相互配合的程度。A.软硬件之间 B .机器之间 C.板卡之间 D.内外设之间8.计算机病毒的危害性表现在( )。A.能造成计算机器件永久性实效B.影响程序的执行,破坏用户数据与程序C.不影响计算机的运行速度D.不影响计算机的运算结果,不必采取措施9、一块硬盘可以分成 ( ) A.1 个基本分区, 1 个扩展分区 B. 1个基本分区, 2 个扩展分区C.1 个基本分区, 3 个扩展分区 D. 1个基本分区, 4 个扩展分区10、以下说法中,正确的是( )。A.可以使用 FDISK命令对硬盘进行分区B.分区完成后,需要对硬盘进行格式化C.一块硬盘可以划分成任意数量的逻辑分区D.一块硬盘只能有一个基本分区,并且需要将该分区激活才能使用11、磁盘存储器的数据存储速度于什么有关...

1、当您付费下载文档后,您只拥有了使用权限,并不意味着购买了版权,文档只能用于自身使用,不得用于其他商业用途(如 [转卖]进行直接盈利或[编辑后售卖]进行间接盈利)。
2、本站所有内容均由合作方或网友上传,本站不对文档的完整性、权威性及其观点立场正确性做任何保证或承诺!文档内容仅供研究参考,付费前请自行鉴别。
3、如文档内容存在违规,或者侵犯商业秘密、侵犯著作权等,请点击“违规举报”。

碎片内容

计算机维修工初级工试题和答案

确认删除?
VIP
微信客服
  • 扫码咨询
会员Q群
  • 会员专属群点击这里加入QQ群
客服邮箱
回到顶部