电脑桌面
添加小米粒文库到电脑桌面
安装后可以在桌面快捷访问

设备改造方案总结

设备改造方案总结_第1页
1/15
设备改造方案总结_第2页
2/15
设备改造方案总结_第3页
3/15
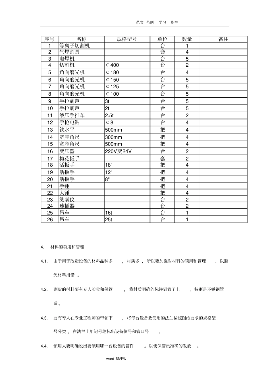
范文 范例学习指导word 整理版南京 DNC 项目设备改造施工方案1.概述南京 DNC 项目共有改造设备89 台。其中塔类设备13 台;热交换器类设备17 台; 泵类设备 7 台;反应器类设备5 台; 容器类设备33 台;其他设备 14 台。此次要改造的设备数量多、 种类多 ,每一台设备要修改的部位都不相同,这应引起所有施工人员的足够的重视。由于没有详细的设备改造图纸,本方案只选择几台较为复杂和有代表性的设备加以阐述, 待有了详细的设备改造图纸后,再针对每一台设备编制详细的施工程序。2.编制依据2.1.甲方提供的图纸资料2.2.JB2880-81 ,JB/T4735-1997 ,JB471-80 , JB4710-92 ,2.3.GB150-1998 ,GB4710-93 ,GB151-1999 ,3.施工前的准备3.1.熟悉图纸仔细阅读甲方提供的改造设备的图纸和改造设备机械数据单,一定要非常清楚的知道每一台改造设备需要修改的部位和如何去修改。这一点是非常重要的。3.2.熟悉现场3.2.1.对照施工平面图,找出每一台要改造设备的具体位置。3.2.2.在设备上明确标出要修改的部位。( 如果可能的话 )3.3.技术交底对施工班组进行详细的技术交底,让每一位施工人员都明确知道他们将要做什么和如何去做 。 这是非常重要的一个环节。 把施工中的安全工作作为一个重点,让每一范文 范例学习指导word 整理版位施工人员都明白他们所做的工作的危险性。3.4.设备部件的预制3.4.1.由于在此次的设备改造工作中,管接头的增加和更换占了一半以上的工作量。因此要保证在停产后45 天内完成设备改造工作,必须提前进行管接头的预制工作。3.4.2.根据图纸要求在预制厂内预制管接头。3.4.2.1.用于管接头的短管的尺寸应符合图纸的要求。3.4.2.2.短管和法兰的材质应符合图纸的要求。3.4.2.3.短管切口的表面应平整,无裂纹 、重皮 、毛刺 、熔渣 、氧化物 、 铁屑等 。切口端面倾斜偏差不应大于管子外径的1% ,且不得超过3mm 。3.4.3.预制好的管接头上要标出所属设备的位号和管口号。3.5.在没有操作平台的修改位置提前搭设好脚手架。3.6.施工用工机具施工用的主要工机具见下表范文 范例学习指导word 整理版序号名称规格型号单位数量备注1等离子切割机台12气焊割具套43电焊机台54切割机¢400台25角向磨光机¢180台46角向磨光机¢150台57角向磨光机¢125台58角向磨光机¢100台59手拉葫芦3t台510手拉葫芦2t台511液压手推车2.5t台212手枪电钻¢8台413铁水平500mm把414宽座角尺300mm把415宽座角尺500mm...

1、当您付费下载文档后,您只拥有了使用权限,并不意味着购买了版权,文档只能用于自身使用,不得用于其他商业用途(如 [转卖]进行直接盈利或[编辑后售卖]进行间接盈利)。
2、本站所有内容均由合作方或网友上传,本站不对文档的完整性、权威性及其观点立场正确性做任何保证或承诺!文档内容仅供研究参考,付费前请自行鉴别。
3、如文档内容存在违规,或者侵犯商业秘密、侵犯著作权等,请点击“违规举报”。

碎片内容

设备改造方案总结

您可能关注的文档

确认删除?
VIP
微信客服
  • 扫码咨询
会员Q群
  • 会员专属群点击这里加入QQ群
客服邮箱
回到顶部