电脑桌面
添加小米粒文库到电脑桌面
安装后可以在桌面快捷访问

试验5音叉的受迫振动与共振

试验5音叉的受迫振动与共振_第1页
1/5
试验5音叉的受迫振动与共振_第2页
2/5
试验5音叉的受迫振动与共振_第3页
3/5
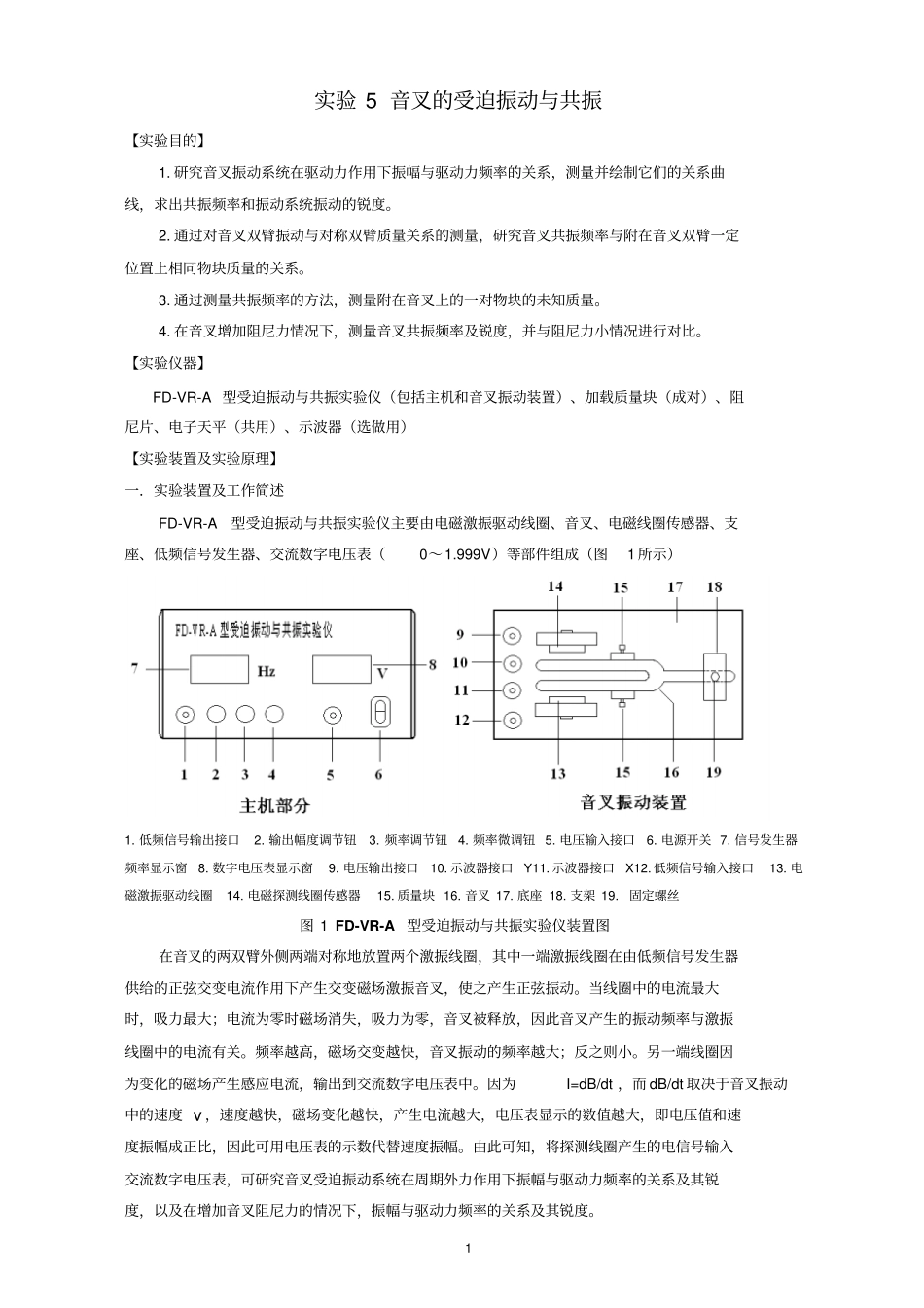
1 实验 5 音叉的受迫振动与共振【实验目的】1. 研究音叉振动系统在驱动力作用下振幅与驱动力频率的关系,测量并绘制它们的关系曲线,求出共振频率和振动系统振动的锐度。2. 通过对音叉双臂振动与对称双臂质量关系的测量,研究音叉共振频率与附在音叉双臂一定位置上相同物块质量的关系。3. 通过测量共振频率的方法,测量附在音叉上的一对物块的未知质量。4. 在音叉增加阻尼力情况下,测量音叉共振频率及锐度,并与阻尼力小情况进行对比。【实验仪器】FD-VR-A 型受迫振动与共振实验仪(包括主机和音叉振动装置)、加载质量块(成对)、阻尼片、电子天平(共用)、示波器(选做用)【实验装置及实验原理】一.实验装置及工作简述FD-VR-A型受迫振动与共振实验仪主要由电磁激振驱动线圈、音叉、电磁线圈传感器、支座、低频信号发生器、交流数字电压表(0~1.999V)等部件组成(图1 所示)1. 低频信号输出接口2. 输出幅度调节钮3. 频率调节钮4. 频率微调钮 5. 电压输入接口6. 电源开关 7. 信号发生器频率显示窗8. 数字电压表显示窗9. 电压输出接口10. 示波器接口Y11. 示波器接口X12. 低频信号输入接口13. 电磁激振驱动线圈14. 电磁探测线圈传感器15. 质量块 16. 音叉 17. 底座 18. 支架 19. 固定螺丝图 1 FD-VR-A型受迫振动与共振实验仪装置图在音叉的两双臂外侧两端对称地放置两个激振线圈,其中一端激振线圈在由低频信号发生器供给的正弦交变电流作用下产生交变磁场激振音叉,使之产生正弦振动。当线圈中的电流最大时,吸力最大;电流为零时磁场消失,吸力为零,音叉被释放,因此音叉产生的振动频率与激振线圈中的电流有关。频率越高,磁场交变越快,音叉振动的频率越大;反之则小。另一端线圈因为变化的磁场产生感应电流,输出到交流数字电压表中。因为I=dB/dt ,而 dB/dt 取决于音叉振动中的速度 v ,速度越快,磁场变化越快,产生电流越大,电压表显示的数值越大,即电压值和速度振幅成正比,因此可用电压表的示数代替速度振幅。由此可知,将探测线圈产生的电信号输入交流数字电压表,可研究音叉受迫振动系统在周期外力作用下振幅与驱动力频率的关系及其锐度,以及在增加音叉阻尼力的情况下,振幅与驱动力频率的关系及其锐度。2 二.实验原理1. 简谐振动与阻尼振动许多振动系统如弹簧振子的振动、单摆的振动、扭摆的振动等,在振幅较小而且在空气阻尼可以忽视的情况下,都可作简谐振动处理。即此类振动...

1、当您付费下载文档后,您只拥有了使用权限,并不意味着购买了版权,文档只能用于自身使用,不得用于其他商业用途(如 [转卖]进行直接盈利或[编辑后售卖]进行间接盈利)。
2、本站所有内容均由合作方或网友上传,本站不对文档的完整性、权威性及其观点立场正确性做任何保证或承诺!文档内容仅供研究参考,付费前请自行鉴别。
3、如文档内容存在违规,或者侵犯商业秘密、侵犯著作权等,请点击“违规举报”。

碎片内容

试验5音叉的受迫振动与共振

确认删除?
VIP
微信客服
  • 扫码咨询
会员Q群
  • 会员专属群点击这里加入QQ群
客服邮箱
回到顶部