电脑桌面
添加小米粒文库到电脑桌面
安装后可以在桌面快捷访问

质量保证体系及措施措施

质量保证体系及措施措施_第1页
1/40
质量保证体系及措施措施_第2页
2/40
质量保证体系及措施措施_第3页
3/40
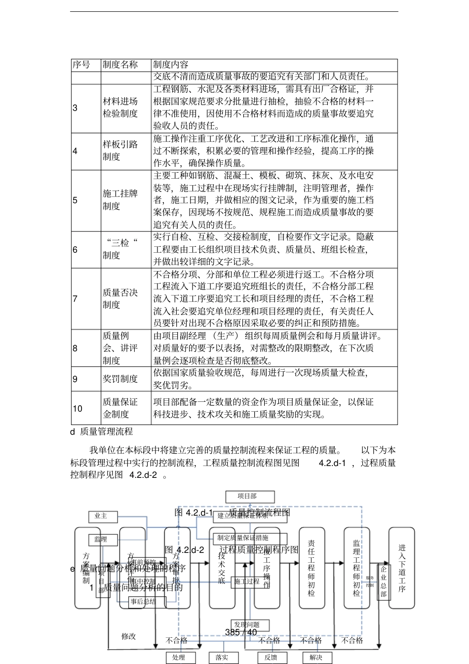
383 / 40 四 质量保证体系及措施1 质量目标质量等级:合格;质量奖项:确保北京市结构长城杯在施工过程中对总体质量目标进行分解量化,通过各个分项工程质量目标的实现来确保总体质量目标的实现。2 质量保证体系a 质量管理组织结构本工程项目质量管理组织机构及质量创优体系组织机构是在政府质量监督部门、业主、监理、企业总部主管部门监督管理之下,以项目经理、项目生产副经理、项目总工程师、 质量总监等为实施主体的组织机构,质量管理组织机构见图 4.2.a-1 。图 4.2.a-1 质量管理组织机构图b 质量管理职责项目主要管理人员及部门的质量管理职责见表4.2.b-1 :表 4.2.b-1 质量管理职责表序号岗位 / 部门职 责 内 容1 项目经理项目质量的第一责任人,负责组织工程质量策划和施工组织设计大纲的编制,制定工程质量实施总目标。2 技术负责人根据工程质量策划和质量计划,组织专项施工方案、工艺标准、操作规程编制,提出质量保证措施。负责工程施工规范、规程和标准管理。3 质量负责人由我单位总部直接委派,对工程质量具有一票否决权;参与工程质量策划和质量计划的编制,指导和监督项目质量工作的实施。贯彻国家及地方的有关工程施工规范、工艺规程、质量标准,严格执行国家施工质量验收统一标准,确保项目总体质量目标和阶段质量目标的实现。4 项目副经理(生产)参与工程质量策划,组织项目质量计划的编制,并指导工程质量管理部工作。制定质量计划和阶段质量实施目标,并对阶段目标的实施情况定期监督、检查和总结;负责定期组织质量讲评、质量总结,以及与业主和业主代表、监理进行有关质量工作的沟通和汇报。企业总部建立质量保证体系业主、监理项目经理项目副经理技术负责人机电副经理土建装饰工程管理部计划协调管理部质量管理部物资设备管理部机电工程管理部总包专业项目部业主直接分包项目部各专业劳务作业队政府质量监督部门384 / 40 5 质量管理部编制专项质量检验计划、过程控制计划、质量预控措施等,对工程质量进行控制;组织检查各工序施工质量,组织重要部位的预检和隐蔽工程检查;组织分部工程的质量核定及单位工程的质量评定;针对不合格品发出“不合格品报告”或“质量问题整改通知”,并监督检查其落实。向业主(监理)报送月度技术质量总结。6 计划协调管理部对图纸、施工方案、工艺标准确定并及时下发,指导工程的施工生产;负责结构预控验算、结构变形监测、工程施工测量和各项试验检测工...

1、当您付费下载文档后,您只拥有了使用权限,并不意味着购买了版权,文档只能用于自身使用,不得用于其他商业用途(如 [转卖]进行直接盈利或[编辑后售卖]进行间接盈利)。
2、本站所有内容均由合作方或网友上传,本站不对文档的完整性、权威性及其观点立场正确性做任何保证或承诺!文档内容仅供研究参考,付费前请自行鉴别。
3、如文档内容存在违规,或者侵犯商业秘密、侵犯著作权等,请点击“违规举报”。

碎片内容

质量保证体系及措施措施

爱的疯狂+ 关注
实名认证
内容提供者

该用户很懒,什么也没介绍

确认删除?
VIP
微信客服
  • 扫码咨询
会员Q群
  • 会员专属群点击这里加入QQ群
客服邮箱
回到顶部