电脑桌面
添加小米粒文库到电脑桌面
安装后可以在桌面快捷访问

质量管理体系过程与标准要素对照表

质量管理体系过程与标准要素对照表_第1页
1/7
质量管理体系过程与标准要素对照表_第2页
2/7
质量管理体系过程与标准要素对照表_第3页
3/7
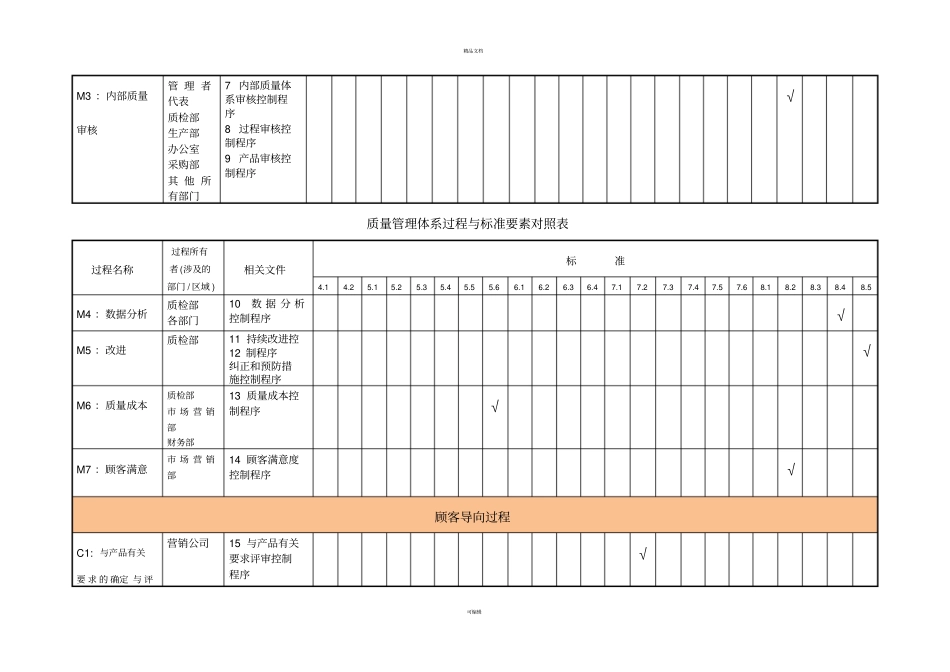
精品文档可编辑附表三 : 质量管理体系过程与标准要素对照表过程名称过程所有者 (涉及的部门 / 区域 )相关文件标准4.14.25.15.25.35.45.55.66.16.26.36.47.17.27.37.47.57.68.18.28.38.48.5管理过程M1: 经 营 管 理策划总经理技术部质检部市 场 营销部生产部采购部办公室财务部1 业务计划控制程序 ;2 各级人员职责与权限控制程序3 质量管理体系的建立、保持与实施控制程序4 质量目标的分解及考核办法5 内部沟通管理办法√√√√√√√√M2 :管理评审总经理办 公 室(协助)6 管理评审控制程序√精品文档可编辑M3 :内部质量审核管 理 者代表质检部生产部办公室采购部其 他 所有部门7 内部质量体系审核控制程序8 过程审核控制程序9 产品审核控制程序√质量管理体系过程与标准要素对照表过程名称过程所有者 (涉及的部门 / 区域 )相关文件标准4.14.25.15.25.35.45.55.66.16.26.36.47.17.27.37.47.57.68.18.28.38.48.5M4 :数据分析质检部各部门10 数 据 分 析控制程序√M5 :改进质检部11 持续改进控12 制程序纠正和预防措施控制程序√M6 :质量成本质检部市 场 营 销部财务部13 质量成本控制程序√M7 :顾客满意市 场 营 销部14 顾客满意度控制程序√顾客导向过程C1: 与产品有关要 求 的 确定 与 评营销公司15 与产品有关要求评审控制程序√精品文档可编辑审C2 :产品质量先期策划APQP 及设计和开发多方论证小组16 产品质量先期策划控制程序17 PFMEA控制程序18 生产件批准程序19 工程更改控制程序质量手册第 C2 章产品质量先期策划;√√质量管理体系过程与标准要素对照表过程名称过程所有者(涉及的部门 / 区域 )相关文件标准4.14.25.15.25.35.45.55.66.16.26.36.47.17.27.37.47.57.68.18.28.38.48.5C3:生产制造过程技术部生产部质检部办公室生产车间生产过程控制程序控制计划的编制与使用控制程序√精品文档可编辑关键工序管理办法特殊工序管理办法C4:产品交付及售后服务市 场 营 销部财务部产品交付控制程序服务控制程序质量手册第C8章√支持过程S1:文件管理质检部技术部文件控制程序记录控制程序√S2:人力资源管理办公室各部门人力资源管理与培训控制程√精品文档可编辑序员工岗位任职要求S3:采购采购部供方管理控制程序采购控制程序√质量管理体系过程与标准要素对照表过程名称过程所有者(涉及的部门 / 区域 )相关文件标准4.14.25.15.25.35.45.55.66.16.26.36...

1、当您付费下载文档后,您只拥有了使用权限,并不意味着购买了版权,文档只能用于自身使用,不得用于其他商业用途(如 [转卖]进行直接盈利或[编辑后售卖]进行间接盈利)。
2、本站所有内容均由合作方或网友上传,本站不对文档的完整性、权威性及其观点立场正确性做任何保证或承诺!文档内容仅供研究参考,付费前请自行鉴别。
3、如文档内容存在违规,或者侵犯商业秘密、侵犯著作权等,请点击“违规举报”。

碎片内容

质量管理体系过程与标准要素对照表

爱的疯狂+ 关注
实名认证
内容提供者

该用户很懒,什么也没介绍

确认删除?
VIP
微信客服
  • 扫码咨询
会员Q群
  • 会员专属群点击这里加入QQ群
客服邮箱
回到顶部