电脑桌面
添加小米粒文库到电脑桌面
安装后可以在桌面快捷访问

后浇带拆模施工方案

后浇带拆模施工方案_第1页
1/8
后浇带拆模施工方案_第2页
2/8
后浇带拆模施工方案_第3页
3/8
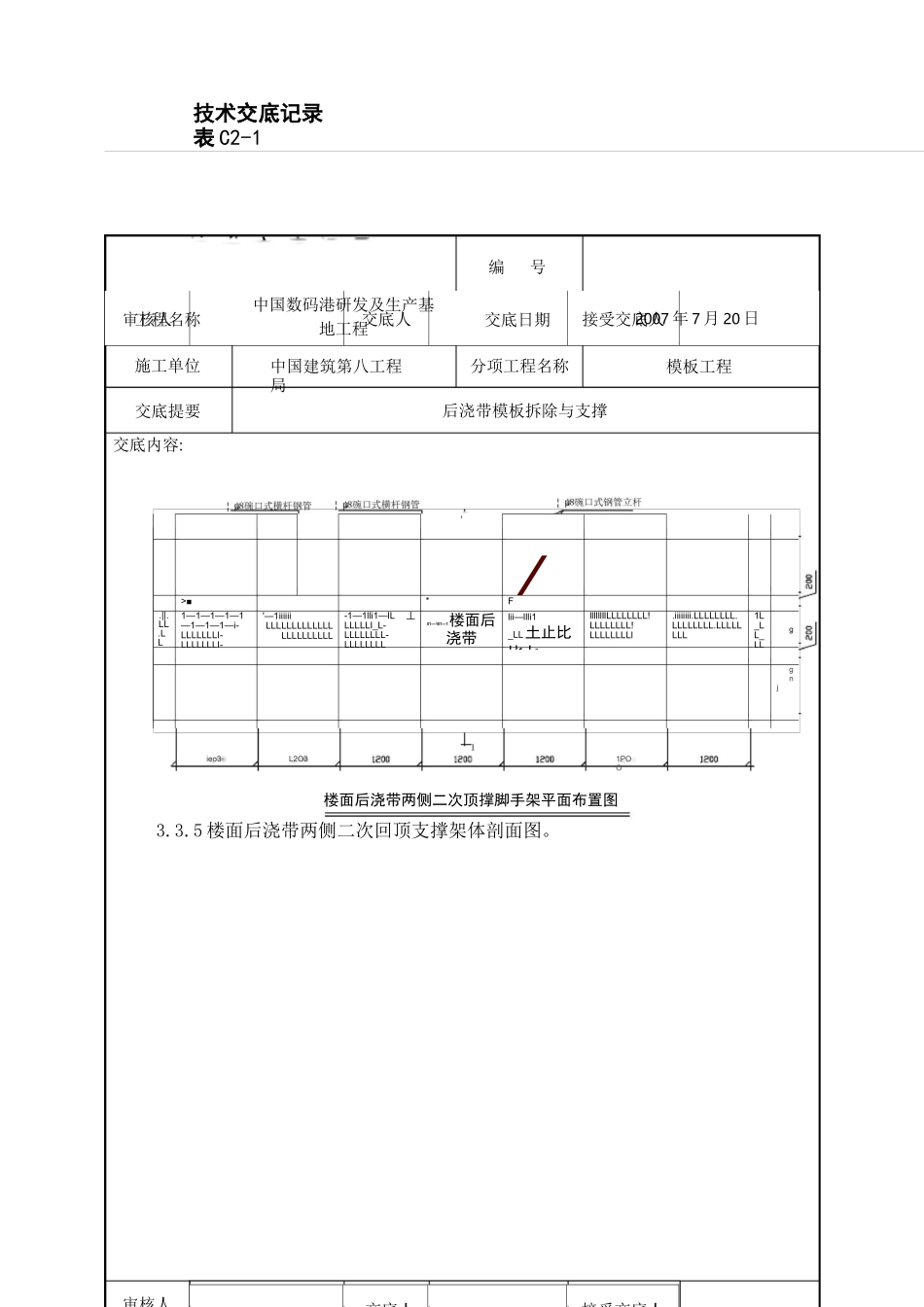
技术交底记录表 C2-1编号工程名称中国数码港研发及生产基地工程交底日期2007 年 7 月 20 日施工单位中国建筑第八工程局分项工程名称模板工程交底提要后浇带模板拆除与支撑交底内容:1. 施工准备1.1 机具准备:锤子、单头扳手、手提锯、钢卷尺;2.2 材料准备:钢管、油托、木方、红砖、扣件;3.3 人员准备:木工 10 人。2. 作业条件2.1 拆模申请已经经技术负责人批准。2.2 拆模段的混凝土强度已达到拆模要求。2.3 工长已对操作人员进行了技术和安全交底。3. 施工工艺3.1 工艺流程梁底模板拆除——梁底回顶——顶板模板拆除——顶板模板回顶严禁梁、板同时拆除后再回顶!3.2 回顶前施工要点3.2.1 主体结构施工时后浇带的墙、梁、板模板与结构层的模板同时施工,以确保后浇带部分的墙、梁、板的几何尺寸、标高与结构工程一致。3.2.2 为保证结构受力要求,梁、板和后浇带模板支撑体系为同一体系。3.2.3 后浇带两侧混凝土浇筑后,后浇带处需采取防护措施进行保护,而且不得随审核人交底人接受交底人技术交底记录表 C2-1交底中国数码港研发及生产基地工程交底日期中国建筑第八工程局分项工程名称2007 年 7 月 20模板工后浇带模板拆除与支混凝土楼交底内容:意挪动。一是防止后浇带部位的钢筋变形或受到破坏;二是避免后浇带部位坠物伤人等事件发生。3.2.4 梁、板结构砼后浇带在各楼层除防护,后浇带部位所在跨混凝土必须达到同条件试块强度 100%后方可进行模板拆除。3.3 回顶支撑的搭设与拆除3.3.1 拆除后浇带部分满堂支撑脚手架时,梁、板不得同时拆除,并随时拆除随时回顶;或者,先拆除后浇带附近模板及支撑,并随即回顶,然后再拆除其他满堂支撑。3.3.2 二次回顶支撑架体应上下楼层对正,并用调节螺杆顶紧。3.3.3 后浇带二次回顶支撑拆除前,后浇带混凝土以同条件的试块强度必须达到 100%。3.3.4 楼面后浇带两侧二次回顶支撑架体平面图。工程施工单木胶合板盖板(通砖墙挡水后浇带 800技术交底记录表 C2-1审核人交底人接受交底人编号ieo31POO工程名称交底日期2007 年 7 月 20 日施工单位中国建筑第八工程局分项工程名称模板工程交底提要后浇带模板拆除与支撑交底内容:楼面后浇带两侧二次顶撑脚手架平面布置图3.3.5 楼面后浇带两侧二次回顶支撑架体剖面图。审核人中国数码港研发及生产基地工程r/>■■F.||.LL.LL1—1—1—1—1—1—1—1—i-LLLLLLLI-LLLLLLLI-'—1iiiiiiLLLLLLLLLLLLLLLLLLLLLLL-1—1lli1—l...

1、当您付费下载文档后,您只拥有了使用权限,并不意味着购买了版权,文档只能用于自身使用,不得用于其他商业用途(如 [转卖]进行直接盈利或[编辑后售卖]进行间接盈利)。
2、本站所有内容均由合作方或网友上传,本站不对文档的完整性、权威性及其观点立场正确性做任何保证或承诺!文档内容仅供研究参考,付费前请自行鉴别。
3、如文档内容存在违规,或者侵犯商业秘密、侵犯著作权等,请点击“违规举报”。

碎片内容

后浇带拆模施工方案

wxg+ 关注
实名认证
内容提供者

该用户很懒,什么也没介绍

确认删除?
VIP
微信客服
  • 扫码咨询
会员Q群
  • 会员专属群点击这里加入QQ群
客服邮箱
回到顶部