电脑桌面
添加小米粒文库到电脑桌面
安装后可以在桌面快捷访问

起重机安全监控管理系统

起重机安全监控管理系统_第1页
1/7
起重机安全监控管理系统_第2页
2/7
起重机安全监控管理系统_第3页
3/7
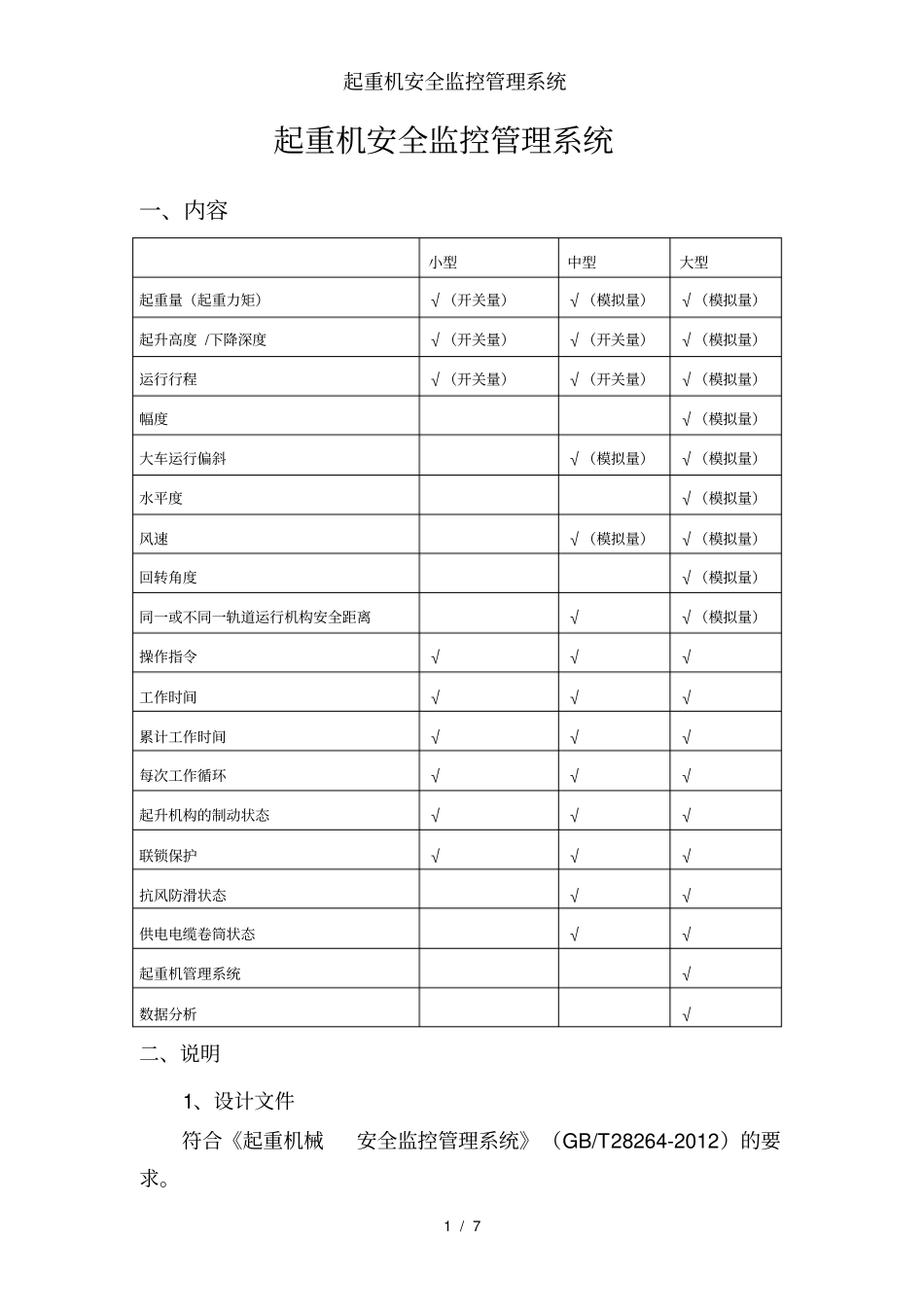
起重机安全监控管理系统1 / 7 起重机安全监控管理系统一、内容小型中型大型起重量(起重力矩)√(开关量)√(模拟量)√(模拟量)起升高度 /下降深度√(开关量)√(开关量)√(模拟量)运行行程√(开关量)√(开关量)√(模拟量)幅度√(模拟量)大车运行偏斜√(模拟量)√(模拟量)水平度√(模拟量)风速√(模拟量)√(模拟量)回转角度√(模拟量)同一或不同一轨道运行机构安全距离√√(模拟量)操作指令√√√工作时间√√√累计工作时间√√√每次工作循环√√√起升机构的制动状态√√√联锁保护√√√抗风防滑状态√√供电电缆卷筒状态√√起重机管理系统√数据分析√二、说明1、设计文件符合《起重机械安全监控管理系统》(GB/T 28264-2012)的要求。起重机安全监控管理系统2 / 7 2、安全监控管理功能要求的硬件配备符合 GB/T 28264-2012 所要求的信号采集单元、信号处理单元、控制输出单元、数据存储单元、信号显示单元、信息导出接口单元等硬件设施。3、管理权限的设定系统管理员的授权, 进入系统后, 需要有登录密码或更高级的身份识别方式。 系统管理员输入正确的密码或其它识别方式后,能够顺利进入系统。4、故障自诊断开机进入系统后, 系统有运行自检的程序,并显示自检结果,系统具有故障自诊断功能。 系统自身发生故障而影响正常使用时,能立即发出报警信号。5、报警装置系统的报警装置能向起重机械操作者和处于危险区域的人员发出清晰的声光报警信号。当发生故障时,系统不但要报警,还能根据设置要求对设备止停。6、文字表达形式现场目测系统显示的所有界面的文字表达形式为简体中文。7、通信协议的开放性(1) 系统有对外开放的硬件接口,通信协议的内容,应符合国家现行标准规定的 MODBUS、TCP/IP、串口等对外开放的协议;(2) 系统通过以太网或USB接口能方便地将记录数据导出。8、显示信息的清晰度在司机座位上,斜视45° 可清晰完整的观察到整个监控画面,包括视频系统的画面,画面上显示的信息不刺目、不干扰视线,清晰可辨。9、系统信息采集源起重机安全监控管理系统3 / 7 对应 GB/T 28264-2012 中表 1 信息采集源。10、监控参数(1) 起重量起升载荷,显示器上显示起重量,显示计量单位为“t ”, 至少保留小数点后两位。(2) 起重力矩起升载荷, 并进行变幅运动, 显示器上显示起重量和相应位置幅度,显示计量单位分别为“t ”和“ m”, 至少保留小数点后两位。(3) 起...

1、当您付费下载文档后,您只拥有了使用权限,并不意味着购买了版权,文档只能用于自身使用,不得用于其他商业用途(如 [转卖]进行直接盈利或[编辑后售卖]进行间接盈利)。
2、本站所有内容均由合作方或网友上传,本站不对文档的完整性、权威性及其观点立场正确性做任何保证或承诺!文档内容仅供研究参考,付费前请自行鉴别。
3、如文档内容存在违规,或者侵犯商业秘密、侵犯著作权等,请点击“违规举报”。

碎片内容

起重机安全监控管理系统

您可能关注的文档

确认删除?
VIP
微信客服
  • 扫码咨询
会员Q群
  • 会员专属群点击这里加入QQ群
客服邮箱
回到顶部