电脑桌面
添加小米粒文库到电脑桌面
安装后可以在桌面快捷访问

起重机械年检记录

起重机械年检记录_第1页
1/6
起重机械年检记录_第2页
2/6
起重机械年检记录_第3页
3/6
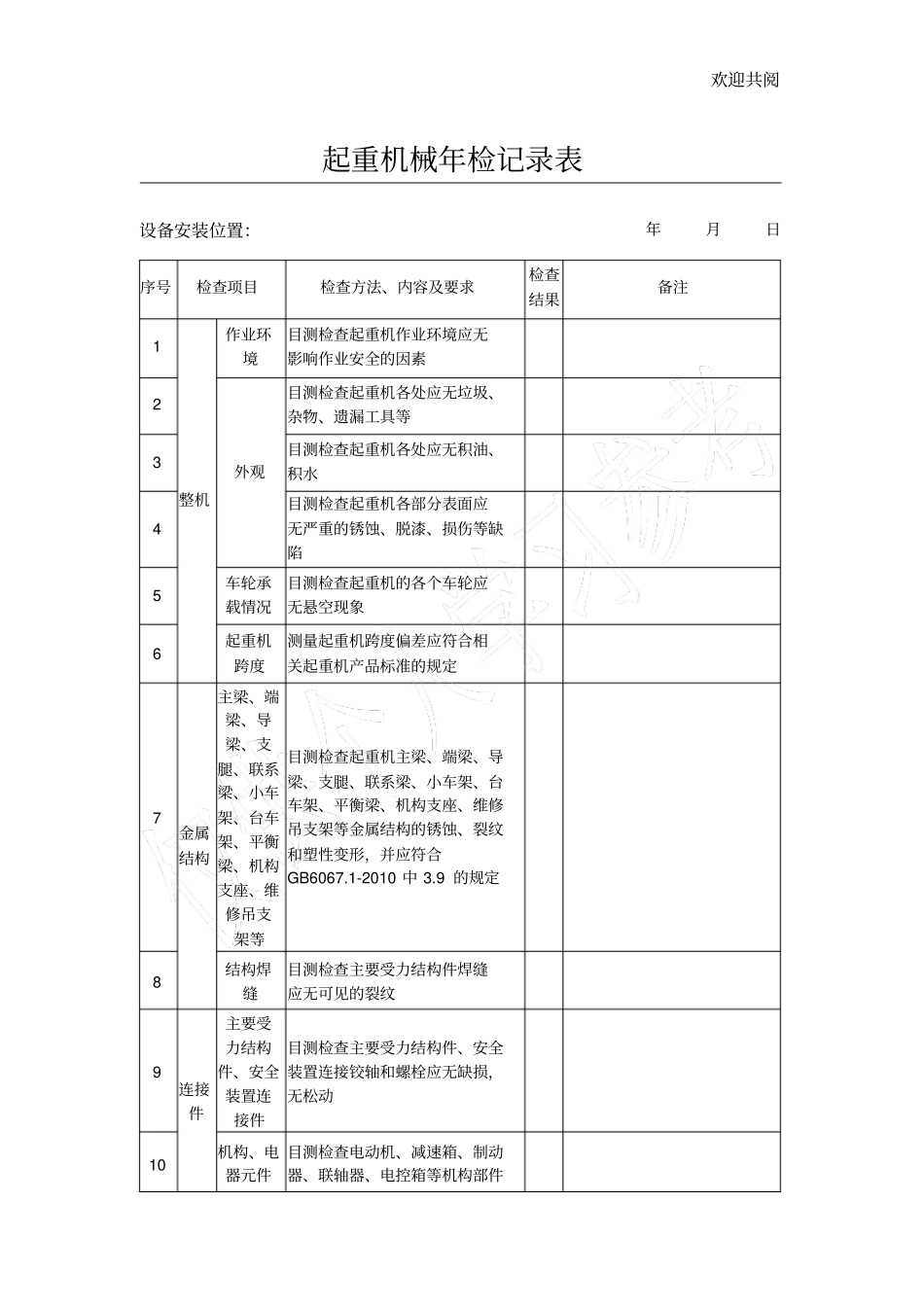
欢迎共阅起重机械年检记录表设备安装位置:年月日序号检查项目检查方法、内容及要求检查结果备注1 整机作业环境目测检查起重机作业环境应无影响作业安全的因素2 外观目测检查起重机各处应无垃圾、杂物、遗漏工具等3 目测检查起重机各处应无积油、积水4 目测检查起重机各部分表面应无严重的锈蚀、脱漆、损伤等缺陷5 车轮承载情况目测检查起重机的各个车轮应无悬空现象6 起重机跨度测量起重机跨度偏差应符合相关起重机产品标准的规定7 金属结构主梁、端梁、导梁、支腿、联系梁、小车架、台车架、平衡梁、机构支座、维修吊支架等目测检查起重机主梁、端梁、导梁、支腿、联系梁、小车架、台车架、平衡梁、机构支座、维修吊支架等金属结构的锈蚀、裂纹和塑性变形,并应符合GB6067.1-2010 中 3.9 的规定8 结构焊缝目测检查主要受力结构件焊缝应无可见的裂纹9 连接件主要受力结构件、安全装置连接件目测检查主要受力结构件、安全装置连接铰轴和螺栓应无缺损,无松动10 机构、电器元件目测检查电动机、减速箱、制动器、联轴器、电控箱等机构部件欢迎共阅连接件的连接螺栓应无缺损,无松动11 机构起升机构通过空载试验检查起升机构应无异常声响、振动,运行平稳12 起重机运行机构通过空载试验检查起重机运行机构应无异常声响、振动13 目测检查应无影响起重机使用的歪斜跑偏、啃轨等14 通过空载试验检查小车运行机构15 目测检查小车应无影响使用的歪斜跑偏、啃轨等16 起重机供电装置通过空载试验检查起重机供电装置应无异常声响、振动17 小车供电装置通过空载试验检查起重机供电装置应无异常声响、振动18 吊具机构通过空载试验检查吊具机构应无异常声响、振动,转动灵活无卡阻19 葫芦通过空载试验检查葫芦应无异常声响、振动20 关键零部件吊具检查吊具焊缝及吊具结构应无影响安全的磨损及变形、且应无异响21 目测检查吊具销轴应无松动、脱出,轴端固定装置应安全有效22 目测检查吊钩闭锁装置、吊钩螺母防松装置应有效23 按 GB/T 10051.2 和 GB/T10051.3规定的方法检查锻造吊钩的表面裂纹、变形、磨损、腐蚀,并应符合其要求24 钢丝绳按照 GB/T 5972 规定的方法检查钢丝绳,并应符合其要求25 目测检查钢丝绳应无明显的机械损伤欢迎共阅26 目测检查滚筒及滑轮上钢丝绳应无跳槽或脱槽等现象27 目测检查钢丝绳端部固定情况应满足相应要求28 目测检查钢丝绳表面不应有明显漏出的新丝29 卷筒30 滑轮31 目测检查滑轮应转动...

1、当您付费下载文档后,您只拥有了使用权限,并不意味着购买了版权,文档只能用于自身使用,不得用于其他商业用途(如 [转卖]进行直接盈利或[编辑后售卖]进行间接盈利)。
2、本站所有内容均由合作方或网友上传,本站不对文档的完整性、权威性及其观点立场正确性做任何保证或承诺!文档内容仅供研究参考,付费前请自行鉴别。
3、如文档内容存在违规,或者侵犯商业秘密、侵犯著作权等,请点击“违规举报”。

碎片内容

起重机械年检记录

您可能关注的文档

确认删除?
VIP
微信客服
  • 扫码咨询
会员Q群
  • 会员专属群点击这里加入QQ群
客服邮箱
回到顶部