电脑桌面
添加小米粒文库到电脑桌面
安装后可以在桌面快捷访问

起重机维修保养内容表格

起重机维修保养内容表格_第1页
1/15
起重机维修保养内容表格_第2页
2/15
起重机维修保养内容表格_第3页
3/15
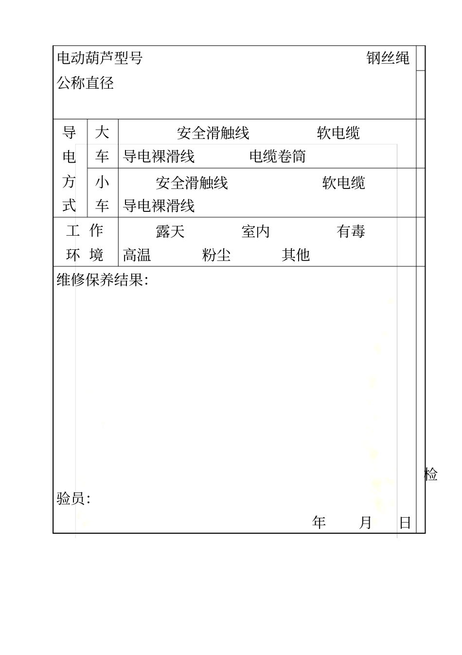
起重机维修保养内容表格基 本 情 况使用单位联 系人邮政编码联系电话施工(使用)地点台数用户设备编号维保单位主 要 参 数设备名称电动单梁起重机规格型号规格型号MH t-- m 工作级别额定起重量主钩:(t)起 升高 度(m)大车 运 行 速度(m/min )小车运行速度(m/min )操作方式电动葫芦型号钢丝绳公称直径导电方式大车安全滑触线软电缆导电裸滑线电缆卷筒小车安全滑触线软电缆导电裸滑线工 作环 境露天室内有毒高温粉尘其他维修保养结果:检验员:年月日起重机维修保养台账一、月检查月检是由工程技术人员和专职负责安全技术人员,根据使提供的情况进行检查,检查记录应予以存档。在月检中主要是依靠目测、 听觉和手感等直观方法进查。因此在检查中必须取下外罩检查,随时确定安全程度、 磨损状况和运转状况, 确定进行必要的检维护和保养。月检项目与内容见表1 .检查内容的分类要求如下:A 类:是与保证起重机安全可靠性有关的项目,是月检中点检查内容,每个月必须至少检查一次。B 类:是与保证起重机能无故障正常运转使用的重点检查项主要是机械、电气方面重点维护内容,可以每三个月检查一次。C 类:是与起重机各部分磨损破坏有关在一般检查项目,每六个月检查一次。所有表中的“检验结果”栏如有测量数据要求时应填写实测数据,无如数据要求时应采用“√”、“×”和“ / ”分别表示“合格”、“不合格”和“无此项” 。表 1 月检项目与内容序号分类月检项目月检内容与要求检查结果1 B 整机性能起升异常检查在满载起升时,目测主梁或吊载是否有异常振动,倾听各机构是否有异常声音,在可能时手触各齿轮箱、电机是否有异常发热,分析这些异常的原因,并排除这些异常现象。2 B 下降下滑检查满载下降中停车,如果下滑量过大,应及时调整起升制动器间隙,直至刹车正常。3 A 小车运行检查观察葫芦运行小车是否爬坡吃力、运行打滑、车轮悬空、啃轨、轮缘爬轨等现象。如有上述现象,应检查主梁是否刚性太差,轨道面上是否有油污,运行小车制造装配精度是否太差等。4 A 大车起、制动检查检查起重机在起、制动时,是否有明显的不同步现象,如果有应及时调整大车运行制动间隙,最好由同一人调整分别驱动的两个制动器。5 A 起重机运行中的检查察看起重机在运行中是否有异常蛇形、扭动、侧向滑移、歪斜跑偏、啃道、异常声响等现象,做好标记,查找原因。6 B 起重机运行中的刹车检查检查运行制动器刹车动作...

1、当您付费下载文档后,您只拥有了使用权限,并不意味着购买了版权,文档只能用于自身使用,不得用于其他商业用途(如 [转卖]进行直接盈利或[编辑后售卖]进行间接盈利)。
2、本站所有内容均由合作方或网友上传,本站不对文档的完整性、权威性及其观点立场正确性做任何保证或承诺!文档内容仅供研究参考,付费前请自行鉴别。
3、如文档内容存在违规,或者侵犯商业秘密、侵犯著作权等,请点击“违规举报”。

碎片内容

起重机维修保养内容表格

文库响当当+ 关注
实名认证
内容提供者

该用户很懒,什么也没介绍

确认删除?
VIP
微信客服
  • 扫码咨询
会员Q群
  • 会员专属群点击这里加入QQ群
客服邮箱
回到顶部