电脑桌面
添加小米粒文库到电脑桌面
安装后可以在桌面快捷访问

路基填方试验路段施工方案

路基填方试验路段施工方案_第1页
1/13
路基填方试验路段施工方案_第2页
2/13
路基填方试验路段施工方案_第3页
3/13
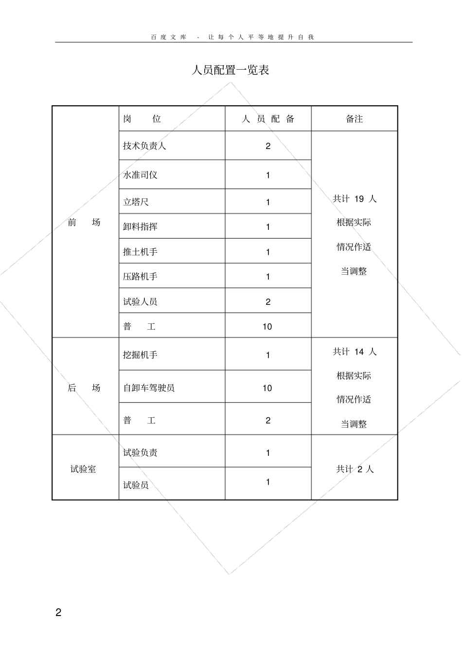
百 度 文 库-让 每 个 人 平 等 地 提 升 自 我1雅西高速公路C1合同段路基填方试验路段施工方案一、 试验目的为了验证填方路基施工工艺,检验所采用的机械设备是否能满足路基填方施工的取料、运输、摊铺、碾压的工艺和效率。以确保我段施工组织设计的科学性、可靠性及施工工艺的合理性和适应性。通过试验路段的铺筑,我们将取得路基填方施工的松铺系数、松铺厚度、土料的最佳含水量、压实机械的选择、碾压遍数与压实度的关系和压实方法, 合理的作业段长度和人员组合等各种指导性的技术数据,从而优化取料、运输、摊铺、碾压等施工机械设备的合理组合及工序衔接,明确人员岗位职责,提出最佳施工方案,报监理工程师审批认可以后,以指导今后大面积的路基填方施工。二、 施工组织试验路段的选择我部将于2008年月日进行试验路段的铺筑工作,试验路段拟定在K4+350~K4+500段,为了使试验路段的铺筑能圆满成功,特设立路基填方试验路段领导小组,组长:张建明,副组长:刘大华、税鑫,前场负责人:奉佳波,工程技术员:何平、李涛,试验检测负责人:徐显宏,试验员:吴俊。人员配备及机械设备配置见人员及设备一览表。百 度 文 库-让 每 个 人 平 等 地 提 升 自 我2人员配置一览表前场岗位人 员 配 备备注技术负责人2 共计 19 人根据实际情况作适当调整水准司仪1 立塔尺1 卸料指挥1 推土机手1 压路机手1 试验人员2 普工10 后场挖掘机手1 共计 14 人根据实际情况作适当调整自卸车驾驶员10 普工2 试验室试验负责1 共计 2 人试验员1 百 度 文 库-让 每 个 人 平 等 地 提 升 自 我3机械设备配置一览表名称规 格 型 号数量(台)(套)挖掘机VOLVO 210LB1 推土机山推1601 振动压路机山推SR20M1 自卸汽车6T 以内10 指挥车2 洒水车1 三、施工准备1、技术准备: 在 K5+200~K5+500段取代表性土样做重型击实试验、CBR,塑、液限,含水量,颗粒分析等,确定土的最佳含水量ω 和最大干密度ρdmax ,并绘制干密度与含水量的关系曲线。用于路基的填料应符合下列规定:a、含草皮、生活垃圾、树根、腐殖土的土严禁作为路基填料。b 、泥炭、淤泥、冻土、强膨胀土、有机质土及易溶盐超过允许含量的土,不得直接用于填筑路基;确需使用时,必须采取技术措施进行处理,经检验满足设计要求后方可使用。c、液限大于50 %、塑性指数大于 26 、含水量不适宜直接压实的细粒土,不得直接作...

1、当您付费下载文档后,您只拥有了使用权限,并不意味着购买了版权,文档只能用于自身使用,不得用于其他商业用途(如 [转卖]进行直接盈利或[编辑后售卖]进行间接盈利)。
2、本站所有内容均由合作方或网友上传,本站不对文档的完整性、权威性及其观点立场正确性做任何保证或承诺!文档内容仅供研究参考,付费前请自行鉴别。
3、如文档内容存在违规,或者侵犯商业秘密、侵犯著作权等,请点击“违规举报”。

碎片内容

路基填方试验路段施工方案

您可能关注的文档

确认删除?
VIP
微信客服
  • 扫码咨询
会员Q群
  • 会员专属群点击这里加入QQ群
客服邮箱
回到顶部