电脑桌面
添加小米粒文库到电脑桌面
安装后可以在桌面快捷访问

路基路面压实度标准城镇道路验收标准

路基路面压实度标准城镇道路验收标准_第1页
1/3
路基路面压实度标准城镇道路验收标准_第2页
2/3
路基路面压实度标准城镇道路验收标准_第3页
3/3
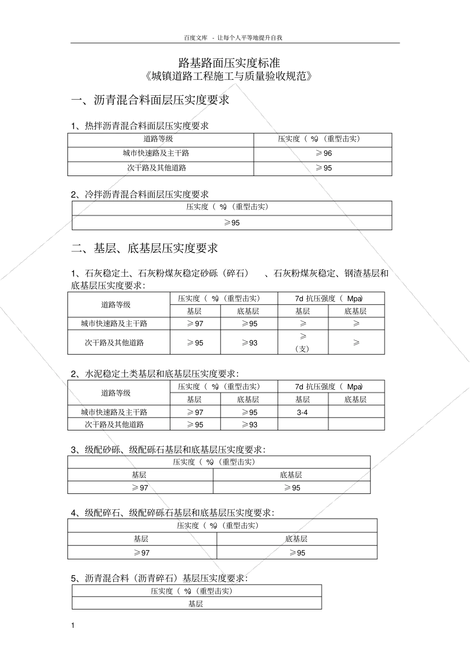
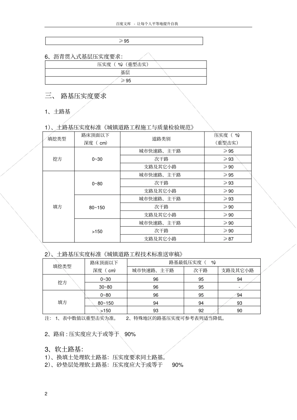
百度文库- 让每个人平等地提升自我1 路基路面压实度标准《城镇道路工程施工与质量验收规范》一、沥青混合料面层压实度要求1、热拌沥青混合料面层压实度要求道路等级压实度( %)(重型击实)城市快速路及主干路≥96 次干路及其他道路≥95 2、冷拌沥青混合料面层压实度要求压实度( %)(重型击实)≥95 二、基层、底基层压实度要求1、石灰稳定土、石灰粉煤灰稳定砂砾(碎石)、石灰粉煤灰稳定、钢渣基层和底基层压实度要求:道路等级压实度( %)(重型击实)7d 抗压强度( Mpa)基层底基层基层底基层城市快速路及主干路≥97 ≥95 ≥≥次干路及其他道路≥95 ≥93 ≥(支)≥2、水泥稳定土类基层和底基层压实度要求:道路等级压实度( %)(重型击实)7d 抗压强度( Mpa)基层底基层基层底基层城市快速路及主干路≥97 ≥95 3-4 次干路及其他道路≥95 ≥93 3、级配砂砾、级配砾石基层和底基层压实度要求:压实度( %)(重型击实)基层底基层≥97 ≥95 4、级配碎石、级配碎砾石基层和底基层压实度要求:压实度( %)(重型击实)基层底基层≥97 ≥95 5、沥青混合料(沥青碎石)基层压实度要求:压实度( %)(重型击实)基层百度文库- 让每个人平等地提升自我2 ≥95 6、沥青贯入式基层压实度要求:压实度( %)(重型击实)基层≥95 三、 路基压实度要求1、土路基1)、土路基压实度标准《城镇道路工程施工与质量检验规范》填挖类型路床顶面以下深度( cm)道路类别压实度( %)(重型击实)挖方0~30 城市快速路、主干路≥95 次干路≥93支路及其它小路≥90填方0~80 城市快速路、主干路≥95 次干路≥93支路及其它小路≥9080~150 城市快速路、主干路≥93 次干路≥90支路及其它小路≥90>150 城市快速路、主干路≥90 次干路≥90支路及其它小路≥872)、土路基压实度标准《城镇道路工程技术标准送审稿》填挖类型路床顶面以下深度( cm)路基最低压实度(%)城市快速路、主干路次干路支路及其它小路挖方0~3096 95 94 30~8096 95 - 填方0~8096 95 94 80~15094 94 93 >150 93 92 90 注: 1、表中数值以重型击实为准。2、特殊地区的路基压实度可参考表列适当降低。2、路肩 : 压实度应大于或等于90% 3、软土路基:1)、换填土处理软土路基:压实度要求同土路基。2)、砂垫层处理软土路基:压实度应大于或等于90% 百度文库- 让每个人平等地提升自我3 四、沥青贯入式与沥青表面处治面层压实...

1、当您付费下载文档后,您只拥有了使用权限,并不意味着购买了版权,文档只能用于自身使用,不得用于其他商业用途(如 [转卖]进行直接盈利或[编辑后售卖]进行间接盈利)。
2、本站所有内容均由合作方或网友上传,本站不对文档的完整性、权威性及其观点立场正确性做任何保证或承诺!文档内容仅供研究参考,付费前请自行鉴别。
3、如文档内容存在违规,或者侵犯商业秘密、侵犯著作权等,请点击“违规举报”。

碎片内容

路基路面压实度标准城镇道路验收标准

您可能关注的文档

确认删除?
VIP
微信客服
  • 扫码咨询
会员Q群
  • 会员专属群点击这里加入QQ群
客服邮箱
回到顶部