电脑桌面
添加小米粒文库到电脑桌面
安装后可以在桌面快捷访问

路基防护工程施工技术方案

路基防护工程施工技术方案_第1页
1/5
路基防护工程施工技术方案_第2页
2/5
路基防护工程施工技术方案_第3页
3/5
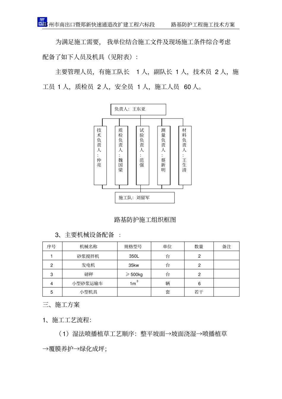
郑州市南出口暨郑新快速通道改扩建工程六标段路基防护工程施工技术方案路基防护工程施工技术方案一、工程概况路基边坡防护有植草和拱形骨架两种形式,其中(填方高度 H):H<2m 的土质边坡(含坡道及碎落台)采用湿法喷播植草防护;2m≤H<6m 的土质边坡(含坡道及碎落台)采用湿法喷播植草+种植紫穗槐防护; H≥6m 土质边坡采用 M7.5 浆砌片石拱形骨架防护。路基挡土墙防护详见挡土墙施工技术方案。防护工程量:工程名称单位数量植草植草m252078 紫穗槐株5763 拱形骨架M7.5 浆砌片石m32584 C20砼镶边石m376 挖方m32244 砂砾垫层m3524 抹面m23957 二、施工准备1、原材料准备砂子采用鲁山产。 所用砂必须洁净, 不得含有草根、 泥块等杂物,砂的含泥量不应超过3%。(4)水泥:统一采用许昌天瑞Po.325 硅酸盐水泥。(5)草种及紫穗槐:就近从苗木草种市场采购。2、施工现场准备(1)施工现场做好临时防排水系统、架设合理的电力系统、配备完好的混凝土原材料计量设备等。(2)人员及机械配备郑州市南出口暨郑新快速通道改扩建工程六标段路基防护工程施工技术方案为满足施工需要, 我单位结合施工文件及现场施工条件综合考虑配备了如下人员及机具(见附表):主要管理人员,有施工队长1 人,副队长 1 人,技术员 2 人,施工员 1 人,质检员 2 人,安全员 1 人,施工人员 60 人。路基防护施工组织框图3、主要机械设备配备:序号机械名称规格型号单位数量备注1 砂浆搅拌机350L 台2 2 发电机35kw 台2 3 磅秤≥ 500kg 台2 4 小型砂浆运输车1m3辆6 5 小型机具套若干三、施工方案1、施工工艺流程:(1)湿法喷播植草工艺顺序:整平坡面→坡面浇湿→喷播植草→覆膜养护→绿化成坪;负责人:王东亚技术负责人:仲亮质检负责人:魏国梁试验负责人:范强测量负责人:蔡新明材料负责人:王生清施工队:刘留军郑州市南出口暨郑新快速通道改扩建工程六标段路基防护工程施工技术方案基槽开挖砼镶边石预制镶边石片石砌拱架勾缝、养护拱架内植草施工准备测量放样坡面修整2、主要施工方法(1)喷播植草喷播植生防护技术是利用液态播种原理,将生命力顽强、 且能满足各种绿化功能的植物种子经科学处理后与肥料、防土壤侵蚀剂、 内覆纤维材料、 保水剂、色素及水按一定比例放入混料罐内将混合液搅拌至全悬浮状后, 利用离心泵把混合液导入消防软管,经喷枪喷播在欲建边坡裸地, 形成均匀覆盖层保护下的植物种子层,再...

1、当您付费下载文档后,您只拥有了使用权限,并不意味着购买了版权,文档只能用于自身使用,不得用于其他商业用途(如 [转卖]进行直接盈利或[编辑后售卖]进行间接盈利)。
2、本站所有内容均由合作方或网友上传,本站不对文档的完整性、权威性及其观点立场正确性做任何保证或承诺!文档内容仅供研究参考,付费前请自行鉴别。
3、如文档内容存在违规,或者侵犯商业秘密、侵犯著作权等,请点击“违规举报”。

碎片内容

路基防护工程施工技术方案

您可能关注的文档

确认删除?
VIP
微信客服
  • 扫码咨询
会员Q群
  • 会员专属群点击这里加入QQ群
客服邮箱
回到顶部