电脑桌面
添加小米粒文库到电脑桌面
安装后可以在桌面快捷访问

路缘石施工工法VIP专享

路缘石施工工法_第1页
1/8
路缘石施工工法_第2页
2/8
路缘石施工工法_第3页
3/8
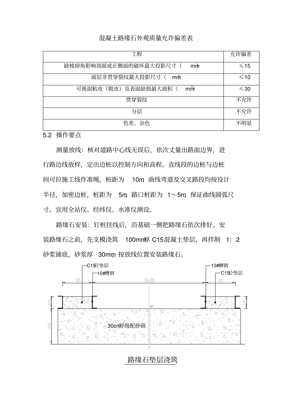
路缘石安装施工工法1、前言路缘石【 curb 】指的是设在路面边缘的界石,简称缘石。它是作为设置在路面边缘与其它构造带分界的条石, 起到保障行人,车辆交通安全和保证路面边缘齐整的作用,同时起到利于排除路面水的作用。路缘石主要有 : 立缘石 ( 侧石 ),平缘石 (平石 ) 、专用路缘石 ( 包括弯道路缘石、隔离带路缘石、反光路缘石、减速路缘石) 等。路缘石宜用石材或混凝土制作。2、工法特点本工法通过优化设计路缘石的顺直度,稳固度,混凝土的抗压强度,加快了施工进度,能够创造较高的经济效益。3、适用范围本工法适用于快速路、一级公路、城市道路等工程的施工,也可用于乡镇及小区道路的施工。4、工艺原理4.1 通过确定合理的施工工艺和顺序,保证工程质量、加快施工速度。5 、施工工艺流程及操作要点5.1 施工工艺流程5.1.1 工艺流程路缘石预制→运输→施工放样→路缘石垫层浇筑→路缘石安装→靠背浇注→养生5.1.2 混凝土路缘石质量要求: 采用 C30 混凝土的立沿石,其成型的表面应平整、棱角整齐、无裂纹、色泽一致。其外形尺寸应符合设计要求,允许偏差应符合下表的规定。混凝土路缘石外观质量允许偏差表5.2 操作要点测量放线:核对道路中心线无误后,依次丈量出路面边界,进行路边线放样,定出边桩以控制方向和高程。直线段的边桩与边桩间可拉施工线作准绳,桩距为10m;曲线弯道及交叉路段均按设计半径,加密边桩,桩距为5m,路口桩距为 1~5m,保证曲线圆弧尺寸。宜用全站仪、经纬仪、水准仪测设。路缘石安装:钉桩挂线后,沿基础一侧把路缘石依次排好。安装路缘石之前,先支模浇筑100mm厚 C15混凝土垫层,再拌制1:2砂浆铺底,砂浆厚30mm,按放线位置安装路缘石。 路缘石垫层浇筑10#槽钢C15砼垫层10#槽钢C15砼垫层30cm厚级配砂砾工程允许偏差缺棱掉角影响顶面或正侧面的破坏最大投影尺寸(mm)≤15面层非贯穿裂纹最大投影尺寸(mm)≤10可视面粘皮(脱皮)及表面缺损最大面积(mm2)≤30贯穿裂纹不允许分层不允许色差、杂色不明显事先计算好每段路口路缘石块数,砌筑时路段短时由一侧路口切点安砌到另一侧路口切点;路段长时由中间向两端铺砌与路口异型缘石顺接。路缘石调整块应作机械切割成型或以现浇同强度等级混凝土制作,不得用砖砌抹面方式做路缘石调整块,雨水口处的路缘石应与雨水口配合施工, 相邻路缘石缝隙用8mm厚铁板或塑料板控制,相邻路缘石的缝隙应均匀一致。路缘石安装后,必须再挂线,调整路缘...

1、当您付费下载文档后,您只拥有了使用权限,并不意味着购买了版权,文档只能用于自身使用,不得用于其他商业用途(如 [转卖]进行直接盈利或[编辑后售卖]进行间接盈利)。
2、本站所有内容均由合作方或网友上传,本站不对文档的完整性、权威性及其观点立场正确性做任何保证或承诺!文档内容仅供研究参考,付费前请自行鉴别。
3、如文档内容存在违规,或者侵犯商业秘密、侵犯著作权等,请点击“违规举报”。

碎片内容

路缘石施工工法

确认删除?
VIP
微信客服
  • 扫码咨询
会员Q群
  • 会员专属群点击这里加入QQ群
客服邮箱
回到顶部