电脑桌面
添加小米粒文库到电脑桌面
安装后可以在桌面快捷访问

轨枕技术标准VIP专享

轨枕技术标准_第1页
1/11
轨枕技术标准_第2页
2/11
轨枕技术标准_第3页
3/11
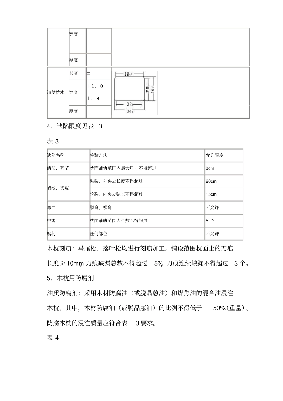
铁路枕木一、枕木的分类材料属性分类:木制枕木;钢筋混凝土枕木;复合材料枕木。用途分类:铁路枕木;专用轨道枕木;架设枕木。铁路枕木分类:普通枕木,用于铁路正线线路的普通枕木;道岔枕木,用于铁路交汇处道岔区域;桥梁枕木,用于铁路钢结构桥梁设备的桥面线路铺设;铁路防腐木枕型号分类(按中国标准) :二、常用枕木的规格目前,我国的标准铁路轨距为1435mm。标准的枕木规格如下:1、普通枕木:宽度220mm;厚度 160mm;长度 2500mm;2、道岔枕木(普通):宽度 220mm;厚度 160mm;长度 2600~4850mm,以 150mm进位,共计 16 个长度规格;3、道岔枕木(标准):宽度 240mm;厚度 160mm;长度 2600~4800mm,以 200mm进位,共计 12 个长度规格;4、桥梁枕木: 宽度 220mm;厚度 240、260、280、300mm;长度 3000mm;枕木尺寸普通木枕:标准长度为2500mm,其断面形状分为I 、Ⅱ两类,用于不同等级的线路上。I 类:宽度 220mm,厚度 160mm;Ⅱ类:宽度 200mm,厚度 145mm;道岔木枕:断面尺寸为两种标准;75 型标准为:宽度 220mm,厚度 160mm;长度从 2600mm至 4850mm,每种长度相差 150mm,共 16 个长度规格。92 型标准为:宽度 240mm,厚度 160mm;长度从 2600mm至 4800mm,每种长度相差 200mm,共 12 个长度规格。桥梁木枕:其截面尺寸因主梁(或纵梁)中心间距的大小而异。单线桥梁:长度3000mm,宽度 200、220,高度 220、240、260、280、300mm;三、木制轨枕1、技术条件树种:落叶松、马尾松、红松等。2、枕木的尺寸见表1表 1类别类型长度 ( ㎝)厚度 (cm)宽度 (cm)备注普枕Ⅰ2501622普枕Ⅱ25020岔枕15 进位260-4851622岔枕20 进位260-4801624桥枕30020243、尺寸公差应符合表2 的规定表 2( 单位: cm)类别公差断面形状及尺寸种类限度普通枕木长度±宽度厚度道岔枕木长度±宽度+1.0-1. 9厚度4、缺陷限度见表 3表 3缺陷名称检验方法允许限度活节、死节枕面铺轨范围内最大尺寸不得超过8cm裂纹、夹皮纵裂、外夹皮长度不得超过60cm轮裂、内夹皮弦长不得超过15cm弯曲顺弯、横弯不允许虫害枕面铺轨范围内个数不得超过5 个腐朽任何部位不允许木枕刻痕:马尾松、落叶松均进行刻痕加工。铺设范围枕面上的刀痕长度≥ 10mm,刀痕缺漏总数不得超过5%,刀痕连续缺漏不得超过3 个。5、木枕用防腐剂油质防腐剂:采用木材防腐油(或脱晶蒽油)和煤焦油的混合油浸注木枕,其中,木材...

1、当您付费下载文档后,您只拥有了使用权限,并不意味着购买了版权,文档只能用于自身使用,不得用于其他商业用途(如 [转卖]进行直接盈利或[编辑后售卖]进行间接盈利)。
2、本站所有内容均由合作方或网友上传,本站不对文档的完整性、权威性及其观点立场正确性做任何保证或承诺!文档内容仅供研究参考,付费前请自行鉴别。
3、如文档内容存在违规,或者侵犯商业秘密、侵犯著作权等,请点击“违规举报”。

碎片内容

轨枕技术标准

确认删除?
VIP
微信客服
  • 扫码咨询
会员Q群
  • 会员专属群点击这里加入QQ群
客服邮箱
回到顶部