电脑桌面
添加小米粒文库到电脑桌面
安装后可以在桌面快捷访问

刹车盘铸件技术标准

刹车盘铸件技术标准_第1页
1/4
刹车盘铸件技术标准_第2页
2/4
刹车盘铸件技术标准_第3页
3/4
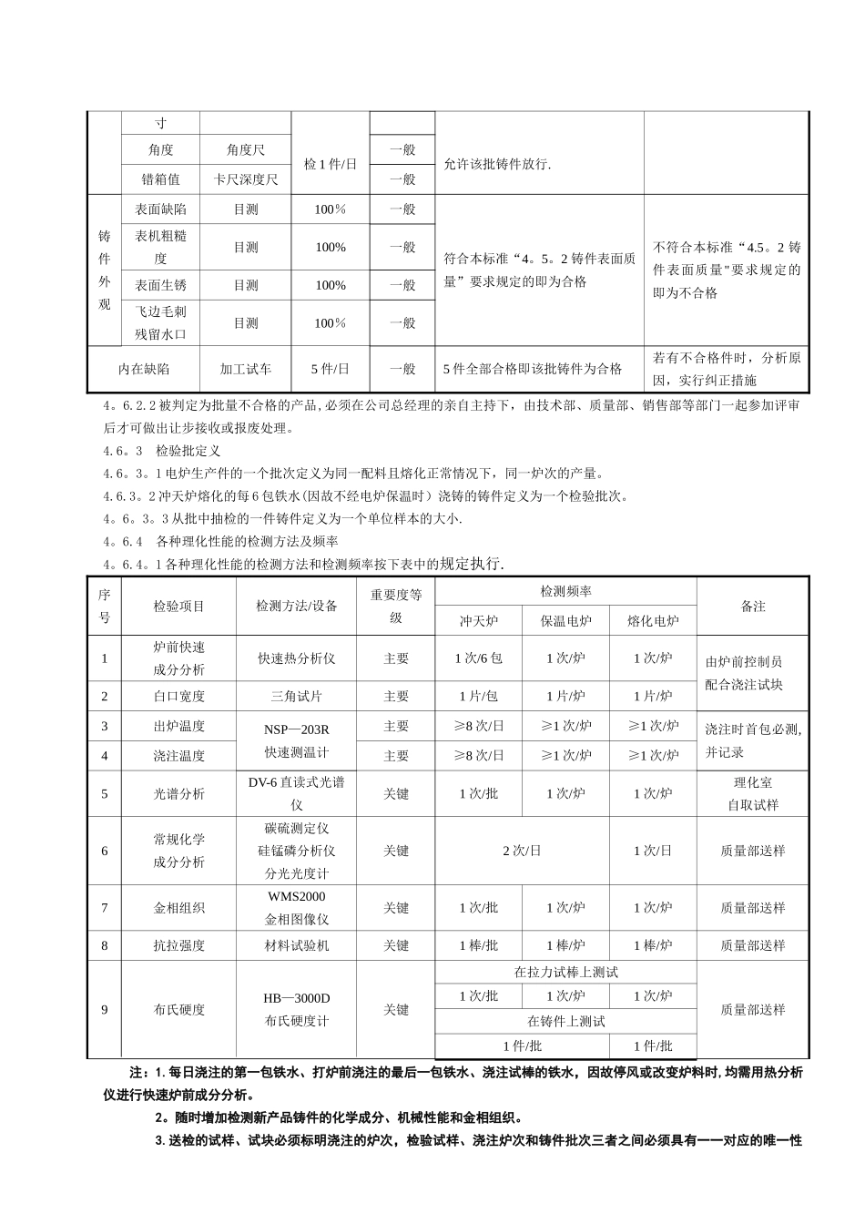
Y B M刹车盘铸件检验与验收标准文件编号:DT-002版次:A / 0共 7 页 第 页编写:—审核: 批准: 1 目的为保证公司刹车盘类铸件的产品质量,保证生产、检验和验收时有可遵循的依据,特制定本标准。2 适用范围本标准适用于本公司刹车盘类铸件的生产、检验和验收.3 引用文件ASTMA159—83 美国《汽车用灰铸铁件的标准法律规范》、ASTMA247 GB9439—88 4 管理内容与技术要求4。1 材料力学性能4。1.1 参照 ASTMA159-83 标准中机动车辆用灰铸铁(G3000)的力学性能,将我们公司刹车盘类铸件的力学性能规定如下: 铸铁牌号:HT250。抗拉强度:σb≥230N/mm2。铸件硬度:HB180-240,硬度值以检验铸件本体硬度来验收铸件。4.2 金相组织:4.2。1 参照 ASTMA247 标准中机动车辆用灰铸铁金相组织,将我们公司刹车盘铸件的金相组织规定如下:基体组织应为片状珠光体,其含量应在 90%以上。磷共晶、渗碳体的总和不得超过 3%。石墨以 A 型片状为主,不允许有 C型石墨存在,但允许有少量其它类型石墨,石墨长度在 100 倍放大镜下为 6—32mm(3-5 级).4.3 化学成分4.3.1 参照 ASTMA159-83 标准中机动车辆用灰铸铁(G3000)的化学成分,将我们公司刹车盘类铸件的化学成分规定如下(参考数据):铸件类型化 学 成 分(%)CSiMnPSCuCrAlC.E刹车盘3。10-3.501.60-2.100。60—1.00<0。120<0.1200.15-0。450。05—0.25<0。012光谱检验3.70—4.204。3.2 客户对化学成分有特别要求的,严格根据客户的要求控制化学成分。4。3.3 客户对化学成分没有要求的,化学成分不做为刹车盘类铸件的验收标准。4。4 铸件公差4.4。1 刹车盘铸件的尺寸公差要求根据毛坯图的规定执行。4。4。2 毛坯图中没有注明公差要求的,按以下规定执行:4.4.2.1 毛坯图中带黑边的尺寸为加工尺寸,不带黑边的尺寸为不加工尺寸。4.4.2。2 毛坯图中所有双面加工的尺寸公差为±1.0mm。所有单面加工和不加工的尺寸公差为±0.5mm。4.4.3 铸件的平面度要求:平面度≤0。6mm。4.4。4 未注明之拔模斜度为+1。5°,最大不超过+2.0°,拔模斜度公差±0。1°。4。4.5 同轴度偏差要求:同轴度允差≤Φ1.0mm(中心偏差 0.5)。4.5 铸件外观质量要求4。5.1 铸件标识4.5。1。1 毛坯图上有铸字要求的,按毛坯图的要求铸字。其位置、大小必须符合毛坯图的规定。4。5。1。2 在刹车盘铸件的外圆台下平面上,用凹字铸出铸件的具体型号、型腔号、上下位置等 .(如:61207—S...

1、当您付费下载文档后,您只拥有了使用权限,并不意味着购买了版权,文档只能用于自身使用,不得用于其他商业用途(如 [转卖]进行直接盈利或[编辑后售卖]进行间接盈利)。
2、本站所有内容均由合作方或网友上传,本站不对文档的完整性、权威性及其观点立场正确性做任何保证或承诺!文档内容仅供研究参考,付费前请自行鉴别。
3、如文档内容存在违规,或者侵犯商业秘密、侵犯著作权等,请点击“违规举报”。

碎片内容

刹车盘铸件技术标准

您可能关注的文档

确认删除?
VIP
微信客服
  • 扫码咨询
会员Q群
  • 会员专属群点击这里加入QQ群
客服邮箱
回到顶部