电脑桌面
添加小米粒文库到电脑桌面
安装后可以在桌面快捷访问

轨道交通工程资料管理规程

轨道交通工程资料管理规程_第1页
1/39
轨道交通工程资料管理规程_第2页
2/39
轨道交通工程资料管理规程_第3页
3/39
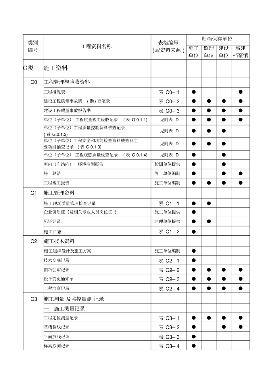
类别编号工程资料名称表格编号( 或资料来源 )归档保存单位施工单位监理单位建设单位城建档案馆C类施工资料C0工程管理与验收资料工程概况表表 C0— 1●●建设工程质量事故调( 勘) 查笔录表 C0— 2●●●●建设工程质量事故报告书表 C0— 3●●●●单位(子单位) 工程质量竣工验收记录( 表 G.0.1.1)见附表 D●●●●单位(子单位)工程质量控制资料核查记录( 表 G.0.1.2)见附表 D●●●单位(子单位)工程安全和功能检查资料核查及主要功能抽查记录( 表 G.0.1.3)见附表 D●●●单位(子单位) 工程观感质量检查记录( 表 G.0.1.4)见附表 D●●室内(车站内)环境检测报告检测单位提供●●施工总结施工单位编制●●●工程竣工报告施工单位编制●●●●C1施工管理资料施工现场质量管理检查记录表 C1— 1●●企业资质证书及相关专业人员岗位证书施工单位提供●见证记录监理单位提供●●施工日志表 C1— 2●C2施工技术资料施工组织设计及施工方案施工单位编制●技术交底记录表 C2— 1●图纸会审记录表 C2— 2●●●●设计变更通知单表 C2— 3●●●●工程洽商记录表 C2— 4●●●●C3施工测量 及监控量测 记录一、施工测量记录工程定位测量记录表 C3— 1●●●●基槽验线记录表 C3— 2●●●平面放线记录表 C3— 3●标高抄测记录表 C3— 4●建(构)筑物垂直度、标高测量记录表 C3— 5●●初期支护净空测量记录表 C3— 6●●●●车站 / 隧道净空测量记录表 C3— 7●●●●初支(二衬)厚度测量记录表 C3— 8●●●●测量复核记录复核单位提供二、监控量测记录基坑支护变形监测记录表 C3— 9●●●地面沉降观测记录表 C3— 10●●●掌子面地质及支护状况观察记录表 C3— 11●●●结构净空收敛观测记录表 C3— 12●●●拱顶下沉观测记录表 C3— 13●●●地中位移观测记录表 C3— 14●●●建(构)筑物 / 地下管线变形和破坏监测记录表 C3— 15●●●类别编号工程资料名称表格编号( 或资料来源 )归档保存单位施工单位监理单位建设单位城建档案馆C4施工物资资料通用表格材料、构配件进场检验记录表 C4— 1●材料试验报告(通用)表 C4— 2●●设备开箱检验记录(机电通用)表 C4— 3●设备及管道附件试验记录(机电通用)表 C4— 4●●建筑与土建结构工程△出厂质量证明文件各种物资出厂合格证、质量保证书和商检证等供应单位提供●●半成品钢筋出厂合格证表 C4— 5●...

1、当您付费下载文档后,您只拥有了使用权限,并不意味着购买了版权,文档只能用于自身使用,不得用于其他商业用途(如 [转卖]进行直接盈利或[编辑后售卖]进行间接盈利)。
2、本站所有内容均由合作方或网友上传,本站不对文档的完整性、权威性及其观点立场正确性做任何保证或承诺!文档内容仅供研究参考,付费前请自行鉴别。
3、如文档内容存在违规,或者侵犯商业秘密、侵犯著作权等,请点击“违规举报”。

碎片内容

轨道交通工程资料管理规程

文库响当当+ 关注
实名认证
内容提供者

该用户很懒,什么也没介绍

确认删除?
VIP
微信客服
  • 扫码咨询
会员Q群
  • 会员专属群点击这里加入QQ群
客服邮箱
回到顶部