电脑桌面
添加小米粒文库到电脑桌面
安装后可以在桌面快捷访问

小区建筑电气方案

小区建筑电气方案_第1页
1/34
小区建筑电气方案_第2页
2/34
小区建筑电气方案_第3页
3/34
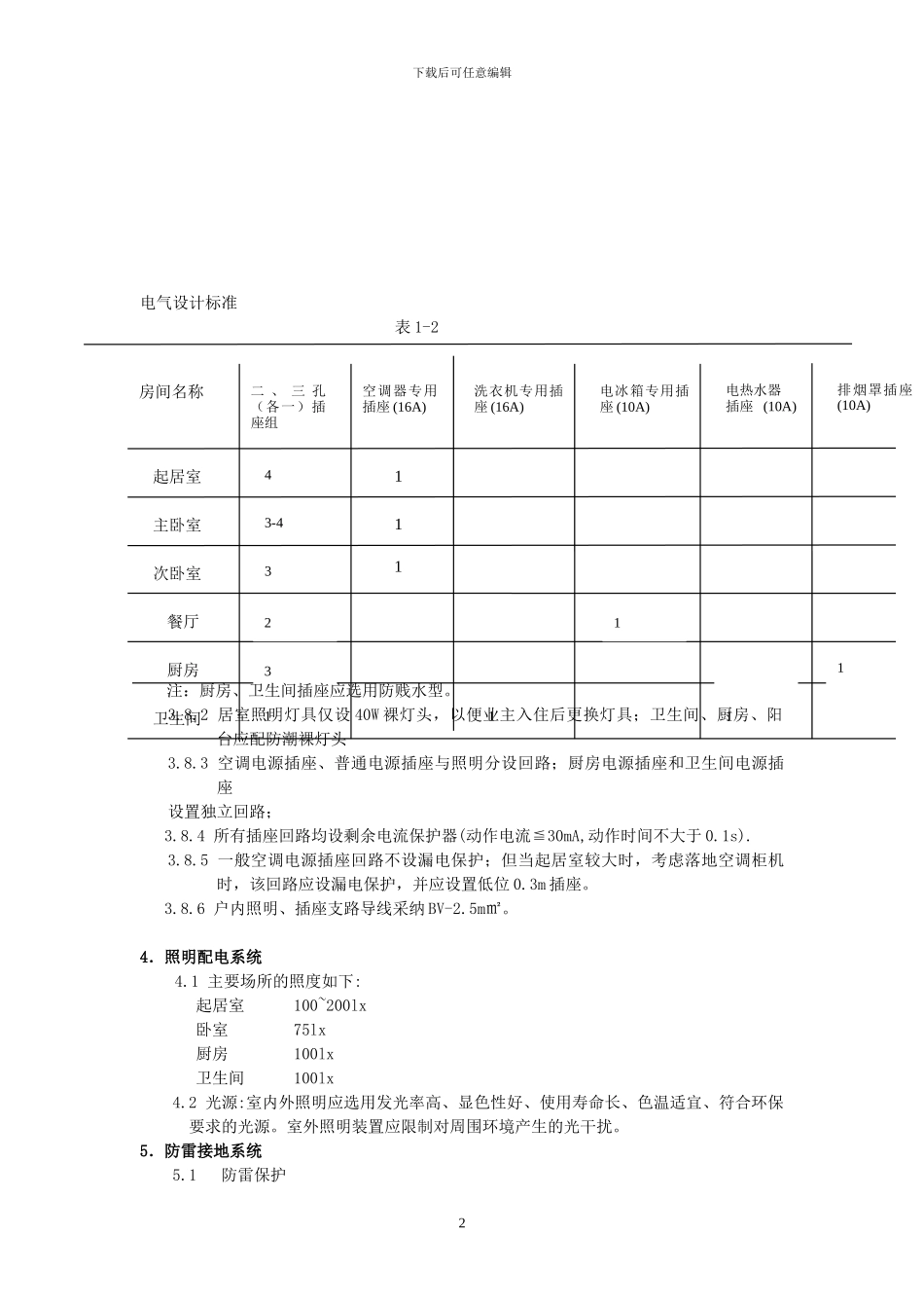
下载后可任意编辑阳光住宅小区建筑电气方案建筑概况:本工程总占地 81464㎡,总建筑面积 90817㎡,由新概念多层、联排别墅、合院别墅、集中商业、会所等组成,其中共有住宅 598 套。1. 设计依据1.建筑设计防火法律规范 GB50016-2024;2.火灾自动报警系统设计法律规范 GB50116-98;3.民用建筑电气设计法律规范 JGJ/T16-92;4.等电位联结安装 02D501-2;5.低压配电设计法律规范 GB 50054-95;6.住宅设计法律规范 GB50096-1999(2024 年版);7.建筑物防雷设计法律规范 GB50057-94(2000 年版);8.甲方提供的设计委托书;9.本工程其它专业提供的设计资料等。2. 设计范围2.1 变、配电系统;2.2 照明配电系统;2.3 防雷接地系统;2.4 电话系统;2.5 有线电视系统;2.6 宽带接入系统;2.7 闭路电视保安监视系统;2.8 可视对讲系统;2.9 电气消防系统;3. 变、配电系统3.1 商业及会所应急照明为二级负荷,采纳灯具自带蓄电池作为备用电源。一般电力、照明用电属三级负荷。3.2 负荷估算:本工程总用电负荷约为 3551kW,设计变压器总装机容量为 4460Kva.3.3 电源:本工程由市政电网引来 1 或 2 路 10kV 电源供电,高压系统等级为 10kV,低压系统电压等级为~220V/380V。3.4 在小区内设置 3 个箱变。每个箱变内设置 2 台变压器,变压器容量分别为:箱变T1:2X800KVA; 箱变 T2:2X630KVA; 箱变 T3:2X800KVA。3.5 住宅的配电系统:一栋或几栋建筑设置一个室外供电箱(此箱供电局提供)作为几个建筑的配电中心,放射式向各集中电表箱供电;3.6 每栋住宅的电源引入处作重复接地,并进行总等电位联结。电源进线在集中电表箱的配电断路器处设 300mA 漏电保护器(动作时间不大于 0.4s),以防止电气火灾的发生。3.7 居室配电3.8.1 依据《住宅设计法律规范》(GB50096-1999(2024 年版))、住宅用电量按每户用电负荷 6kW 规划方案,50W/㎡的用电标准,用电负荷标准及电度表规格按表1-1 进行设计,每套住宅的电气设计标准按表 1-2 进行设计,每户设户配电箱。用电负荷标准及电度表规格表 1-11户型建筑 面积(㎡)用电负荷标准( kW )电度表规格( A )进户线截面( m ㎡)备注二、三室二厅80~130610 ( 40)15 ( 60)15 ( 60)BV-3×10联排合院250~350 2010 ( 40)BV-5×10房间名称二 、 三 孔(各一)插座组空调器专用插座 (16A)洗衣机专用插座 (16A)电冰箱专用插座 (10A)起居室4 ...

1、当您付费下载文档后,您只拥有了使用权限,并不意味着购买了版权,文档只能用于自身使用,不得用于其他商业用途(如 [转卖]进行直接盈利或[编辑后售卖]进行间接盈利)。
2、本站所有内容均由合作方或网友上传,本站不对文档的完整性、权威性及其观点立场正确性做任何保证或承诺!文档内容仅供研究参考,付费前请自行鉴别。
3、如文档内容存在违规,或者侵犯商业秘密、侵犯著作权等,请点击“违规举报”。

碎片内容

小区建筑电气方案

您可能关注的文档

确认删除?
VIP
微信客服
  • 扫码咨询
会员Q群
  • 会员专属群点击这里加入QQ群
客服邮箱
回到顶部