电脑桌面
添加小米粒文库到电脑桌面
安装后可以在桌面快捷访问

最新版上海安全资料(C基本要求类)VIP专享

最新版上海安全资料(C基本要求类)_第1页
1/132
最新版上海安全资料(C基本要求类)_第2页
2/132
最新版上海安全资料(C基本要求类)_第3页
3/132
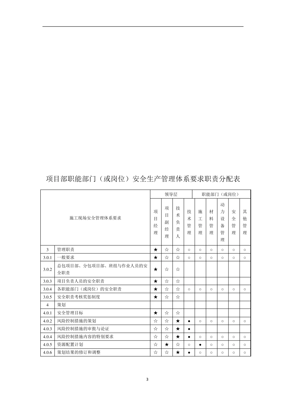
1 C 基本要求类 ×××××× 工程项目部 一二 目 录 C1 ★安全管理目标(形成文件) ····················································· (0) C2 安全生产职责和考核奖惩 ··························································· (3) C2-1 安全生产职责、交底 ····································································· (5) C2-2 安全生产职责的考核 ···································································· (13) 2 C2-3 安全生产职责奖惩 ······································································· (24) C3 安全物资、设施、设备、资金等资源配置管理 ······························ (26) C3-1 安全文明施工措施费用计划 ··························································· (27) C3-2 安全文明施工措施费用台帐 ··························································· (30) C3-3 设备台帐···················································································· (31) C3-4 安全物资验收记录汇总表 ······························································ (33) C3-5 大临设施的管理 ·········································································· (38) C4 安全教育 ·······························································...

1、当您付费下载文档后,您只拥有了使用权限,并不意味着购买了版权,文档只能用于自身使用,不得用于其他商业用途(如 [转卖]进行直接盈利或[编辑后售卖]进行间接盈利)。
2、本站所有内容均由合作方或网友上传,本站不对文档的完整性、权威性及其观点立场正确性做任何保证或承诺!文档内容仅供研究参考,付费前请自行鉴别。
3、如文档内容存在违规,或者侵犯商业秘密、侵犯著作权等,请点击“违规举报”。

碎片内容

最新版上海安全资料(C基本要求类)

确认删除?
VIP
微信客服
  • 扫码咨询
会员Q群
  • 会员专属群点击这里加入QQ群
客服邮箱
回到顶部