电脑桌面
添加小米粒文库到电脑桌面
安装后可以在桌面快捷访问

有限空间安全风险辨识清单

有限空间安全风险辨识清单_第1页
1/6
有限空间安全风险辨识清单_第2页
2/6
有限空间安全风险辨识清单_第3页
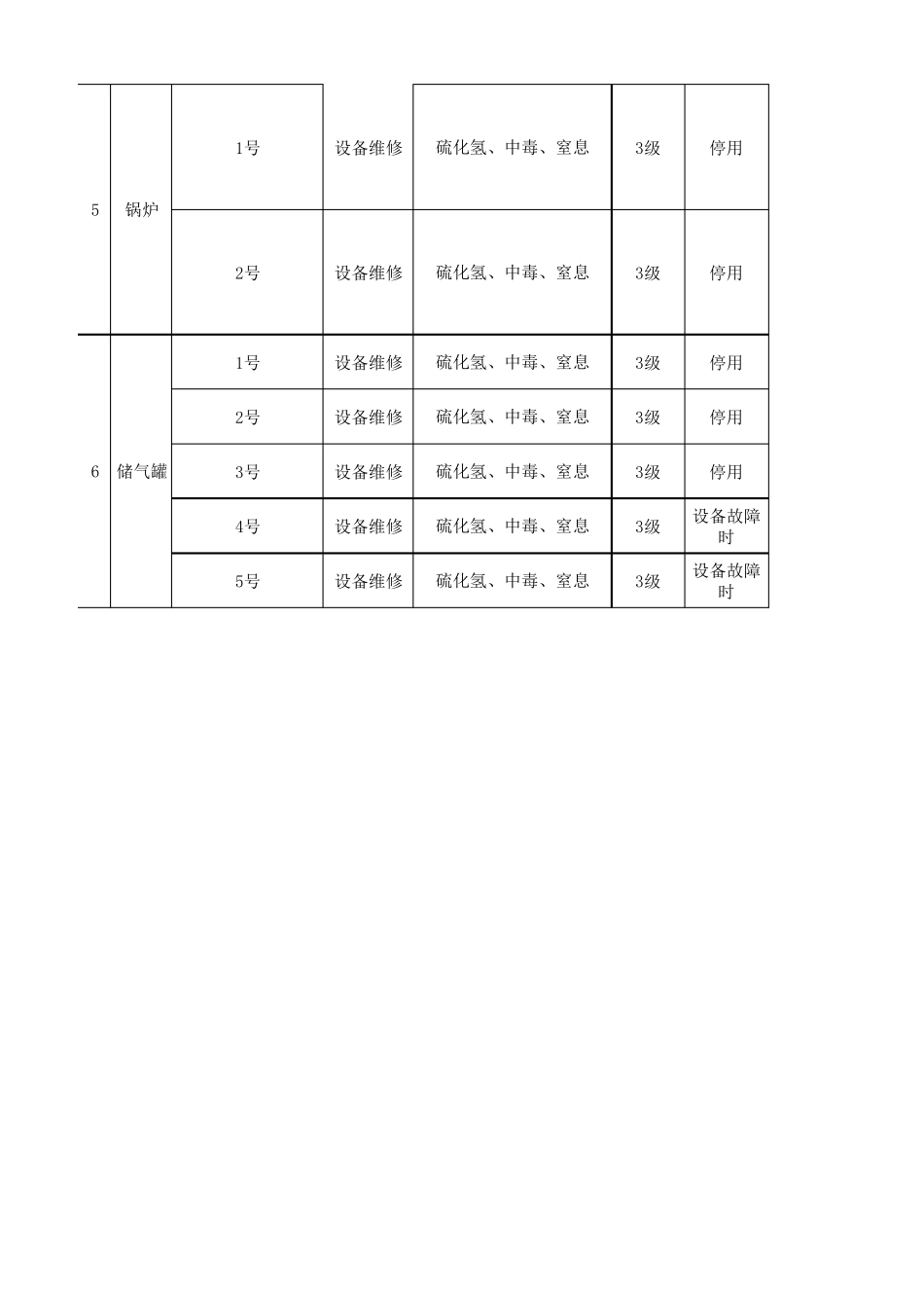
3/6
序号危险源 地点作业类型风险等级作业频次1号卫生清理3级停用2号卫生清理3级停用3号卫生清理3级停用4号卫生清理3级停用1号卫生清理3级停用2号卫生清理3级停用1号卫生清理3级停用2号卫生清理3级停用1号卫生清理3级停用2号卫生清理3级停用1号卫生清理3级半年一次2号卫生清理3级半年一次车间卫生清理3级停用1号卫生清理3级2号卫生清理3级3号卫生清理3级3号卫生清理3级4号卫生清理3级4号卫生清理3级卫生清理3级1号卫生清理3级1号卫生清理3级1号卫生清理3级1号卫生清理3级2号卫生清理3级2号卫生清理3级2号卫生清理3级2号卫生清理3级停用停用硫化氢、中毒、窒息硫化氢、中毒、窒息硫化氢、中毒、窒息硫化氢、中毒、窒息硫化氢、中毒、窒息硫化氢、中毒、窒息硫化氢、中毒、窒息硫化氢、中毒、窒息硫化氢、中毒、窒息硫化氢、中毒、窒息硫化氢、中毒、窒息硫化氢、中毒、窒息硫化氢、中毒、窒息硫化氢、中毒、窒息硫化氢、中毒、窒息硫化氢、中毒、窒息硫化氢、中毒、窒息硫化氢、中毒、窒息危险因素和可能造成的伤害有限空间安全风险辨识清1碎浆机硫化氢、中毒、窒息硫化氢、中毒、窒息硫化氢、中毒、窒息硫化氢、中毒、窒息硫化氢、中毒、窒息硫化氢、中毒、窒息硫化氢、中毒、窒息硫化氢、中毒、窒息硫化氢、中毒、窒息硫化氢、中毒、窒息卫生清理3级卫生清理3级卫生清理3级卫生清理3级卫生清理3级卫生清理3级卫生清理3级卫生清理3级卫生清理3级卫生清理3级卫生清理3级卫生清理3级卫生清理3级卫生清理3级卫生清理3级卫生清理3级卫生清理3级卫生清理3级停用1号设备维修3级停用2号设备维修3级停用设备维修3级停用设备维修3级停用设备维修3级设备故障时1号设备维修3级停用2号设备维修3级停用3号设备维修3级设备故障时硫化氢、中毒、窒息硫化氢、中毒、窒息硫化氢、中毒、窒息烘干线423地下真空罐池硫化氢、中毒、窒息硫化氢、中毒、窒息硫化氢、中毒、窒息硫化氢、中毒、窒息硫化氢、中毒、窒息硫化氢、中毒、窒息硫化氢、中毒、窒息硫化氢、中毒、窒息硫化氢、中毒、窒息硫化氢、中毒、窒息硫化氢、中毒、窒息硫化氢、中毒、窒息硫化氢、中毒、窒息硫化氢、中毒、窒息停用停用半年一次停用硫化氢、中毒、窒息硫化氢、中毒、窒息硫化氢、中毒、窒息硫化氢、中毒、窒息硫化氢、中毒、窒息硫化氢、中毒、窒息硫化氢、中毒、窒息硫化氢、中毒、窒息硫化氢、中毒、窒息浆池1号设备维修3级停用2号设备维修3级停用1号设备维修3级停用2号设备维修3级停用3号设备...

1、当您付费下载文档后,您只拥有了使用权限,并不意味着购买了版权,文档只能用于自身使用,不得用于其他商业用途(如 [转卖]进行直接盈利或[编辑后售卖]进行间接盈利)。
2、本站所有内容均由合作方或网友上传,本站不对文档的完整性、权威性及其观点立场正确性做任何保证或承诺!文档内容仅供研究参考,付费前请自行鉴别。
3、如文档内容存在违规,或者侵犯商业秘密、侵犯著作权等,请点击“违规举报”。

碎片内容

有限空间安全风险辨识清单

小辰8+ 关注
实名认证
内容提供者

出售各种资料和文档

确认删除?
VIP
微信客服
  • 扫码咨询
会员Q群
  • 会员专属群点击这里加入QQ群
客服邮箱
回到顶部