电脑桌面
添加小米粒文库到电脑桌面
安装后可以在桌面快捷访问

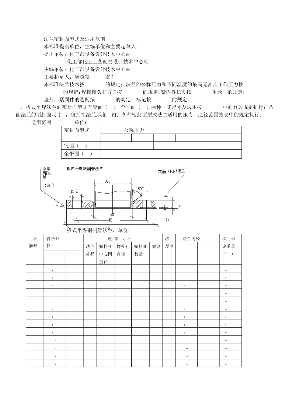
法兰密封面型式及适用范围

法兰密封面型式及适用范围_第1页
1/18
法兰密封面型式及适用范围_第2页
2/18
法兰密封面型式及适用范围_第3页
3/18
法兰密封面型式及适用范围 本标准提出单位,主编单位和主要起草人: 提出单位:化工部设备设计技术中心站 化工部化工工艺配管设计技术中心站 主编单位:化工部设备设计技术中心站 主要起草人:应道宴 虞军 本标准法兰技术按HG20603的规定;法兰的公称压力和不同温度的最高无冲击工作压力按HG20604的规定;焊接接头和坡口按HG20605的规定;紧固件长度按HG20613附录A的规定;垫片,紧固件的选配按HG20614的规定;标记按HG20592的规定。 一.板式平焊法兰的密封面型式有突面(RF),全平面(FF)两种。其尺寸及选用按HG20592中的有关规定执行;凸面法兰的面封面尺寸 f,包括在法兰厚度C内;各种密封面型式法兰适用的压力,通径范围按表中的规定执行; 适用范围 单位:mm 密封面型式 公称压力PN,Mpa(bar) 0.25(2.5) 0.6(6) 1.0(10) 1.6(16) 2.5(25) 突面(RF) DN10--2000 DN10--600 全平面(FF) DN10--600 --- 1。PN0.25Mpa(2.5bar)板式平焊钢制管法兰,单位:mm 工程 通径 DN 管子外 径 A1 连 接 尺 寸 法兰 厚度 C 法兰内径 B1 法兰理 论重量 (kg) 法兰 外径 D 螺栓孔 中心圆 直径 K 螺栓孔 直径 L 螺栓孔 数量 n 螺纹 Th A B A B 10 17.2 14 75 50 11 4 M10 12 18 15 0。36 15 21。3 18 80 55 11 4 M10 12 22 19 0。41 20 26。9 25 90 65 11 4 M10 14 27。5 26 0。60 25 33。7 32 100 75 11 4 M10 14 34。5 32 0。73 32 42。1 38 120 90 14 4 M12 16 43。5 39 1。19 40 48。5 45 130 100 14 4 M12 16 49。5 46 1。38 50 60。3 57 140 110 14 4 M12 16 61。5 59 1。54 65 76。1 76 160 130 14 4 M12 16 77。5 78 1。85 80 88。9 89 190 150 18 4 M16 18 90。5 91 2。94 100 114。3 108 210 170 18 4 M16 18 116 110 3。41 125 139。7 133 240 200 18 8 M16 20 141。5 135 4。53 150 168。3 159 265 225 18 8 M16 20 170。5 161 5。14 200 219。1 219 320 280 18 8 M16 22 221。5 222 6。85 250 273 273 375 335 18 12 M16 24 276。5 276 8。96 300 323。9 325 440 395 22 12 M20 24 327。5 328 11。9 350 355。6 377 490 445 22 12 M20 26 359。5 381 14。3 400 406。4 ...

1、当您付费下载文档后,您只拥有了使用权限,并不意味着购买了版权,文档只能用于自身使用,不得用于其他商业用途(如 [转卖]进行直接盈利或[编辑后售卖]进行间接盈利)。
2、本站所有内容均由合作方或网友上传,本站不对文档的完整性、权威性及其观点立场正确性做任何保证或承诺!文档内容仅供研究参考,付费前请自行鉴别。
3、如文档内容存在违规,或者侵犯商业秘密、侵犯著作权等,请点击“违规举报”。

碎片内容

法兰密封面型式及适用范围

您可能关注的文档

确认删除?
VIP
微信客服
  • 扫码咨询
会员Q群
  • 会员专属群点击这里加入QQ群
客服邮箱
回到顶部