电脑桌面
添加小米粒文库到电脑桌面
安装后可以在桌面快捷访问

注浆材料分类及选择

注浆材料分类及选择_第1页
1/7
注浆材料分类及选择_第2页
2/7
注浆材料分类及选择_第3页
3/7
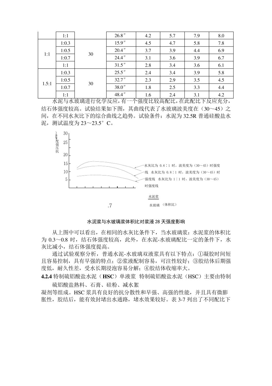
4 注浆材料的分类及选定 4.1 注浆材料的分类 根据注浆材料的使用范围和效果等因素可分为四大类: (1)水玻璃浆材。目前可以说(特别是酸性和中性水复合型水玻璃、气液 反应型水玻璃及水玻璃+水泥类等)的使用率极高,其中以日本和东南亚各国及 台湾、香港等地区为最。 (2)水泥类浆材:(普通水泥、超细水泥、湿磨水泥、硅粉)的使用在国际 上也较为普遍。 (3)高分子浆材。在日本一些国家除殊情况外一般不太使用,但在俄国和 东欧一些国家依然使用。 (4)水泥加膨润土浆液。以法国为代表的欧洲国家都习惯于先注水泥、膨 润土其目的是充填大的空隙,使地层均质,以防地下水造成的浆液流失和稀释然 后,注入胶结时间长且渗透速度慢的水玻璃浆液,构成阻止颗粒间的渗透帷幕, 使强度有一定提高,必要时注入高分子浆材进一步提高强度。 4.2 注浆材料的选定 注浆材料应根据堵水要求、加固要求,以及是否 作 为永 久 性支 护 结构等方 面 , 并 从 无 毒 性、无 污 染 这 一角 度综 合考 虑 进行 选择 。目前国内 外常 用的注浆材料可 基 本分为水泥基 浆液和非 水泥基 浆液。水泥基 浆液是指 以水泥为基 本主 要材料所 配 制 的浆液。常 用的有普通水泥单 液浆、超细水泥(MC)单 液浆以及特制 硫 铝 酸盐 水泥(HSC)浆等等。非 水泥基 浆液是指 水泥基 浆液以外的其它 注浆材料, 例 如 改 性水玻璃、环 氧 树 脂 等等。隧 道 所 用的注浆材料应满 足 耐 久 性和环 保 的要 求,水泥基 浆材具 有耐 久 性好 、无 毒 无 污 染 等优 点 ,因此 注浆材料宜 以水泥基 浆 材为主 。 4 .2 .1 普通水泥单 液浆 普通水泥中按 比 例 加入一定量 的水及相 应的外加剂 经 搅 拌 而 成的浆液称 为 普通水泥单 液浆,其主 要特点 是结石 体 具 有较高的抗 压 、抗 剪 强度,能 有效地提 高地层的承 载 能 力 ,且其抗 渗性能 好 ,材料来 源 丰 富 ,价 格 低 廉 ,注浆工 艺 相 对 简 单 ; 但由 于其颗粒粒径 大,在致 密 的粘 土和砂 层及微 小裂 隙条 件 下渗透困 难 , 而 且其凝 胶时间不易 调 节 ,注浆过 程 中浆液易流失,因此 其应用受 到 一定的限 制 。 单 液水泥浆的配 比 和结石 体 的主要性能 如 下表。 单液水泥浆的配比和结石体的主要性能...

1、当您付费下载文档后,您只拥有了使用权限,并不意味着购买了版权,文档只能用于自身使用,不得用于其他商业用途(如 [转卖]进行直接盈利或[编辑后售卖]进行间接盈利)。
2、本站所有内容均由合作方或网友上传,本站不对文档的完整性、权威性及其观点立场正确性做任何保证或承诺!文档内容仅供研究参考,付费前请自行鉴别。
3、如文档内容存在违规,或者侵犯商业秘密、侵犯著作权等,请点击“违规举报”。

碎片内容

注浆材料分类及选择

您可能关注的文档

确认删除?
VIP
微信客服
  • 扫码咨询
会员Q群
  • 会员专属群点击这里加入QQ群
客服邮箱
回到顶部