电脑桌面
添加小米粒文库到电脑桌面
安装后可以在桌面快捷访问

洁净室环境监测操作规程

洁净室环境监测操作规程_第1页
1/11
洁净室环境监测操作规程_第2页
2/11
洁净室环境监测操作规程_第3页
3/11
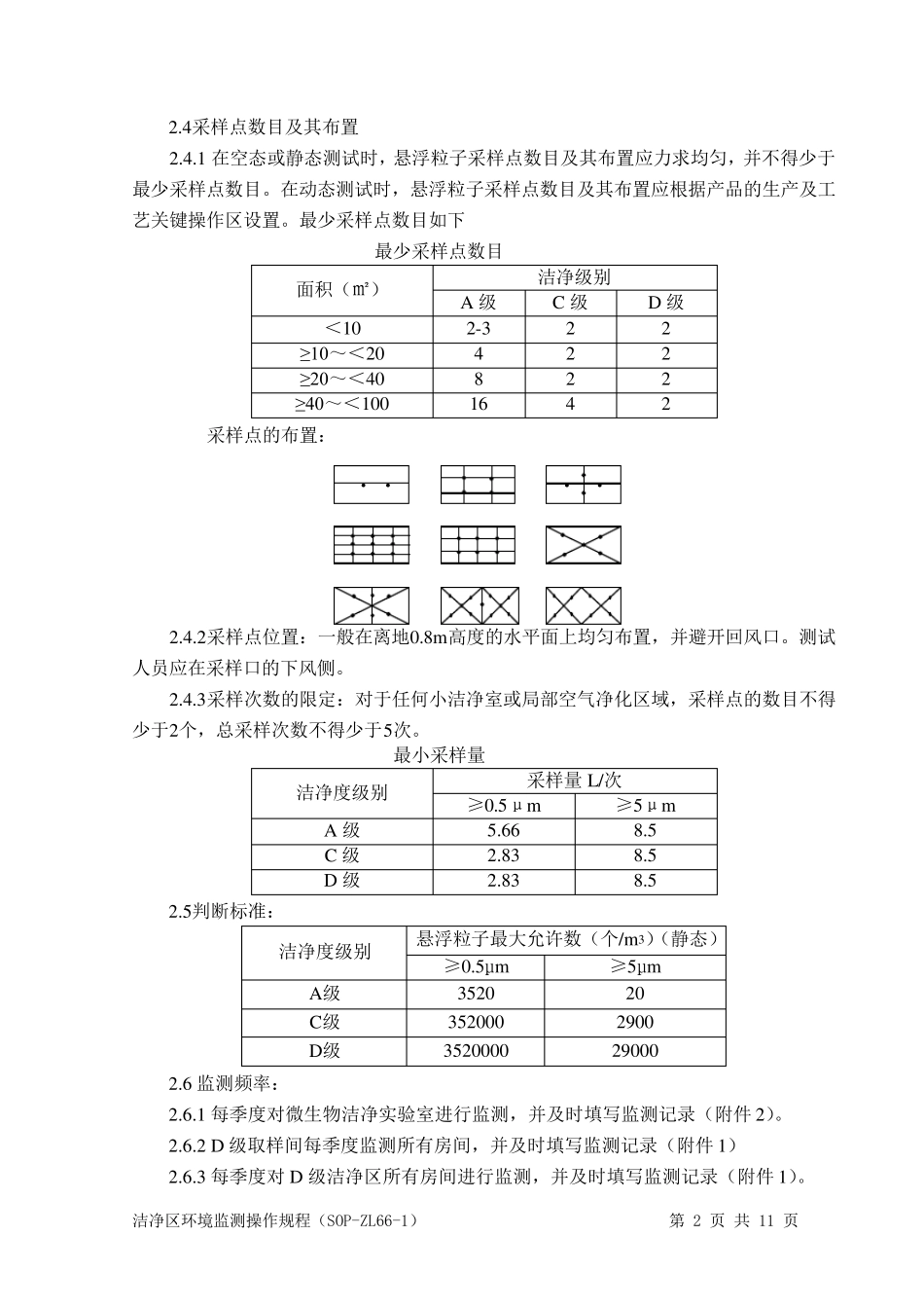
洁 净 区 环 境 监 测 操 作 规 程 ( SOP-ZL66-1) 第 1 页 共 11 页 青岛有限公司文件 文 件 名 称 洁 净 区 环 境 监 测 操 作 规 程 文 件 编 号 SOP-ZL66-1 制 定 人 审 核 人 审 核 人 制 定 日 期 审 核 日 期 审 核 日 期 批 准 人 批 准 日 期 生 效 日 期 颁 发 部 门 品 管 部 印 数 份 分 发 部 门 品 管 部 目 的 建 立 洁 净 区 环 境 监 测 规 程 , 规 范 洁 净 区 沉 降 菌 、 浮 游 菌 、 悬 浮 粒 子 的 测 试 , 保证 药 品 在 规 定 的 洁 净 级 别 内 进 行 生 产 。 范 围 本 标 准 适 用 于 洁 净 区 沉 降 菌 、 浮 游 菌 、 悬 浮 粒 子 的 监 测 。 责 任 环 境 监 测 员 内 容 1、 检 验 依 据 : 1.1 GB/T16294-2010《 医 药 洁 净 室 ( 区 ) 沉 降 菌 的 测 试 方 法 》 1.2 GB/T16293-2010《 医 药 洁 净 室 ( 区 ) 浮 游 菌 的 测 试 方 法 》 1.3 GB/T16292-2010《 医 药 洁 净 室 ( 区 ) 悬 浮 粒 子 的 测 试 方 法 》 2、 悬 浮 粒 子 的 监 测 2.1概 述 : 本 测 试 方 法 采 用 计 数 浓 度 法 , 即 通 过 测 定 洁 净 区 环 境 内 单 位 体 积 空 气 中 含大 于 或 等 于 某 粒 径 悬 浮 粒 子 数 , 来 评 定 洁 净 室 ( 区 ) 的 悬 浮 粒 子 洁 净 度 等 级 。 2.2仪 器 和 设 备 : 尘 埃 粒 子 计 数 器 , 严 格 按 照 《 尘 埃 粒 子 计 数 器 操 作 、 维 护 保 养规 程 》( SOP-ZL95-1) 操 作 。 2.3测 试 步骤 2.3.1测 试 条件 : 在 测 试 之前, 要对洁 净 室 ( 区 ) 相关参数 进 行 预先测 试 , 包括温度控制 在 18-26℃、 相对湿度 控制 在 45-65%、 压差等 , 同时应满足仪 器 的 使用 范 围 。 2.3.2测 试 状态: 静态测 试 , 人 员 不得多 于 2人 。 测 试 报 告 中 应明 确 测 试 时所 采 用 的 状态及 测 试 人 员 数 。 2.3.3 测 试 时间 : 在 空 态或 静态a 测 试 时, 对单 向 流 洁 净 室...

1、当您付费下载文档后,您只拥有了使用权限,并不意味着购买了版权,文档只能用于自身使用,不得用于其他商业用途(如 [转卖]进行直接盈利或[编辑后售卖]进行间接盈利)。
2、本站所有内容均由合作方或网友上传,本站不对文档的完整性、权威性及其观点立场正确性做任何保证或承诺!文档内容仅供研究参考,付费前请自行鉴别。
3、如文档内容存在违规,或者侵犯商业秘密、侵犯著作权等,请点击“违规举报”。

碎片内容

洁净室环境监测操作规程

确认删除?
VIP
微信客服
  • 扫码咨询
会员Q群
  • 会员专属群点击这里加入QQ群
客服邮箱
回到顶部