电脑桌面
添加小米粒文库到电脑桌面
安装后可以在桌面快捷访问

流体力学实验报告

流体力学实验报告_第1页
1/27
流体力学实验报告_第2页
2/27
流体力学实验报告_第3页
3/27
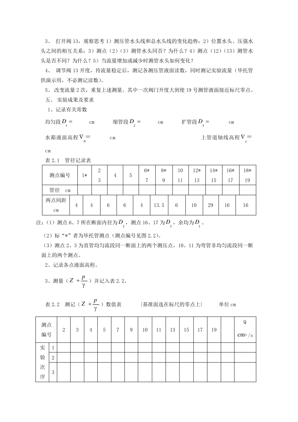
流体力学实验报告 海洋环境学院流体力学实验室 二零零七年九月 不 可 压 缩 流 体 恒 定 流 能 量 方 程 ( 伯 努 力 方 程 ) 实 验 一 、 实 验 目 的 要 求 1、 验 证 流 体 恒 定 总 流 的 能 量 方 程 ; 2、 通 过 对 动 水 力 学 现 象 的 实 验 分 析 研 讨 , 进 一 步 掌 握 有 压 管 流 中 动 水 力 学 的 能 量 转 换 特性 ; 3、 掌 握 流 速 、 流 量 、 压 强 等 动 水 力 学 水 力 要 素 的 实 验 量 测 技 能 。 二 、 实 验 装 置 本 仪 器 测 压 管 有 两 种 : 1、 毕 托 管 测 压 管 ( 表2.1 中 标 *的 测 压 管 ), 用以测读毕托管探头对准点的总水头'H(22puZg), 须 注 意 一 般 情 况'H 于 断 面 总水 头H(22pvZg) 不 同 ( 因 一 般 uv),它 的 水 头 线 只 能 定 性 表 示 总 水 头 变 化 趋 势 ; 2、 普 通 测 压 管 ( 表 2.1 未 标 *者 ), 用 以 定 量 量测 测 压 管 水 头 。 实 验 流 量 用 阀 13 调 节 , 流 量 由 体 积 时 间 法 ( 量 筒 、 秒 表 另 备 )、 重 量 时 间 法 ( 电 子 称 另 备 )或 电 测 法 测 量 。 三 、 实 验 原 理 在 实 验 管 路 中 沿 管 内 水 流 方 向 取 n 个 过 水 断 面 。 可 以 列出进 口断 面 ( 1) 至另 一 断 面 ( i) 的能 量 方 程 式( i=2, 3, ……, n) 122111122iiiiiwpvpvZZhgg 取12n1…=, 选好基准 面 , 从已设置 的 各断 面 的 测 压 管 中 读 出pZ值, 测 出通 过 管 路 的 流 量 , 即可 计算出断 面 平均流 速 v 及22vg, 从而即可 得到各断 面 测 管 水 头 和总 水 头 。 四、 实 验 方 法 与步 骤 1、 熟悉实 验 设备 , 分 清哪些 测 管 是 普 通 测 压 管 , 哪些 是 毕 托 管 测 压 管 , 以 及两 者 功 能 的 区别 。 2、 打 开 开 关 供 水 , 使 水 箱 充 水 , 待 水 箱 溢 流 , 检 查 调 节 阀 关 闭 后 所 有 测 压...

1、当您付费下载文档后,您只拥有了使用权限,并不意味着购买了版权,文档只能用于自身使用,不得用于其他商业用途(如 [转卖]进行直接盈利或[编辑后售卖]进行间接盈利)。
2、本站所有内容均由合作方或网友上传,本站不对文档的完整性、权威性及其观点立场正确性做任何保证或承诺!文档内容仅供研究参考,付费前请自行鉴别。
3、如文档内容存在违规,或者侵犯商业秘密、侵犯著作权等,请点击“违规举报”。

碎片内容

流体力学实验报告

确认删除?
VIP
微信客服
  • 扫码咨询
会员Q群
  • 会员专属群点击这里加入QQ群
客服邮箱
回到顶部