电脑桌面
添加小米粒文库到电脑桌面
安装后可以在桌面快捷访问

近红外分析仪操作维护注意事项资料

近红外分析仪操作维护注意事项资料_第1页
1/15
近红外分析仪操作维护注意事项资料_第2页
2/15
近红外分析仪操作维护注意事项资料_第3页
3/15
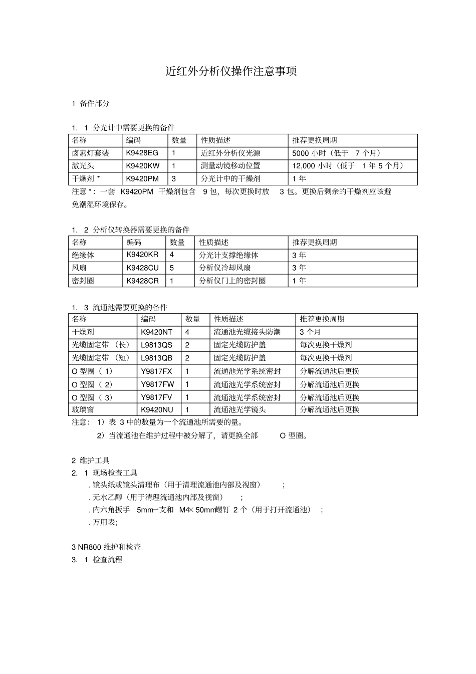
近红外分析仪操作注意事项1 备件部分1.1 分光计中需要更换的备件名称编码数量性质描述推荐更换周期卤素灯套装K9428EG 1 近红外分析仪光源5000 小时(低于7 个月)激光头K9420KW 1 测量动镜移动位置12,000 小时(低于1 年 5 个月)干燥剂 * K9420PM 3 分光计中的干燥剂1 年注意 *:一套 K9420PM 干燥剂包含9 包,每次更换时放3 包。更换后剩余的干燥剂应该避免潮湿环境保存。1.2 分析仪转换器需要更换的备件名称编码数量性质描述推荐更换周期绝缘体K9420KR 4 分光计支撑绝缘体3 年风扇K9428CU 5 分析仪冷却风扇3 年密封圈K9428CR 1 分析仪门上的密封圈1 年1.3 流通池需要更换的备件名称编码数量性质描述推荐更换周期干燥剂K9420NT 4 流通池光缆接头防潮3 个月光缆固定带 (长)L9813QS 2 固定光缆防护盖每次更换干燥剂光缆固定带 (短)L9813QB 2 固定光缆防护盖每次更换干燥剂O 型圈( 1)Y9817FX 1 流通池光学系统密封分解流通池后更换O 型圈( 2)Y9817FW 1 流通池光学系统密封分解流通池后更换O 型圈( 3)Y9817FV 1 流通池光学系统密封分解流通池后更换玻璃窗K9420NU 1 流通池光学镜头分解流通池后更换注意: 1)表 3 中的数量为一个流通池所需要的量。2)当流通池在维护过程中被分解了,请更换全部O 型圈。2 维护工具2.1 现场检查工具. 镜头纸或镜头清理布(用于清理流通池内部及视窗);. 无水乙醇(用于清理流通池内部及视窗);. 内六角扳手5mm一支和 M4×50mm螺钉 2 个(用于打开流通池) ;. 万用表;3 NR800 维护和检查3.1 检查流程4 检查前的数据采集4.1 在检查前记录特性值当汽油调合单元在NR800操作下运行, 可以利用 DCS和在线趋势图记录NR800所测量的特性数值,也可以在NR800的 LED指示灯上读取特性数值。4.2 保存维护数据检查之前在SPECLAND2上检查和保存维护数据。如果检查维护数据, 应选择用户等级C。点击位于SPECLAND2操作页面下部的“MAINTENANCE”标签,显示维护窗口。点击位于维护窗口右上角的“Update ”键,维护数据将被更新,同时产生一个维护数据文件“NR800ID****.mnt”(****:ID NO. 每个 NR800设置的 ID 号码),该文件保存在 “C:\Program Files\Sland2”。如果再次点击Update 键,则该文件将被覆盖。因此,应该复制该文件并保存在另外的位置。维护数据可以用Excel 格式打开。4.3 保存所有参数当进行参数保...

1、当您付费下载文档后,您只拥有了使用权限,并不意味着购买了版权,文档只能用于自身使用,不得用于其他商业用途(如 [转卖]进行直接盈利或[编辑后售卖]进行间接盈利)。
2、本站所有内容均由合作方或网友上传,本站不对文档的完整性、权威性及其观点立场正确性做任何保证或承诺!文档内容仅供研究参考,付费前请自行鉴别。
3、如文档内容存在违规,或者侵犯商业秘密、侵犯著作权等,请点击“违规举报”。

碎片内容

近红外分析仪操作维护注意事项资料

确认删除?
VIP
微信客服
  • 扫码咨询
会员Q群
  • 会员专属群点击这里加入QQ群
客服邮箱
回到顶部