电脑桌面
添加小米粒文库到电脑桌面
安装后可以在桌面快捷访问

进入有限空间作业许可证

进入有限空间作业许可证_第1页
1/5
进入有限空间作业许可证_第2页
2/5
进入有限空间作业许可证_第3页
3/5
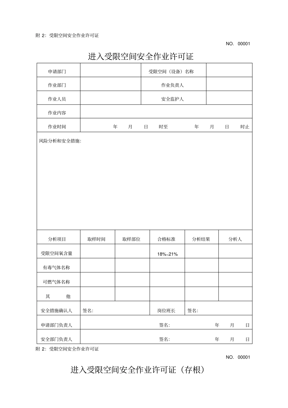
进 入 受 限 空 间 安 全 作 业 许 可 证注: 1.受限空间指化工生产区域内的各类塔、球、釜、槽、罐、炉膛、锅筒、管道、容器以及地下室、阴井、地坑、下水道或其他封闭场所。2.受限空间(设备内)作业指进入受限空间(设备内)及其他封闭场所内进行的作业。3.进入设备内作业安全要求(1)设备与外界连接的电源应有效切断,电源有效切断可采用取下电源保险熔丝或将电源开关拉下后上锁等措施,并加挂警示牌。(2)管道安全隔绝可采用插入盲板或拆除一段管道进行隔绝,不能用水封或阀门等代替盲板或拆除管道。(3)进入设备区内作业前,必须对设备内进行清洗和置换,并达到要求,有毒气体浓度、可燃气体浓度符合许可规定。(4)要采取措施,保持设备内空气良好流通,打开所有人孔、手孔、料孔、风门、烟门进行自然通风。必要时、可采取机械通风。(5)采用管道空气送风时、 通风前必须对管道内介质和风源进行分析确认。禁止向设备内充氧气或富氧空气。4.其他选项见《进入受限空间风险分析和安全措施》(附后)。5.本证作业内容变更、 扩大作业范围或转移作业部位时, 应重新办理。对作业审批手续不全、安全措施不落实、作业环境不符合安全要求的,作业人员有权拒绝作业。6.本证一式 2 份, 1 份交作业单位,一份由管理部门留存。附 2:受限空间安全作业许可证NO. 00001进入受限空间安全作业许可证申请部门受限空间(设备)名称作业部门作业负责人作业人员安全监护人作业内容作业时间年月日时至年月日时止风险分析和安全措施:分析项目取样时间取样部位合格标准分析结果分析人受限空间氧含量18%~21% 有毒气体名称可燃气体名称其他安全措施确认人签名:岗位班长签名:申请部门负责人签名:年月日安全部门负责人签名:年月日附 2:受限空间安全作业许可证NO. 00001进入受限空间安全作业许可证(存根)申 请 部 门受限空间(设备)名称作 业 部 门作 业 负 责 人作 业 人 员安 全 监 护人作 业 内 容作 业 时 间年月日时至年月日时止风险分析和安全措施:分析项目取样时间取样部位合格标准分析结果分析人受限空间氧含量18%~21% 有毒气体名称可燃气体名称其他安全措施确认人签名:岗位班长签名:申请部门负责人签名:年月日安全部门负责人签名:年月日附 2 续:进入受限空间风险分析和安全措施序号风险分析安全措施选项√1 作业人员身体状况不好体质较弱的人员不宜进入内2 作业人员不清楚现场危...

1、当您付费下载文档后,您只拥有了使用权限,并不意味着购买了版权,文档只能用于自身使用,不得用于其他商业用途(如 [转卖]进行直接盈利或[编辑后售卖]进行间接盈利)。
2、本站所有内容均由合作方或网友上传,本站不对文档的完整性、权威性及其观点立场正确性做任何保证或承诺!文档内容仅供研究参考,付费前请自行鉴别。
3、如文档内容存在违规,或者侵犯商业秘密、侵犯著作权等,请点击“违规举报”。

碎片内容

进入有限空间作业许可证

您可能关注的文档

文库响当当+ 关注
实名认证
内容提供者

该用户很懒,什么也没介绍

确认删除?
VIP
微信客服
  • 扫码咨询
会员Q群
  • 会员专属群点击这里加入QQ群
客服邮箱
回到顶部