电脑桌面
添加小米粒文库到电脑桌面
安装后可以在桌面快捷访问

通风防排烟工程施工组织方案

通风防排烟工程施工组织方案_第1页
1/12
通风防排烟工程施工组织方案_第2页
2/12
通风防排烟工程施工组织方案_第3页
3/12
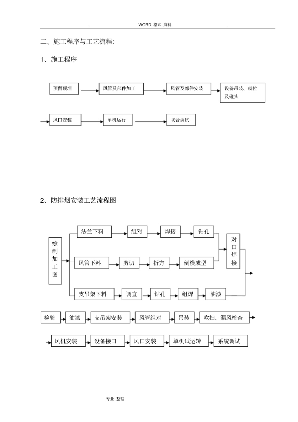
. WORD 格式 .资料. 专业 .整理通风防排烟工程施工方案. WORD 格式 .资料. 专业 .整理一、工程简介:本工程施工范围为D1 — D9 公租楼及 D 组团车库的通风防排烟系统安装。1、D 组团车库建筑面积: 34679.68 ㎡;停车位: 988 辆;共 2 层,高度 8.1 米;负一层层高为 4.2 米,负二层层高为 3.9 米。每层楼分七个防火分区,各防火分区分别设置排风及送风系统。排风系统兼作事故排烟系统,送风系统兼作事故补风系统。2、D8,D9 号楼建筑面积: 46113.48 ㎡;建筑层数 :32F;建筑高度: 99.9M 。3、D6 号楼,D-5 商业建筑面积:24056.66 ㎡;建筑层数 :32F;建筑高度:98.1M ;4、D5 号楼,D-4 商业建筑面积:25135.57 ㎡;建筑层数 :32F;建筑高度:98.1M ;5、D4 号楼, D-2 商业, D-3 商业建筑面积: 25847.02 ㎡;建筑层数 :32F;建筑高度: 98.1M ;6、D2,D3 号楼建筑面积: 46303.83 ㎡; 建筑层数 :32F;建筑高度: 97.8M 7、D1,D7 号楼建筑面积: 21640.31 ㎡;其占地面积: 719.69 ㎡;D1— D9 公租楼楼梯间每隔一层设一个正压风口,失火时全部开启; 前室每层设一个正压风口,失火时开启失火层及其上下相邻层。加压风机设在塔楼屋面或架空楼层,由消防中心控制开启其加压风机。D-2~D-5商业区域分别设置排风兼排烟系统。. WORD 格式 .资料. 专业 .整理二、施工程序与工艺流程:1、施工程序2、防排烟安装工艺流程图吊装检验油漆支吊架安装风管组对设备接口风口安装单机试运转系统调试吹扫、漏风检查绘制加工图法兰下料焊接钻孔风管下料剪切折方支吊架下料调直钻孔倒模成型组焊油漆对口焊接组对风机安装预留预埋风管及部件加工风管及部件安装设备吊装、就位及碰头单机运行风口安装联合调试. WORD 格式 .资料. 专业 .整理3、施工要点该分项工程的要点如下:①风管制作;②风管系统安装;③防排烟工程安装;④单机试运转、设备试运转及联合调试。三、施工方法1、风管制作(1)风管管材选择及连接方式:风管选材表风管形状材质用途连接方式厚度矩形无机玻璃钢防排烟系统法兰连接按规范GB50243-2002 要求采用圆形无机玻璃钢加压送风系统法兰连接按规范GB50243-2002 要求采用螺栓规格( mm ). WORD 格式 .资料. 专业 .整理(2)制作要求:①加工前根据图纸及现场具体情况,绘制风管加工图,做出风管加工计划。②风管的拼料应尽量减少纵向拼接,制作长度以2m ...

1、当您付费下载文档后,您只拥有了使用权限,并不意味着购买了版权,文档只能用于自身使用,不得用于其他商业用途(如 [转卖]进行直接盈利或[编辑后售卖]进行间接盈利)。
2、本站所有内容均由合作方或网友上传,本站不对文档的完整性、权威性及其观点立场正确性做任何保证或承诺!文档内容仅供研究参考,付费前请自行鉴别。
3、如文档内容存在违规,或者侵犯商业秘密、侵犯著作权等,请点击“违规举报”。

碎片内容

通风防排烟工程施工组织方案

确认删除?
VIP
微信客服
  • 扫码咨询
会员Q群
  • 会员专属群点击这里加入QQ群
客服邮箱
回到顶部