电脑桌面
添加小米粒文库到电脑桌面
安装后可以在桌面快捷访问

品质经理KPI考核指标VIP免费

品质经理KPI考核指标_第1页
1/6
品质经理KPI考核指标_第2页
2/6
品质经理KPI考核指标_第3页
3/6
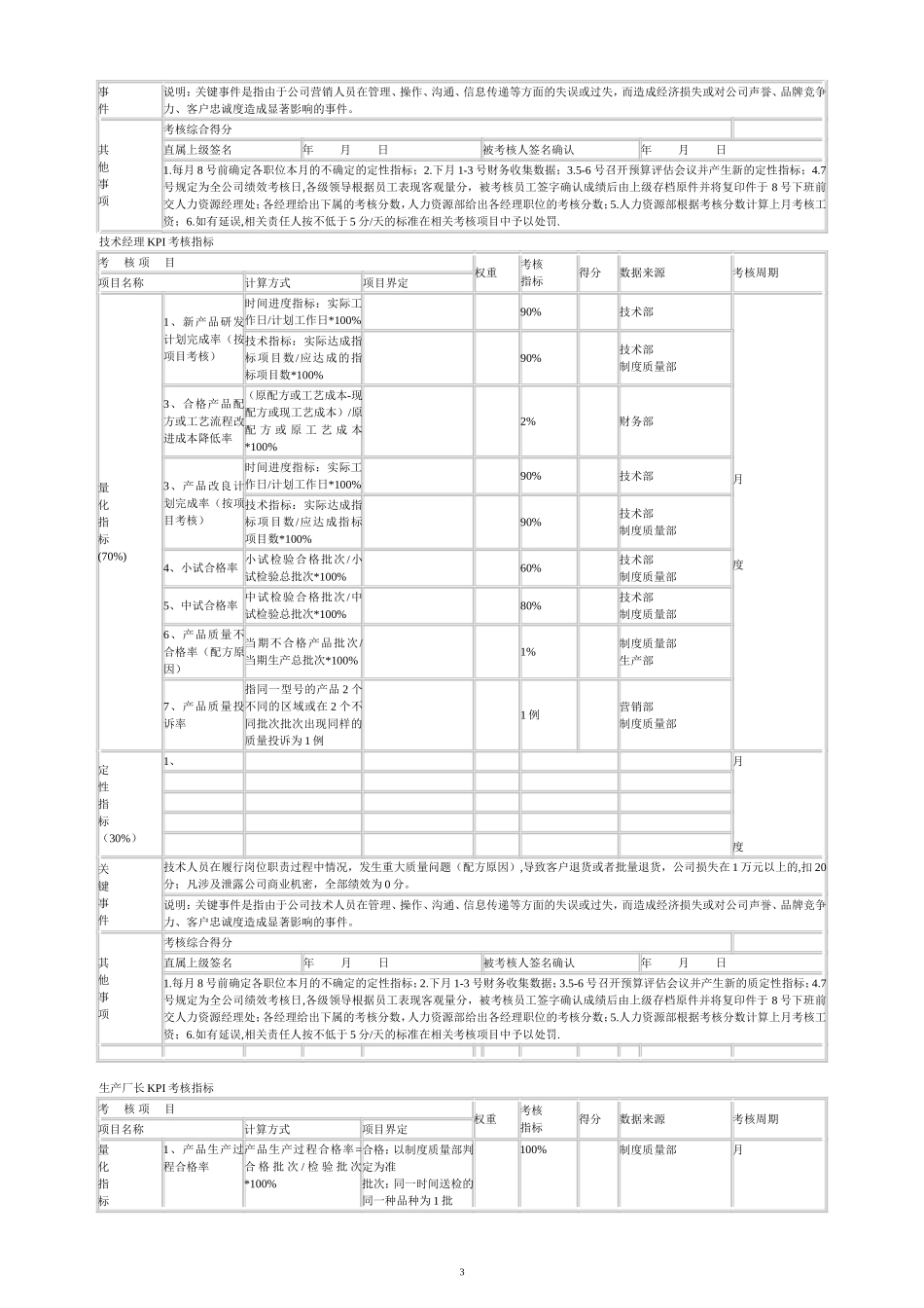
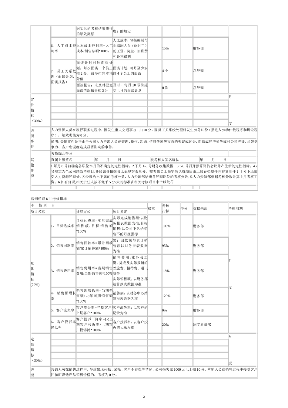
1品质经理KPI考核指标考核项目权重考核指标得分数据来源考核周期项目名称计算方式项目界定量化指标(70%)1、检验准确性进料检验准确性原材料:生产性原材料100%生产部(仓库)月度产品检验准确性产品:已出厂上市的销售产品;不合格:以抽检不合格检验报告为准99%制度质量部2、产品合格率产品合格率=合格批次/送检总批次*100%合格:符合公司内控质量标准批次:同一种产品同一批次同一检测时间为一批99%制度质量部3、检验及时性(进料、过程)进料检验及时率=及时检验批次/检验总批次*100%100%制度质量部生产部过程检验及时率=及时检验批次/检验总批次*100100%制度质量部生产部4、检验费用控制率检验费用控制率=当期实际检验费用/标准检验费用*100%检验费用:包括检验人员的工资、试剂、检验器具等费用标准:根据预算确定定额100%财务部5、客诉每出现一次客户投诉,扣3分,最多扣完本项分值投诉:售后因质量问题发生处理费用的投诉营销部定性指标(30%)月度关键事件品质人员在履行岗位过程中,发生重大质量问题,导致客户批量退货,全部绩效为0分。说明:关键事件是指由于公司品质人员在管理、操作、沟通、信息传递等方面的失误或过失,而造成经济损失或对公司声誉、品牌竞争力、客户忠诚度造成显著影响的事件。其他事项考核综合得分直属上级签名年月日被考核人签名确认年月日1.每月8号前确定各职位本月的不确定的定性指标;2.下月1-3号财务收集数据;3.5-6号召开预算评估会议并产生新的质定性指标;4.7号规定为全公司绩效考核日,各级领导根据员工表现客观量分,被考核员工签字确认成绩后由上级存档原件并将复印件于8号下班前交人力资源经理处;各经理给出下属的考核分数,人力资源部给出各经理职位的考核分数;5.人力资源部根据考核分数计算上月考核工资;6.如有延误,相关责任人按不低于5分/天的标准在相关考核项目中予以处罚.人力资源经理KPI考核指标考核项目权重考核指标得分数据来源考核周期项目名称计算方式项目界定量化指标(70%)1、岗位招聘及时性每出现一人次岗位未及时到位扣2分,并转入下期考核,再次未到位扣5分,最多扣完本项分值到位:以办理入职手续为准不及时:与岗位招聘计划规定的到位时间不符0个各部门月度2、人员流失量每流失一个人员扣2分,最多扣完本项分值流失:指主动辞职的人员0个各部门3、培训计划达成率培训计划达成率=实际培训次数/计划培训次数*100%培训计划:指计划内安排的安排的培训,不包括计划外的培训,部门内部组织小型培训除外90%培训计划5、绩效考核体系(考核数据的真实性、绩效奖惩的公平性)考核数据真实性:指数据的准确性与提交的及时性抽查各数据的来源,并于每月10日前提交绩效考核汇总表100%各部门绩效奖惩的公平性:根符合《绩效考核管理制100%总经理2据实际的考核结果施行的绩效奖惩度》的规定6、人工成本控制率人本成本控制率=人工成本/销售总额*100%人工成本:包括编制与非编制人员(临时工)的工资、奖金、加班费和各项福利15%财务部7、员工关系处理(面谈计划、面谈报告)面谈计划对照面谈计划,每少面谈一个员工扣2分,最多扣完本项分值面谈计划:每月至少安排4个员工的面谈4个总经理面谈报告:未及时提交面谈情况报告扣3分及时:每月10号前提交上月的面谈计划0次总经理定性指标(30%)月度关键事件人力资源人员在履行职务过程中,因发生重大交通事故,扣20分。因员工关系没处理好发生劳务纠纷(指进入劳动仲裁程序和诉讼程序),绩效考核为0分。说明:关键事件是指由于公司人力资源人员在管理、操作、沟通、信息传递等方面的失误或过失,而造成经济损失或对公司声誉、品牌竞争力、客户忠诚度造成显著影响的事件。其他事项考核综合得分直属上级签名年月日被考核人签名确认年月日1.每月8号前确定各职位本月的不确定的定性指标;2.下月1-3号财务收集数据;3.5-6号召开预算评估会议并产生新的定性指标;4.7号规定为全公司绩效考核日,各级领导根据员工表现客观量分,被考核员工签字确认成绩后由上级存档原件并将复印件于8号下班前交人力资源经理处;各经理给出下属的考核分数,人力资源部给出各经理职位的考核分数;5.人力资源部根据...

1、当您付费下载文档后,您只拥有了使用权限,并不意味着购买了版权,文档只能用于自身使用,不得用于其他商业用途(如 [转卖]进行直接盈利或[编辑后售卖]进行间接盈利)。
2、本站所有内容均由合作方或网友上传,本站不对文档的完整性、权威性及其观点立场正确性做任何保证或承诺!文档内容仅供研究参考,付费前请自行鉴别。
3、如文档内容存在违规,或者侵犯商业秘密、侵犯著作权等,请点击“违规举报”。

碎片内容

品质经理KPI考核指标

您可能关注的文档

确认删除?
VIP
微信客服
  • 扫码咨询
会员Q群
  • 会员专属群点击这里加入QQ群
客服邮箱
回到顶部