电脑桌面
添加小米粒文库到电脑桌面
安装后可以在桌面快捷访问

配网工程施工技术记录卡片目录及模板

配网工程施工技术记录卡片目录及模板_第1页
1/42
配网工程施工技术记录卡片目录及模板_第2页
2/42
配网工程施工技术记录卡片目录及模板_第3页
3/42
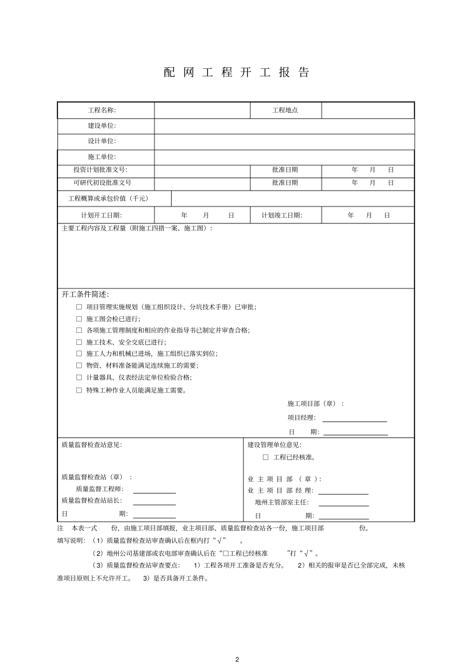
1 附件 3 配网工程施工技术记录卡片目录及模板配网工程开工报告................................................................................................................................................ 1配网施工图会审记录 ............................................................................................................................................ 2工程复工申请表 .................................................................................................................................................... 3 工作联系单 ............................................................................................................................................................ 4 会议记录 ................................................................................................................................................................ 5 签到表 .................................................................................................................................................................... 6 文件收发记录 ........................................................................................................................................................ 6 会议记录问题执行反馈表 .................................................................................................................................... 7 线路复测记录报验申请表 .................................................................................................................................... 8拉线安装与基础安装检查记录报验申请表 ...................................................................................................... 10拉线安装与基础安装检查记录 .......................................................................................................................... 11电杆组立与绝缘子安装检查记录报验申请表 .................................................................................................. 12...

1、当您付费下载文档后,您只拥有了使用权限,并不意味着购买了版权,文档只能用于自身使用,不得用于其他商业用途(如 [转卖]进行直接盈利或[编辑后售卖]进行间接盈利)。
2、本站所有内容均由合作方或网友上传,本站不对文档的完整性、权威性及其观点立场正确性做任何保证或承诺!文档内容仅供研究参考,付费前请自行鉴别。
3、如文档内容存在违规,或者侵犯商业秘密、侵犯著作权等,请点击“违规举报”。

碎片内容

配网工程施工技术记录卡片目录及模板

确认删除?
VIP
微信客服
  • 扫码咨询
会员Q群
  • 会员专属群点击这里加入QQ群
客服邮箱
回到顶部