电脑桌面
添加小米粒文库到电脑桌面
安装后可以在桌面快捷访问

金属切削机床概论习题及答案

金属切削机床概论习题及答案_第1页
1/25
金属切削机床概论习题及答案_第2页
2/25
金属切削机床概论习题及答案_第3页
3/25
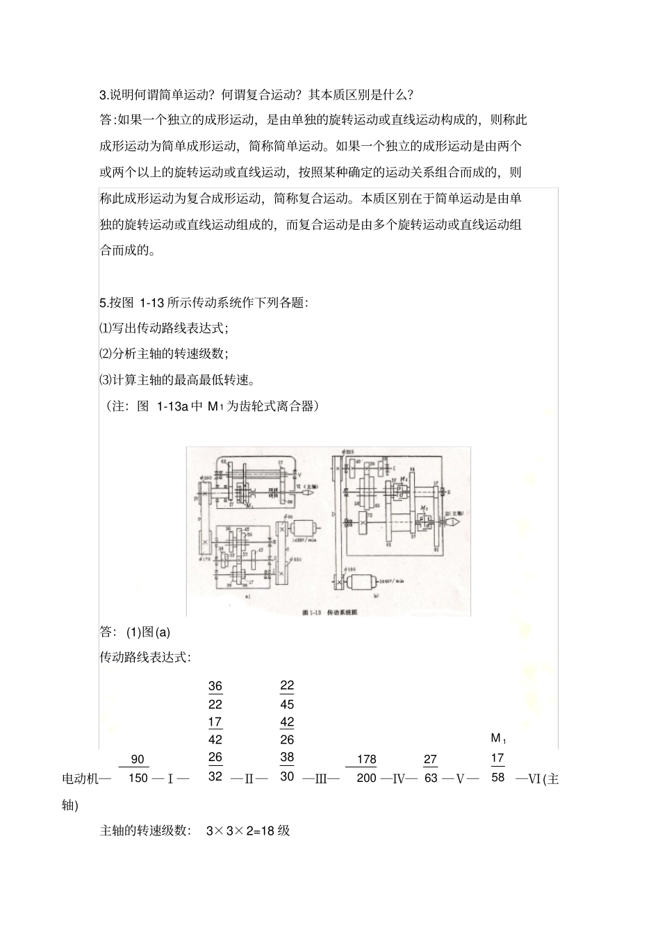
金属切削机床概论习题及答案第一章1.举例说明通用 (万能)铣床、专门化机床和专用机床的主要区别是什么,它们的适用范围怎样 ? 答: 通用化机床的工艺范围很宽, 可以加工一定尺寸范围内的各种类型的零件,如完成多种多样的工序,如卧式车床、万能外圆磨床、摇臂钻床等。专门化机床的工艺范围较窄,只能加工一定尺寸范围内的某一类( 或少数几类 )的零件,完成某一种 ( 或少数几种 ) 特定工序,如凸轮车床、轧辊机床等。专用机床的工艺范围最窄,通常只能完成某一特定零件的特定工序。2.说明下列机床的名称和主参数(第二主参数):CM6132 ,C1336,C2150×6,Z3040×16,XK5040 ,B2021A,MGB1432 。答: CM6132 C─车床类, M ─精密型, 61─卧式车床系, 32─最大回转直径的 1/10 。C1336 C─车床类, 1─单轴自动, 13─单轴转塔自动车床系, 36─最大车削直径的 1/10 。Z3040×16 Z─钻床类, 3─摇臂钻床, 30─摇臂钻床系, 40─最大钻孔直径,16─最大跨距。C2150×6 C─车床类, 2─多轴自动半自动车床,21─多轴棒料自动机床系,50─最大棒料直径, 6─轴数。T4163B T─镗床类, 4─坐标镗床, 41─单柱坐标镗床, 63─工作台面宽度的1/10 ,B─第二次重大改进。XK5040 X─铣床类, K ─数控,5─立式升降台铣床, 50─立式升降台铣床系,40─工作台宽度的 1/10 。B2021A B─刨床类, 20─龙门刨床系, 21─最大刨削宽度的1/10 ,A─第一次重大改进。MGB1432 M ─磨床类, G─高精度, B─半自动, 1─外圆磨床, 14─万能外圆磨床, 3 最大磨削直径的 1/10 。3.说明何谓简单运动?何谓复合运动?其本质区别是什么?答:如果一个独立的成形运动,是由单独的旋转运动或直线运动构成的,则称此成形运动为简单成形运动,简称简单运动。如果一个独立的成形运动是由两个或两个以上的旋转运动或直线运动,按照某种确定的运动关系组合而成的,则称此成形运动为复合成形运动,简称复合运动。本质区别在于简单运动是由单独的旋转运动或直线运动组成的,而复合运动是由多个旋转运动或直线运动组合而成的。5.按图 1-13 所示传动系统作下列各题:⑴写出传动路线表达式;⑵分析主轴的转速级数;⑶计算主轴的最高最低转速。(注:图 1-13a 中 M 1 为齿轮式离合器)答: (1)图(a) 传动路线表达式:电动机─15090 ─Ⅰ─322642172236─Ⅱ─303826424522─Ⅲ─200178─Ⅳ─ 6327 ─...

1、当您付费下载文档后,您只拥有了使用权限,并不意味着购买了版权,文档只能用于自身使用,不得用于其他商业用途(如 [转卖]进行直接盈利或[编辑后售卖]进行间接盈利)。
2、本站所有内容均由合作方或网友上传,本站不对文档的完整性、权威性及其观点立场正确性做任何保证或承诺!文档内容仅供研究参考,付费前请自行鉴别。
3、如文档内容存在违规,或者侵犯商业秘密、侵犯著作权等,请点击“违规举报”。

碎片内容

金属切削机床概论习题及答案

文库当当响+ 关注
实名认证
内容提供者

该用户很懒,什么也没介绍

确认删除?
VIP
微信客服
  • 扫码咨询
会员Q群
  • 会员专属群点击这里加入QQ群
客服邮箱
回到顶部