电脑桌面
添加小米粒文库到电脑桌面
安装后可以在桌面快捷访问

后置连墙件施工方案VIP免费

后置连墙件施工方案_第1页
1/4
后置连墙件施工方案_第2页
2/4
后置连墙件施工方案_第3页
3/4
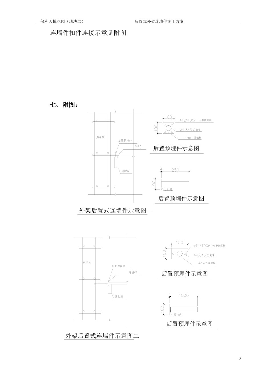
保利天悦花园(地块二)后置式外架连墙件施工方案后置式外架连墙件施工方案一、编制依据1、本工程设计图纸及施工组织设计2、《建筑施工扣件式钢管脚手架安全技术规范》(JGJ130—2011)3、《建筑施工安全检查标准》(JGJ59—2011)4、《建筑施工高处作业安全技术规范》(JGJ80—2016)5、本工程外脚手架施工方案二、工程概况工程建设概况一览表工程名称保利天悦花园地块二工程地址福州市鼓楼区铜盘路北侧、北二环路南侧建设单位福州中悦房地产开发有限公司监理单位福州市建设工程管理有限公司设计单位嘉博(福建)联合设计有限公司施工单位广州富利建筑安装公司有限公司建筑总高度123.55米结构类型框架剪力墙结构三、施工部署在安全检查中发现部分外架连墙件漏设,根据规范要求在连墙件漏设的部位增设后置式连墙件,并满足两步三跨的要求。施工方法:在结构砼上设置后置埋件,螺栓固定,采用钢管将外架与后置埋件刚性连接。(详附图)四、后置连墙件的材质要求1、后置埋件采用100*100mm或100*150mm钢板与短钢管焊接后用螺栓固定在结构砼上;钢板厚度不小于4mm,与短钢管焊接牢固,要求焊缝满焊。2、钢管采用Φ48.0×3.0mm的型号(考虑市场因素,计算书中按Φ48×2.8mm计算),后置埋件钢管长度25cm,连墙杆钢管长度不得小于1.0m。4、扣件采用可锻铸铁制作的直角扣件,在螺栓拧紧扭力矩达65N·m时,不得发生破坏。所用材料钢板、螺栓、钢管、扣件要有出厂合格证,其外观质量应验收合格后才能使用。五、后置连墙件搭设流程及要求1保利天悦花园(地块二)后置式外架连墙件施工方案1、搭设工艺流程为:焊接后置埋件→安装固定→搭设连墙杆→检查验收。连墙杆一端与外架内外排立杆固定连接,另一端固定在楼面结构后置预埋件上。2、连墙件必须采用可承受拉压构造,距外架主节点≤300,从第一步水平杆处开始按两步三跨设置,连墙件垂直间距≤层高并≤4000mm。3、连墙件中的连墙杆应水平设置,当不能水平设置时,应向脚手架一端下斜连接。六、连墙件的计算:连墙件的轴向力设计值应按照下式计算:Nl=Nlw+N0(《扣规》5.4.1)风荷载标准值=0.090kN/m2;每个连墙件的覆盖面积内,脚手架外侧的迎风面积Aw=1.8×2步×1.5×3跨=10.8m2;按《扣规》5.4.1条N0=5.000kN;风荷载产生的连墙件轴向力设计值(kN),按照下式计算:Nlw=1.4×Wk×Aw=1.4×0.090×10.8=1.36kN;连墙件的轴向力设计值Nl=Nlw+N0=1.36+5.0=6.36kN;连墙件承载力设计值按下式计算:Nf=φ·A·[f]其中φ--轴心受压立杆的稳定系数;由长细比=300/15.9=18.87的结果查表得到φ=0.951,为内排架距离墙的长度;又:A=3.97cm2;[f]=205.00N/mm2;连墙件轴向承载力设计值为Nf=0.966×3.970×10-4×205.000×103=77.4kN;Nl=6.36

1、当您付费下载文档后,您只拥有了使用权限,并不意味着购买了版权,文档只能用于自身使用,不得用于其他商业用途(如 [转卖]进行直接盈利或[编辑后售卖]进行间接盈利)。
2、本站所有内容均由合作方或网友上传,本站不对文档的完整性、权威性及其观点立场正确性做任何保证或承诺!文档内容仅供研究参考,付费前请自行鉴别。
3、如文档内容存在违规,或者侵犯商业秘密、侵犯著作权等,请点击“违规举报”。

碎片内容

后置连墙件施工方案

您可能关注的文档

文章天下+ 关注
实名认证
内容提供者

各种文档应有尽有

确认删除?
微信客服
  • 扫码咨询
会员Q群
  • 会员专属群点击这里加入QQ群