电脑桌面
添加小米粒文库到电脑桌面
安装后可以在桌面快捷访问

钳工制作啤酒瓶盖启

钳工制作啤酒瓶盖启_第1页
1/6
钳工制作啤酒瓶盖启_第2页
2/6
钳工制作啤酒瓶盖启_第3页
3/6
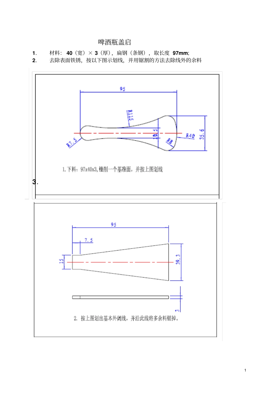
1 啤酒瓶盖启1.材料: 40(宽)× 3(厚),扁钢(条钢),取长度 97mm;2.去除表面铁锈,按以下图示划线,并用锯割的方法去除线外的余料3.2 3.按以下图示划线,确定37.2 和 7.5 的尺寸 ,并用锯割的方法去除线外的余料4.按以下图示划线,确定35 和 10.5 的尺寸 ,并用锯割的方法去除线外的余料5.按以下图示划线,确定12 和 3.9 的尺寸 ,并用锯割的方法去除线外的余料3 6. 确定尺寸 4.4, 6.2, 30.6, 2.8, 36.8, 8.4,对该处进行锯切或锉修 ; 7. 按原来画线 ,对尺寸 R115 处进行锉修 ; 8. 按原来画线 ,对尺寸 R7.5, R8, R40 处进行锉修 ; 4 9. 按图示画出内部挖孔形状; 10.按尺寸钻 6 个 Φ 3 的孔 ; 5 6

1、当您付费下载文档后,您只拥有了使用权限,并不意味着购买了版权,文档只能用于自身使用,不得用于其他商业用途(如 [转卖]进行直接盈利或[编辑后售卖]进行间接盈利)。
2、本站所有内容均由合作方或网友上传,本站不对文档的完整性、权威性及其观点立场正确性做任何保证或承诺!文档内容仅供研究参考,付费前请自行鉴别。
3、如文档内容存在违规,或者侵犯商业秘密、侵犯著作权等,请点击“违规举报”。

碎片内容

钳工制作啤酒瓶盖启

爱的疯狂+ 关注
实名认证
内容提供者

该用户很懒,什么也没介绍

确认删除?
VIP
微信客服
  • 扫码咨询
会员Q群
  • 会员专属群点击这里加入QQ群
客服邮箱
回到顶部