电脑桌面
添加小米粒文库到电脑桌面
安装后可以在桌面快捷访问

钳工金属切割VIP专享

钳工金属切割_第1页
1/9
钳工金属切割_第2页
2/9
钳工金属切割_第3页
3/9
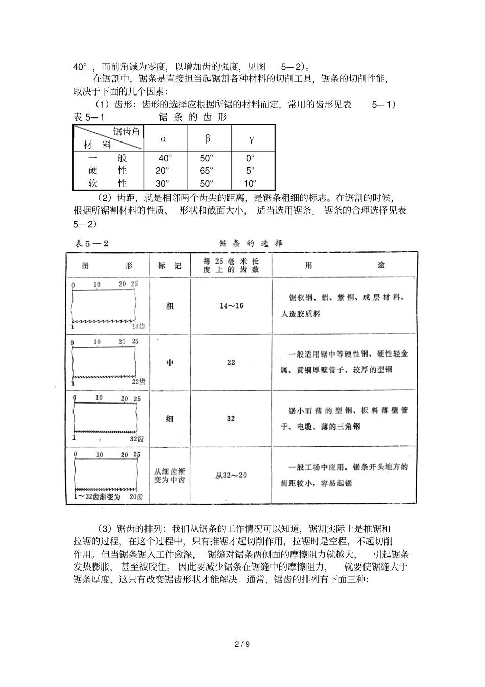
1 / 9 第五章金属切割把金属材料用切割工具分割成若干部分,这种操作叫做切割。 切割工具主要有手锯和剪刀,用机械切割的有机械锯、电动角磨机、型材切割机和机械剪。用氧-乙炔焰的叫气割。有些操作(比如气割)一般不属于钳工的工作范围。第一节金属锯割1.锯的构造:锯主要由锯弓和锯条两部分组成。锯弓可分为固定式和可调式两种,如图 5— 1)所示。2.锯条:锯条上每个锯齿的作用,大致相当于形状相同的錾子那样,所以锯齿的角度与錾子相似,也分成楔角β 、后角 α 、前角 γ 和切削角 δ ,歌个角的作用和錾子一样;但在构造上也有不同的特点,比如,根据锯割时要切下较多的切屑,要求锯齿要有较大的容屑空隙, 所以锯齿的后角 α 要比錾子的后角 α 大,一般为2 / 9 40° ,而前角减为零度,以增加齿的强度,见图5— 2)。在锯割中,锯条是直接担当起锯割各种材料的切削工具,锯条的切削性能,取决于下面的几个因素:(1)齿形:齿形的选择应根据所锯的材料而定,常用的齿形见表5— 1)表 5— 1 锯 条 的 齿 形锯齿角αβγ材料一般40°50°0°硬性20°65°5°软性30°50°10°(2)齿距,就是相邻两个齿尖的距离,是锯条粗细的标志。在锯割的时候,根据所锯割材料的性质、 形状和截面大小, 适当选用锯条。 锯条的合理选择见表5— 2)(3)锯齿的排列:我们从锯条的工作情况可以知道,锯割实际上是推锯和拉锯的过程,在这个过程中,只有推锯才起切削作用,拉锯时是空程,不起切削作用。但当锯条锯入工件愈深, 锯缝对锯条两侧面的摩擦阻力就越大,引起锯条发热膨胀, 甚至被咬住。 因此要减少锯条在锯缝中的摩擦阻力,就要使锯缝大于锯条厚度,这只有改变锯齿形状才能解决。通常,锯齿的排列有下面三种:3 / 9 宽齿尖的锯齿,如图5— 3a)所示,齿尖宽,齿根窄,这样锯缝几大于锯条厚度,这种锯齿一般在生产上较少使用。波浪形排列的锯齿,如图5— 3b)所示,每 3~4 个锯齿就交替拨向两边,形成波浪形状。交错排列的锯齿,每个齿都交错地向两边拨斜0.25~0.8 毫米,如图 5— 3c)所示。锯齿波浪形状和交错排列的锯条,在工厂生产上都是常用的。3.锯割的操作(1)锯条的安装:锯割是向前推的时候,才起切削作用的,因此锯条的安装应使锯齿的切削面(前倾面)向推力的方向(齿向前)。(2)锯条的松紧要适当,过紧会使锯条失去弹性,过松会使锯条在锯割时发生弯曲和左右摆动现象, 甚至会...

1、当您付费下载文档后,您只拥有了使用权限,并不意味着购买了版权,文档只能用于自身使用,不得用于其他商业用途(如 [转卖]进行直接盈利或[编辑后售卖]进行间接盈利)。
2、本站所有内容均由合作方或网友上传,本站不对文档的完整性、权威性及其观点立场正确性做任何保证或承诺!文档内容仅供研究参考,付费前请自行鉴别。
3、如文档内容存在违规,或者侵犯商业秘密、侵犯著作权等,请点击“违规举报”。

碎片内容

钳工金属切割

爱的疯狂+ 关注
实名认证
内容提供者

该用户很懒,什么也没介绍

相关文档

确认删除?
VIP
微信客服
  • 扫码咨询
会员Q群
  • 会员专属群点击这里加入QQ群
客服邮箱
回到顶部