电脑桌面
添加小米粒文库到电脑桌面
安装后可以在桌面快捷访问

钻孔灌注桩开工条件验收表

钻孔灌注桩开工条件验收表_第1页
1/36
钻孔灌注桩开工条件验收表_第2页
2/36
钻孔灌注桩开工条件验收表_第3页
3/36
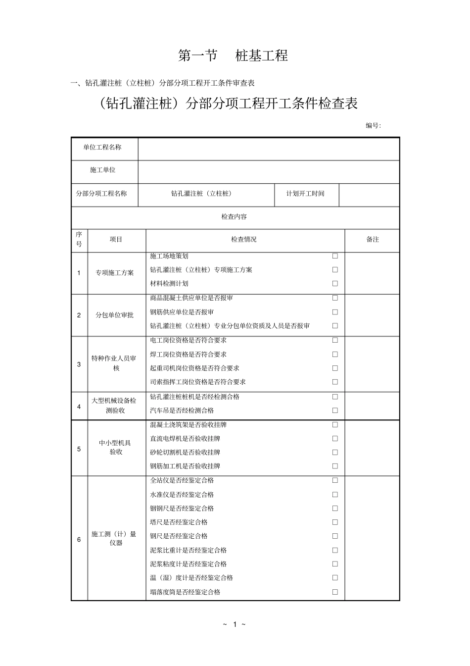
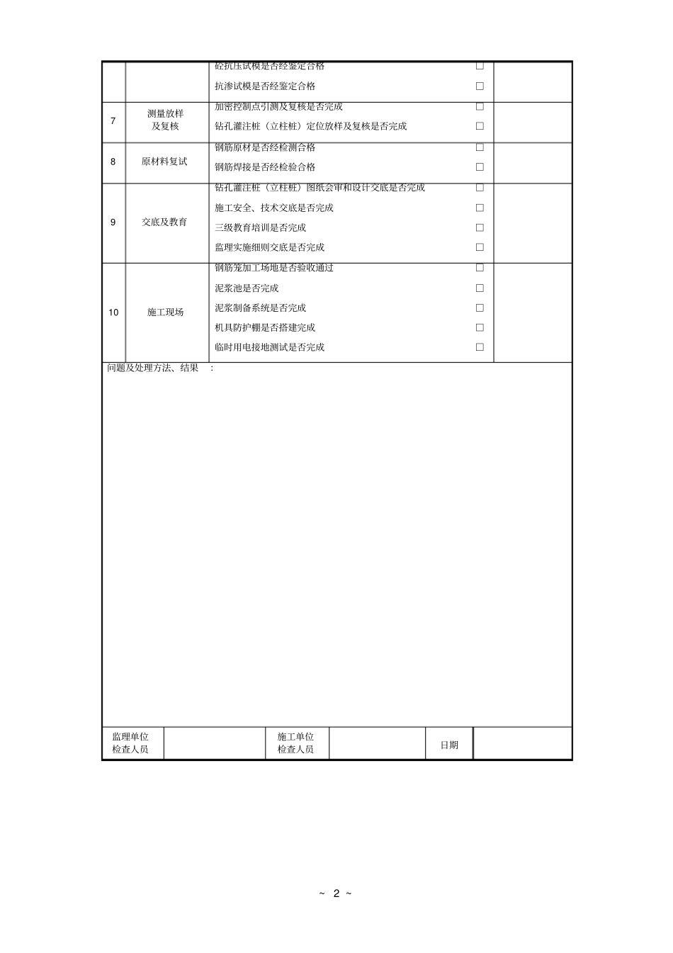
~ 1 ~第一节桩基工程一、钻孔灌注桩(立柱桩)分部分项工程开工条件审查表(钻孔灌注桩)分部分项工程开工条件检查表编号:单位工程名称施工单位分部分项工程名称钻孔灌注桩(立柱桩)计划开工时间检查内容序号项目检查情况备注1 专项施工方案施工场地策划□钻孔灌注桩(立柱桩)专项施工方案□材料检测计划□2 分包单位审批商品混凝土供应单位是否报审□钢筋供应单位是否报审□ 钻孔灌注桩(立柱桩)专业分包单位资质及人员是否报审□3 特种作业人员审核电工岗位资格是否符合要求□ 焊工岗位资格是否符合要求□ 起重司机岗位资格是否符合要求□ 司索指挥工岗位资格是否符合要求□4 大型机械设备检测验收钻孔灌注桩桩机是否经检测合格□ 汽车吊是否经检测合格□ 5 中小型机具验收混凝土浇筑架是否验收挂牌□ 直流电焊机是否验收挂牌□ 砂轮切割机是否验收挂牌□ 钢筋加工机是否验收挂牌□ 6 施工测(计)量仪器全站仪是否经鉴定合格□ 水准仪是否经鉴定合格□ 铟钢尺是否经鉴定合格□ 塔尺是否经鉴定合格□钢尺是否经鉴定合格□ 泥浆比重计是否经鉴定合格□ 泥浆粘度计是否经鉴定合格□温(湿)度计是否经鉴定合格□塌落度筒是否经鉴定合格□~ 2 ~砼抗压试模是否经鉴定合格□ 抗渗试模是否经鉴定合格□ 7 测量放样及复核加密控制点引测及复核是否完成□ 钻孔灌注桩(立柱桩)定位放样及复核是否完成□8 原材料复试钢筋原材是否经检测合格□钢筋焊接是否经检验合格□9 交底及教育钻孔灌注桩(立柱桩)图纸会审和设计交底是否完成□施工安全、技术交底是否完成□ 三级教育培训是否完成□监理实施细则交底是否完成□10 施工现场钢筋笼加工场地是否验收通过□泥浆池是否完成□ 泥浆制备系统是否完成□机具防护棚是否搭建完成□临时用电接地测试是否完成□问题及处理方法、结果:监理单位检查人员施工单位检查人员日期~ 3 ~二、钻孔灌注桩(立柱桩、逆作法桩、抗浮桩)分部分项工程质量控制内容和控制要点钻孔灌注桩(立柱桩、逆作法桩、抗浮桩)分部分项工程质量控制内容和控制要点序号施工流程施工内容和控制要点技术标准检测频率检测方法监理抽检频率检查及验收记录1 平整场地1、检查施工场地是否平整,施工场地应无坑洼及隆起情况。2、检查施工场地的地基承载力是否满足施工要求。3、施工场地应保证钻机平稳、牢固;应保证起重机械吊装作业平稳、无倾覆现象。4、根据 “沪建建( 97)第 0157 号”文件要求...

1、当您付费下载文档后,您只拥有了使用权限,并不意味着购买了版权,文档只能用于自身使用,不得用于其他商业用途(如 [转卖]进行直接盈利或[编辑后售卖]进行间接盈利)。
2、本站所有内容均由合作方或网友上传,本站不对文档的完整性、权威性及其观点立场正确性做任何保证或承诺!文档内容仅供研究参考,付费前请自行鉴别。
3、如文档内容存在违规,或者侵犯商业秘密、侵犯著作权等,请点击“违规举报”。

碎片内容

钻孔灌注桩开工条件验收表

您可能关注的文档

爱的疯狂+ 关注
实名认证
内容提供者

该用户很懒,什么也没介绍

确认删除?
VIP
微信客服
  • 扫码咨询
会员Q群
  • 会员专属群点击这里加入QQ群
客服邮箱
回到顶部