电脑桌面
添加小米粒文库到电脑桌面
安装后可以在桌面快捷访问

智能家居系统安装方案VIP专享

智能家居系统安装方案_第1页
1/80
智能家居系统安装方案_第2页
2/80
智能家居系统安装方案_第3页
3/80
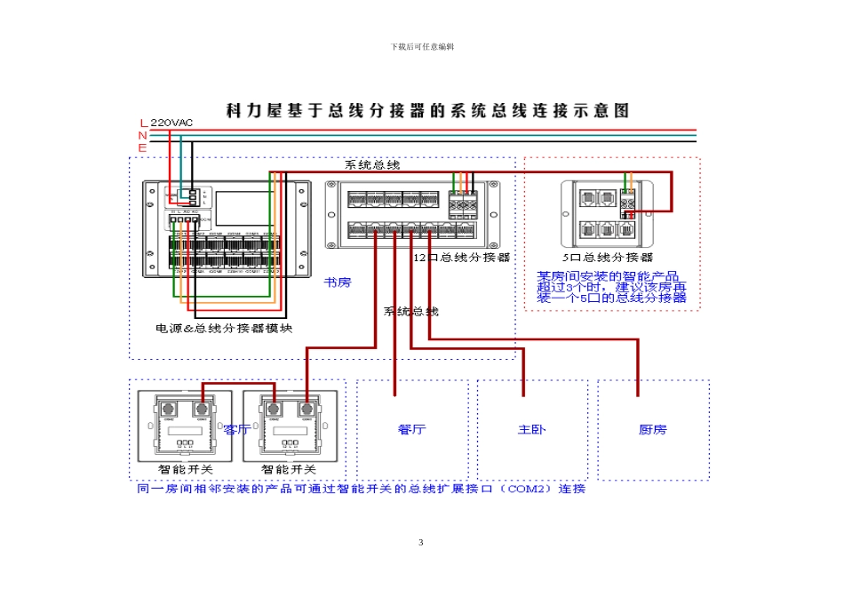
下载后可任意编辑科力屋智能家居系统一、系统产品安装接线概述1、系统连接示意图2、功能和布线方案确定3、布线、预埋和线路校验4、安装接线注意事项 1、系统连接示意图 科力屋智能家居系列产品安装虽然比较简便,但为了少走弯路,需要了解系统结构组成和线路连接方式(请参考下面的系统连接示意图),除此之外还要求严格遵循下列几个主要步骤: (1)功能和布线方案确定; (2)布线、预埋及线路校验; (3)产品安装与接线。1 下载后可任意编辑2 下载后可任意编辑3 下载后可任意编辑4 下载后可任意编辑 科力屋智能家居系统属于布线型家居系统,通讯总线采纳一根 8 芯(4×2×0.5 平方毫米)的标准宽带通讯双绞线(总共 4 对双绞线)。智能产品采纳水晶头插接的方式与通讯总线连接,总线水晶头按相同的标准宽带网线(568B 方式)排列线序制作 。 注:系统通讯用到其中的 6 芯线(分别对应 8P8C 水晶头的 3、4、5、6、7、8 号管脚):其中四芯传输 12V 沟通电源(采纳双线供电模式:3、4 号线为电源 AC-,5、6 号线为电源 AC+),另两芯传输信号(7 号线为信号 L 端,8 号线为信号 H 端)。系统总线连接注意事项: (1)系统电源(墙装式)与总线分接器之间,以及总线分接器与另一总线分接器之间要采纳端子连接,一定要保证端子号的对应,如系统电源端子的“H、L、OUT(+、-)”要分别接到总线分接器端子的“H、L、AC(+、-)”;假如采纳的是电源&总线分接器模块,则系统电源与总线分接器已合为一体(二者之间不再需要外部连线),非常非常的方便了,强烈推举使用! (2)总线分接器与智能产品之间采纳水晶头连接,但要保证每个水晶头的制作方法一样; (3)系统总线的分接假如不采纳总线分接器,除了保证接入产品的每个水晶头的制作方法一样外,还要求总线的分接处要保证每根线对应并接并保证线间绝缘。2、功能和布线方案确定 用户的功能需求在订购产品前就已经确定,关键是布线方案在布线前必须明确。主要考虑如下几点: (1) 220V 沟通电源的走线跟常规相同;对于别墅或多楼层结构的房子,需安装两个或多个系统电源(若照明电源存在三相混杂时,必须安装多个系统电源); (2)通讯总线的走线原则是从系统电源到总线分接器,再分接到每个智能产品;系统电源到总线分接器或两个总线分接器之间的通讯主干线最好采纳 0.8 ~ 1 平方毫米的四芯电缆,或采纳四对八芯双绞线,每对并接解决。5 下载...

1、当您付费下载文档后,您只拥有了使用权限,并不意味着购买了版权,文档只能用于自身使用,不得用于其他商业用途(如 [转卖]进行直接盈利或[编辑后售卖]进行间接盈利)。
2、本站所有内容均由合作方或网友上传,本站不对文档的完整性、权威性及其观点立场正确性做任何保证或承诺!文档内容仅供研究参考,付费前请自行鉴别。
3、如文档内容存在违规,或者侵犯商业秘密、侵犯著作权等,请点击“违规举报”。

碎片内容

智能家居系统安装方案

一帆文传+ 关注
实名认证
内容提供者

欢迎光临店铺,各类公文供您挑选。

确认删除?
VIP
微信客服
  • 扫码咨询
会员Q群
  • 会员专属群点击这里加入QQ群
客服邮箱
回到顶部