电脑桌面
添加小米粒文库到电脑桌面
安装后可以在桌面快捷访问

铁路工程质量控制要点

铁路工程质量控制要点_第1页
1/50
铁路工程质量控制要点_第2页
2/50
铁路工程质量控制要点_第3页
3/50
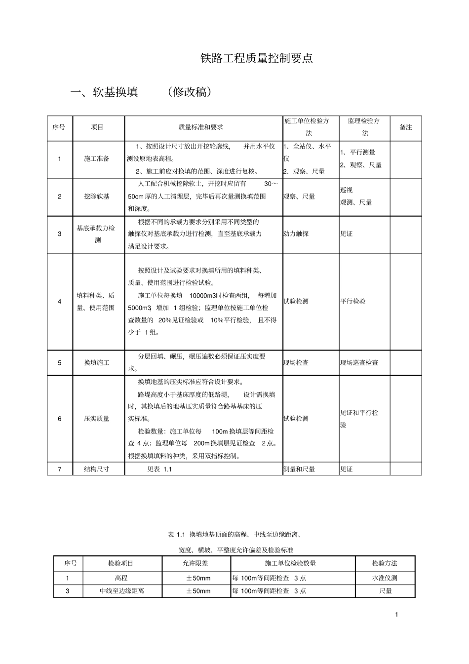
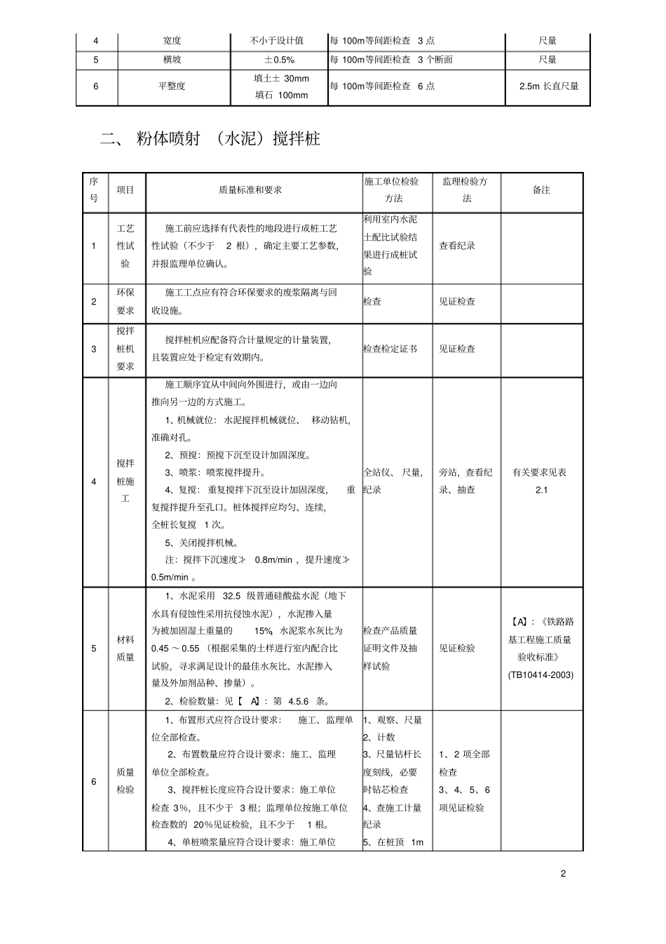
1 铁路工程质量控制要点一、软基换填(修改稿)序号项目质量标准和要求施工单位检验方法监理检验方法备注1施工准备1、按照设计尺寸放出开挖轮廓线,并用水平仪测设原地表高程。2、施工前应对换填的范围、深度进行复核。1、全站仪、水平仪2、观察、尺量1、平行测量2、观察、尺量2挖除软基人工配合机械挖除软土,开挖时应留有30~50cm 厚的人工清理层,完毕后再次量测换填范围和深度。观察、尺量巡视观测、尺量3基底承载力检测根据不同的承载力要求分别采用不同类型的触探仪对基底承载力进行检测,直至基底承载力满足设计要求。动力触探见证4填料种类、质量、使用范围按照设计及试验要求对换填所用的填料种类、质量、使用范围进行检验试验。施工单位每换填10000m3时检查两组, 每增加5000m3,增加 1 组检验;监理单位按施工单位检查数量的 20%见证检验或10%平行检验, 且不得少于 1 组。试验检测平行检验5换填施工分层回填、碾压,碾压遍数必须保证压实度要求。现场检查现场巡查检查6压实质量换填地基的压实标准应符合设计要求。路堤高度小于基床厚度的低路堤,设计需换填时,其换填后的地基压实质量符合路基基床的压实标准。检验数量:施工单位每100m 换填层等间距检查 4 点;监理单位每200m换填层见证检查2 点。根据换填填料的种类,采用双指标控制。试验检测见证和平行检验7结构尺寸见表 1.1 测量和尺量见证表 1.1 换填地基顶面的高程、中线至边缘距离、宽度、横坡、平整度允许偏差及检验标准序号检验项目允许限差施工单位检验数量检验方法1高程±50mm每 100m等间距检查3 点水准仪测3中线至边缘距离±50mm每 100m等间距检查3 点尺量2 4宽度不小于设计值每 100m等间距检查3 点尺量5横坡±0.5%每 100m等间距检查3 个断面尺量6平整度填土± 30mm填石 100mm每 100m等间距检查6 点2.5m 长直尺量二、 粉体喷射 (水泥)搅拌桩序号项目质量标准和要求施工单位检验方法监理检验方法备注1工艺性试验施工前应选择有代表性的地段进行成桩工艺性试验(不少于2 根),确定主要工艺参数,并报监理单位确认。利用室内水泥土配比试验结果进行成桩试验查看纪录2环保要求施工工点应有符合环保要求的废浆隔离与回收设施。检查见证检查3搅拌桩机要求搅拌桩机应配备符合计量规定的计量装置,且装置应处于检定有效期内。检查检定证书见证检查4搅拌桩施工施工顺序宜从中间向外围进行,或由一边向推向另一边的方式施工。1、机械就位:...

1、当您付费下载文档后,您只拥有了使用权限,并不意味着购买了版权,文档只能用于自身使用,不得用于其他商业用途(如 [转卖]进行直接盈利或[编辑后售卖]进行间接盈利)。
2、本站所有内容均由合作方或网友上传,本站不对文档的完整性、权威性及其观点立场正确性做任何保证或承诺!文档内容仅供研究参考,付费前请自行鉴别。
3、如文档内容存在违规,或者侵犯商业秘密、侵犯著作权等,请点击“违规举报”。

碎片内容

铁路工程质量控制要点

确认删除?
VIP
微信客服
  • 扫码咨询
会员Q群
  • 会员专属群点击这里加入QQ群
客服邮箱
回到顶部