电脑桌面
添加小米粒文库到电脑桌面
安装后可以在桌面快捷访问

铁路道岔和交叉名词术语

铁路道岔和交叉名词术语_第1页
1/13
铁路道岔和交叉名词术语_第2页
2/13
铁路道岔和交叉名词术语_第3页
3/13
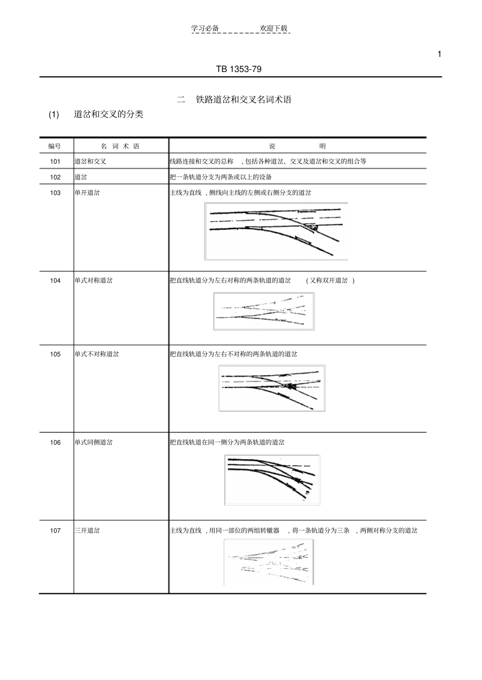
学习必备欢迎下载中华人民共和国铁道部部标准TB 1353-79 铁路道岔和交叉名词术语本标准规定有关铁路道岔和交叉的主要名词术语。一总则1本标准所列的名词术语分为:( 1)道岔和交叉的分类;( 2)一般名词术语;( 3)转辙器与辙叉;( 4)钢轨制件;( 5)零件。2 本标准的内容:( 1)第1栏为名词术语的编号;( 2)第 2栏为名词术语;( 3)第3栏为名词术语的说明;( 4)某些名词术语的说明之后有(又称⋯⋯)者,是指涵义相同习用已久的名词术语,暂时可以并存,但将逐渐淘汰;(5)本标准说明中的插图及附图为补充说明用的示意图。3 本标准附录中的英、俄译名仅作参考。如无适当的译名,则用“-”表示。中华人民共和国铁道部发布 1980-04-01实施学习必备欢迎下载1 TB 1353-79 二铁路道岔和交叉名词术语 (1)道岔和交叉的分类编号名词 术 语说明101 道岔和交叉线路连接和交叉的总称, 包括各种道岔、交叉及道岔和交叉的组合等102 道岔把一条轨道分支为两条或以上的设备103 单开道岔主线为直线 , 侧线向主线的左侧或右侧分支的道岔104 单式对称道岔把直线轨道分为左右对称的两条轨道的道岔( 又称双开道岔 ) 105 单式不对称道岔把直线轨道分为左右不对称的两条轨道的道岔106 单式同侧道岔把直线轨道在同一侧分为两条轨道的道岔107 三开道岔主线为直线 , 用同一部位的两组转辙器, 将一条轨道分为三条, 两侧对称分支的道岔学习必备欢迎下载2 TB 1353-79 续表编号名 词 术 语说明108 不对称三开道岔主线为直线 , 在不同部位用两组转辙器, 将一条轨道分为三条, 两侧不对称分支的道岔109 左开道岔站在道岔前端 , 面向尖轨 , 侧线向左分支的道岔110 右开道岔站在道岔前端 , 面向尖轨 , 侧线向右分支的道岔111 交叉两条轨道在同一平面上相互交叉的设备112 菱形交叉两直线轨道相交成菱形的交叉113 直角交叉两条直线轨道以直角相交的交叉114 交分道岔在两条轨道交叉地点, 能使列车转线的设备, 是单式交分道岔和复式交分道岔的总称115 单式交分道岔在两条轨道交叉地点, 列车只能一侧转线的交分道岔学习必备欢迎下载3 TB 1353-79 续表名称名 词 术 语说明116 复式交分道岔在两条轨道交叉地点, 列车能两侧转线的交分道岔117 渡线使列车由一线转入它线的设备, 由两组单开道 1岔及一条连接轨道组成118 交叉渡线相邻两线路间由两条相交的渡线和一组菱形交叉组成的设备119 套线...

1、当您付费下载文档后,您只拥有了使用权限,并不意味着购买了版权,文档只能用于自身使用,不得用于其他商业用途(如 [转卖]进行直接盈利或[编辑后售卖]进行间接盈利)。
2、本站所有内容均由合作方或网友上传,本站不对文档的完整性、权威性及其观点立场正确性做任何保证或承诺!文档内容仅供研究参考,付费前请自行鉴别。
3、如文档内容存在违规,或者侵犯商业秘密、侵犯著作权等,请点击“违规举报”。

碎片内容

铁路道岔和交叉名词术语

确认删除?
VIP
微信客服
  • 扫码咨询
会员Q群
  • 会员专属群点击这里加入QQ群
客服邮箱
回到顶部