电脑桌面
添加小米粒文库到电脑桌面
安装后可以在桌面快捷访问

铁路隧道围岩分级资料

铁路隧道围岩分级资料_第1页
1/9
铁路隧道围岩分级资料_第2页
2/9
铁路隧道围岩分级资料_第3页
3/9
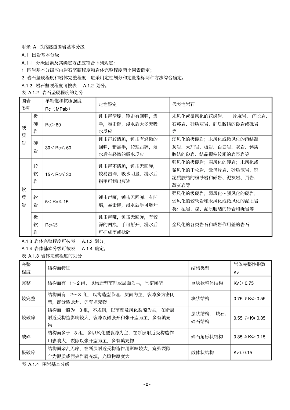
- 1 - 铁路隧道围岩分级围岩级别围岩主要工程地质条件围岩开挖后的稳定状态(单线)围 岩 弹 性纵 波 速 度υ p(km/s)主要工程地质特征结 构 特 征 和 完整状态Ⅰ极硬岩 (单轴饱和抗压强度RC>60MPa):受地质构造影响轻微,节理不发育,无软弱面(或夹层);层状岩层为巨厚层或厚层,层间结合良好,岩体完整呈 巨 块 状 整 体结构围岩稳定,无坍塌,可能产生岩爆> 4.5 Ⅱ硬质岩( RC>30MPa):受地质构造影响较重,节理较发育,有少量软弱面 (或夹层) 和贯通微张节理但其产状及组合关系不致产生滑动;层状岩层为中厚层或厚层,层间结合一般, 很少有分离现象, 或为硬质岩石偶夹软质岩石呈 巨 块 或 大 块状结构暴露时间长,可能会出现局部小坍塌;侧壁稳定,层间结合差的平缓岩层,顶板易塌落4.5~3.5 Ⅲ硬质岩 (RC>30MPa):受地质构造影响严重,节理发育,有层状软弱面 (或夹层) 但其产状及组合关系不致产生滑动;层状岩层为薄层或中厚层,层间结合差, 多有分离现象,硬质、软质岩石互层呈 块 ( 石 ) 碎(石)状镶嵌结构拱部无支护时可能产生小坍塌;侧壁基本稳定,爆破震动过大易塌2.5~4.0 较软岩( RC=15~30MPa ):受地质构造影响较重,节理较发育,层状岩层为薄层、中厚层、厚层,层间结合一般呈大块状结构Ⅳ硬质岩( RC>30MPa):受地质构造影响极严重,节理很发育,层状软弱面(或夹层)已基本破坏呈 碎 石 状 压 碎结构拱部无支护时可能产生较大坍塌;侧壁有时失去稳定1.5~3.0 软质岩( RC≈5~30MPa):受地质构造影响严重,节理发育呈 块 ( 石 ) 碎(石)状镶嵌结构土体:1.具压密或成岩作用的黏性土、粉土及砂类土;2.黄土( Q1、Q2); 3.一般钙质、铁质胶结的碎石土、卵石土、大块石土1 和 2 呈大块状压密结构, 3 呈巨 块 状 整 体 结构Ⅴ岩体: 软岩, 岩体破碎至极破碎;全部极软岩及全部极破碎岩(包括受构造影响严重的破碎带)呈 角 砾 碎 石 状松散结构围岩易坍塌,处理不当会出现大坍塌,侧壁经常小坍塌;浅埋时 易 出 现 地 表 下 沉(陷)或塌至地表1.5~3.0 土体:一般第四系坚硬、硬塑黏性土, 稍密及以上、 稍湿或潮湿的碎石土、卵石土、圆砾土、角砾土、粉土及黄土(Q3、Q4)非 黏 性 土 呈 松散结构,黏性土及 黄 土 呈 松 软结构Ⅵ岩体: 受构造影响严重呈破碎、角砾及粉末、 泥土状的断层...

1、当您付费下载文档后,您只拥有了使用权限,并不意味着购买了版权,文档只能用于自身使用,不得用于其他商业用途(如 [转卖]进行直接盈利或[编辑后售卖]进行间接盈利)。
2、本站所有内容均由合作方或网友上传,本站不对文档的完整性、权威性及其观点立场正确性做任何保证或承诺!文档内容仅供研究参考,付费前请自行鉴别。
3、如文档内容存在违规,或者侵犯商业秘密、侵犯著作权等,请点击“违规举报”。

碎片内容

铁路隧道围岩分级资料

您可能关注的文档

确认删除?
VIP
微信客服
  • 扫码咨询
会员Q群
  • 会员专属群点击这里加入QQ群
客服邮箱
回到顶部