电脑桌面
添加小米粒文库到电脑桌面
安装后可以在桌面快捷访问

门式起重机检验表

门式起重机检验表_第1页
1/12
门式起重机检验表_第2页
2/12
门式起重机检验表_第3页
3/12
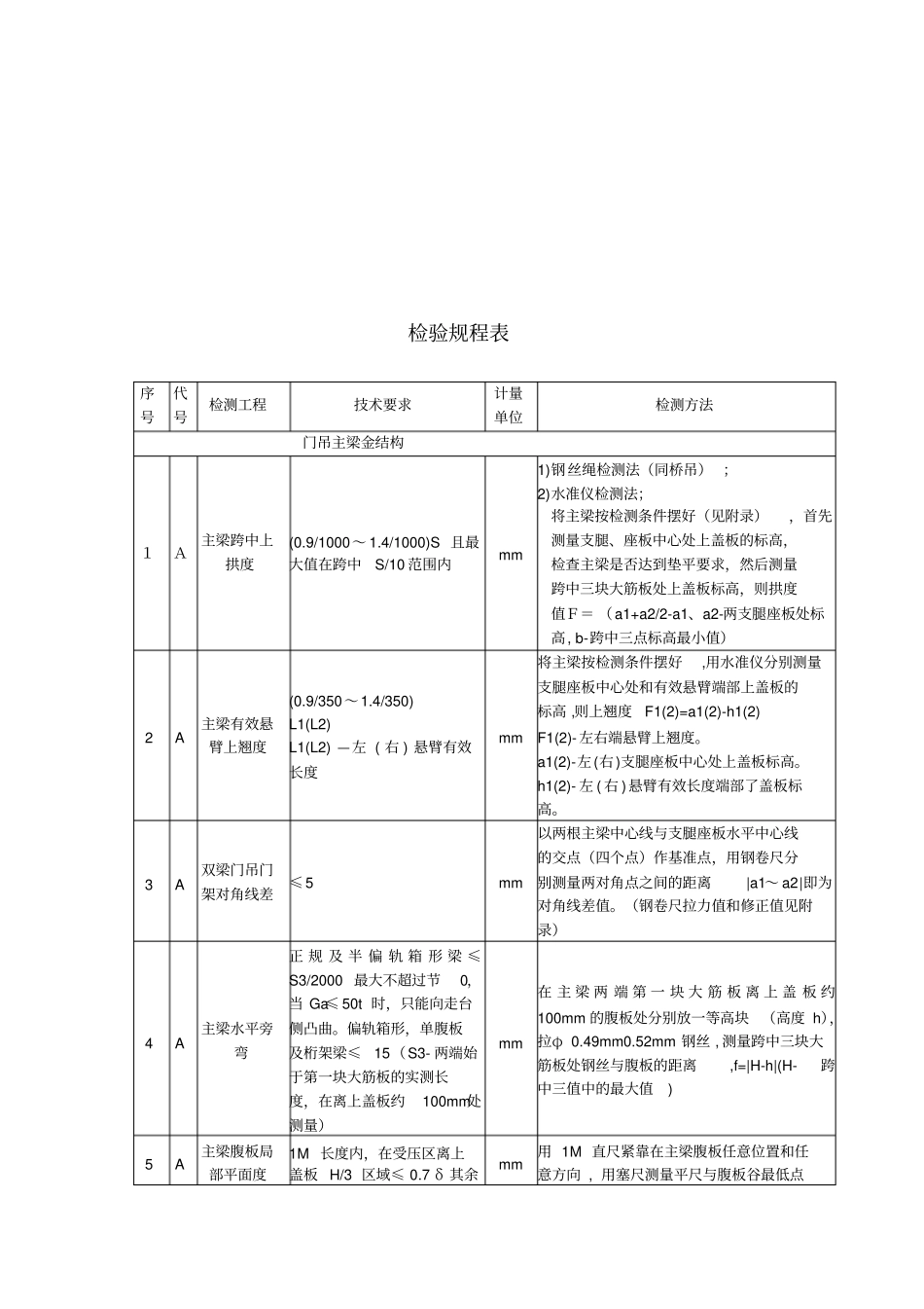
门式起重机检验规程为规范产品检验, 确保制造质量 , 特编制此规程。1.主题内容规定产品出厂及制造过程中检测工程、技术要求及检测方法。2.适用于露天作业的门式起重机一般项,包括通用门式起重机的全部和专用门式起重机的相同或类似部份(不同部份按技术要求和工艺文件另行检验),其取物装置为吊钩、抓斗、电磁吸盘或二用、三用。3.编制依据检测工程和技术要求,A项是依照GB/14406-93 (通用门式起重机)和GB/T14407-93(通用桥式和门式起重机司机室技术条件)而定。B 项是根据本公司制造过程的需要而定。检测方法是参照相关87 年全国行业规程结合本公与司的长期实践经验而定。4.工程代号A项为出厂检验项,B项为过程检验项。5.机加工件属外购未列入此规程中。6.材料和配套件按《外协外购件检验规程》进行检验。7.钢材表面除锈检验主梁腹板、盖板和轨道等重要构件应进行预处理并在处理之后即行检验。其他构件可采用预处理也可采用手工除锈在涂漆前进行检验。8.下料检验主梁构件下料后应进行全部检验,并填写检测记录,其他构件可进行抽查,抽查数据登记在检验员工作日志中。检验规程表序号代号检测工程技术要求计量单位检测方法门吊主梁金结构1A主梁跨中上拱度(0.9/1000~ 1.4/1000)S 且最大值在跨中S/10 范围内mm 1)钢丝绳检测法(同桥吊) ;2)水准仪检测法;将主梁按检测条件摆好(见附录),首先测量支腿、座板中心处上盖板的标高,检查主梁是否达到垫平要求,然后测量跨中三块大筋板处上盖板标高,则拱度值F= (a1+a2/2-a1、a2-两支腿座板处标高, b-跨中三点标高最小值)2 A 主梁有效悬臂上翘度(0.9/350~1.4/350) L1(L2) L1(L2) —左 ( 右 ) 悬臂有效长度mm 将主梁按检测条件摆好,用水准仪分别测量支腿座板中心处和有效悬臂端部上盖板的标高 ,则上翘度F1(2)=a1(2)-h1(2) F1(2)-左右端悬臂上翘度。a1(2)-左(右)支腿座板中心处上盖板标高。h1(2)- 左 ( 右 )悬臂有效长度端部了盖板标高。3 A 双梁门吊门架对角线差≤5 mm 以两根主梁中心线与支腿座板水平中心线的交点(四个点)作基准点,用钢卷尺分别测量两对角点之间的距离|a1~ a2|即为对角线差值。(钢卷尺拉力值和修正值见附录)4 A 主梁水平旁弯正 规 及 半 偏 轨 箱 形 梁 ≤S3/2000 最大不超过节0,当 Ga≤ 50t 时,只能向走台侧凸曲。偏轨箱形,单腹板及桁架梁≤15(S3- 两端始于第一块大筋板的实测长度,在离上盖板约100mm...

1、当您付费下载文档后,您只拥有了使用权限,并不意味着购买了版权,文档只能用于自身使用,不得用于其他商业用途(如 [转卖]进行直接盈利或[编辑后售卖]进行间接盈利)。
2、本站所有内容均由合作方或网友上传,本站不对文档的完整性、权威性及其观点立场正确性做任何保证或承诺!文档内容仅供研究参考,付费前请自行鉴别。
3、如文档内容存在违规,或者侵犯商业秘密、侵犯著作权等,请点击“违规举报”。

碎片内容

门式起重机检验表

您可能关注的文档

确认删除?
VIP
微信客服
  • 扫码咨询
会员Q群
  • 会员专属群点击这里加入QQ群
客服邮箱
回到顶部