电脑桌面
添加小米粒文库到电脑桌面
安装后可以在桌面快捷访问

吊蓝专项施工VIP免费

吊蓝专项施工_第1页
1/9
吊蓝专项施工_第2页
2/9
吊蓝专项施工_第3页
3/9
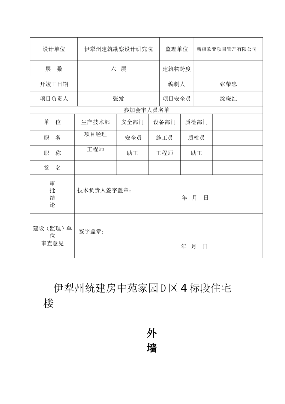
外墙保温吊蓝专项施工(方案)报审表工程名称:伊犁州统建房中苑家园D区4标段住宅楼编号:外墙保温吊蓝专项方案审批表工程名称伊犁州统建房中苑家园D区4标段住宅楼工程地点218国道伊潘公路东侧建设单位新疆三鼎房地产开发有限公司建筑面积15052m2结构类型砖混工程造价万元致:新疆欧亚项目管理有限公司(监理单位)我方已根据施工合同的有关规定完成了伊犁州统建房中苑家园D区4标段住宅楼工程外墙保温吊蓝专项施工方案的编制,并经我单位上级技术负责人审查批准,请予以审查。附:外墙保温吊蓝专项施工方案承包单位(章)项目经理日期专业监理工程师审查意见:专业监理工程师日期总监理工程师审核意见:项目监理机构总监理工程师日期设计单位伊犁州建筑勘察设计研究院监理单位新疆欧亚项目管理有限公司层数六层建筑物跨度开竣工日期编制人张荣忠项目负责人张发项目安全员涂晓红参加会审人员名单单位生产技术部安全部门设备部门质检部门职务项目经理安全员施工员质检员职称工程师助工工程师助工签名审批结论技术负责人签字盖章:年月日建设(监理)单位审查意见签字盖章:年月日伊犁州统建房中苑家园D区4标段住宅楼外墙保温吊蓝专项方案拟制年月日审核年月日批准年月日伊宁市城市建设总公司外墙保温吊蓝专项方案施工单位:伊宁市城市建设总公司工程名称:伊犁州统建房中苑家园D区4标段住宅楼资料员:徐惠珠日期:年月日外墙保温吊专项施工方案目录一、工程概况:二、施工方案三、基本要求四、电动吊篮的制做:五、吊蓝的安装、拆除六、电动吊蓝施工方法及说明七、吊篮脚手架的设计计算:八、安全操作规程一、工程概况伊犁州统建房中苑家园D区4标段8#、9#、10#楼建于伊宁市潘津路218国道以北,总建筑面积15052.08㎡。8#楼5704.8㎡、9#楼5169.12㎡、10#楼4178.16㎡。建筑高度18.45m.。地下一层,地上六层,建筑结构形式为砖混结构,设计使用年限为50年,抗震设防烈度为7度,建筑防火分类为二级,屋面防水等到级为三级(防水层合理使用所限为10年),地下室防水等级为一级。二、施工方案1、吊篮主要用于高层建筑施工的装修作业,用型钢预制成吊篮架子,通过钢丝绳悬挂在建筑物顶部的悬挑梁(架)上,吊篮可随作业要求进行升降,其动力为手动葫芦。2、使用吊篮脚手架应结合工程情况编制施工方案。3、吊篮脚手架的设计制作应符合JG/T5032-93《高处作业吊篮》及《编制建筑施工脚手架安全技术标准的统一规定》,并经企业技术负责人审核批准。4、当使用厂家生产的产品时,应有产品合格证书及安装、使用、维护说明书等有关资料。三、基本要求1、建筑物:确认其具有充分的强度;无变形、裂缝、腐蚀现象;层面结构、形状、大小均能适应悬挂机构在吊篮作业部位的安全架设或移位的要求。女儿墙支撑处的压弯载荷按有关规定进行测试,测得的数值要满足架设要求。2、悬挂机构:悬挂机构在安装前,应全面检查焊缝是否脱焊和漏焊,插销是否插好,螺栓是否齐全、拧紧;间距应与吊篮平台长度相等。3、钢丝绳:钢丝绳的材质应符合相关规定。采用爬升机构作为提升机时,其钢丝绳的材料应符合GB8902的有关规定;无钢丝绳断裂、直径减小、扭曲、变形、腐蚀等缺陷;4、吊篮平台:吊篮平台按使用所需长度(不能超过厂方说明书上规定的长度)拼装连成一体(包括内外侧和端头护栏);各部连接螺栓、紧固件应拧紧。焊接点的焊缝不应有脱焊和漏焊缺陷。5、安全锁穿引钢丝绳:安全锁必须有效可靠,释放手柄与复位手柄须灵活;将安全锁复位杆扳到释放位置,钢丝绳头从安全锁上端孔插入,并使钢丝绳通过该机构,钢丝绳以每分钟1.5m的速度向上拉,检查是否上锁;如:上锁距离大于100mm应予检修,合格后方可使用。再次扳动复位杆至释放位置,并使钢丝绳在该机构中自由上下。穿绳后离地600mm处吊一重锤;各部件接点必须牢靠固,超载限制器和限位器必须有效,电源绝缘必须良好。6、人身安全绳:安全绳的材质、直径、长度及安装数量应按规定选用;无损伤、锁绳装置动作正常;应与吊锁分开固定(上端固定不能与悬挂机构各部件牵连)。安全绳如可能接触到建筑物的转角部分,应用胶皮、麻布等作为填衬加以保护。7、各种安全保护装...

1、当您付费下载文档后,您只拥有了使用权限,并不意味着购买了版权,文档只能用于自身使用,不得用于其他商业用途(如 [转卖]进行直接盈利或[编辑后售卖]进行间接盈利)。
2、本站所有内容均由合作方或网友上传,本站不对文档的完整性、权威性及其观点立场正确性做任何保证或承诺!文档内容仅供研究参考,付费前请自行鉴别。
3、如文档内容存在违规,或者侵犯商业秘密、侵犯著作权等,请点击“违规举报”。

碎片内容

吊蓝专项施工

您可能关注的文档

文章天下+ 关注
实名认证
内容提供者

各种文档应有尽有

确认删除?
VIP
微信客服
  • 扫码咨询
会员Q群
  • 会员专属群点击这里加入QQ群
客服邮箱
回到顶部